1 Introducción

En una amplia gama de aplicaciones de ingeniería, las placas rectangulares delgadas que descansan sobre apoyos tienen una importancia considerable, ya que representan un elemento básico de varios elementos estructurales. Su flexión bajo cargas externas se convierte, por tanto, en un comportamiento mecánico de crucial importancia, y ha recibido suficiente atención durante muchos años. La investigación continúa porque algunas cuestiones críticas, que buscan soluciones analíticas, todavía no han sido investigadas. El modelo analítico no sólo aporta soluciones precisas, sino que también es muy útil para las directrices de diseño.

Timoshenko y Woinowsky-Krieger [1] analizaron el comportamiento a flexión de placas en diferentes configuraciones de carga y contorno.

Recientemente, se ha desarrollado también diversos procedimientos matemáticos [2-3-4] para analizar la flexión de placas con sus lados o vertices apoyados. De entre ellos, cabe destacar el análisis realizado por Li et al [5] en el que se propone una solución analítica para problemas de flexión estática y de vibración libre de placas delgadas rectangulares.

Además, Mujika et al [6] dedujeron el campo de desplazamiento de una probeta unidireccional sometido a un ensayo de flexión de tres puntos aplicando el segundo teorema de Castigliano y el método de la carga unitaria. También fue desarrollado por Mujika [7] un nuevo enfoque para el ensayo de flexión en tres puntos de laminados multidireccionales utilizando la energía de deformación complementaria e incluyendo las fuerzas higrotérmicas.

Por otra parte, se han publicado muchos trabajos analizando los desplazamientos y tensiones producidas en placas de materiales compuestos con diferentes condiciones de carga y contorno mediante aproximaciones numéricas. La técnica más empleada es el Método de los Elementos Finitos (MEF) [8-9].

El objetivo de este trabajo es desarrollar un procedimiento analítico para el ensayo de flexión de dos planos. Este ensayo consiste en una placa apoyada en cuatro puntos al que se aplica una fuerza puntual en el centro. El procedimiento matemático para materiales ortótropos en esta configuración de ensayo no está resuelta actualmente. Con el fin de caracterizar el comportamiento de los laminados composites unidireccionales, se han analizado placas rectangulares de con diferente relación de aspecto. Se han utilizado métodos numéricos para constrastar los resultados analíticos y se han realizado ensayos experimentales sobre probetas de material composite unidireccional formadas por matriz epoxi y fibra de carbono.

2 Aproximaciones analíticas

2.1 Placas de material isótropo con los cuatro lados apoyados

En los artículos 34 y 35 de Theory of Plates and Shells [1] se describen los procedimientos matemáticos para el cálculo de desplazamientos en placas con los cuatro lados simplemente apoyados.

Para el caso en el que la fuerza puntual está aplicada en el centro de la placa, la ecuación (1) define el desplazamiento vertical w de los puntos de la placa contenidos en el eje de simetría x:

(1)


Mientras que la ecuación (2) define el momento flector Mx, también el los puntos de la placa contenidos en el eje x:

(2)


Donde,

y
(3)


Siendo E el módulo de elasticidad y ν el coeficiente de Poisson.

Se ha aplicado este procedimiento en una placa cuadrada de lados a = b = 50 mm y espesor h = 2 mm, a la que se ha aplicado una fuerza puntual de 5320 N en el centro. Se ha considerado el material isótropo con un módulo de elasticidad E = 210 GPa y coeficiente de Poisson ν = 0,3.

En la Tabla 1 se muestran los valores de los desplazamientos verticales w y los valores del momento flector Mx, de los puntos situados en el eje x a una distancia de 1 mm y 25 mm del eje y.

Tabla 1. Desplazamiento vertical (w) y=0 Momento flector (Mx) y=0
m αm x = 1 mm 25 mm x = 1 mm 25 mm
1 1,5707 4,19E-02 6,68E-01 6,39E-02 1,02E+00
2 3,1415 1,87E-18 1,83E-33 9,82E-18 9,60E-33
100 157,07 -2,40E-37 9,60E-37 -3,12E-33 1,25E-32
101 158,65 6,09E-08 9,71E-07 8,08E-04 1,29E-02
Σ 3,67E-02 7,19E-01 Σ 2,40E-02 3,55E+00
(w) y = 0 = 0,05113 1,00286 (Mx) y = 0 = 20,340 3005,128


2.2 Placas de material isótropo con los cuatro vértices apoyados

Por otra parte, Rui Li et al [5] desarrollaron un procedimiento matemático para el cálculo de la flexión y los modos de vibración en placas rectangulares con los cuatro vertices simplemente apoyados.

En este caso se ha obtenido el valor de la flecha adimensional y el momento flector respecto al eje y dividido por el valor de la fuerza puntual aplicada en el centro de la placa mediante las siguientes expresiones matemáticas:

y
(4)


Los resultados de la flecha y el momento flector se obtienen para los puntos contenidos en las líneas rectas azules indicadas en la Figura 1.

Draft Garitaonaindia 820531945-image1.png
Figura 1. Posición de los ejes coordenados, parámetros geométricos de la placa y rectas en las que se obtienen los resultados.

2.3 Placas de material ortótropo apoyadas en cuatro puntos

Por último, con el fin de analizar el comportamiento de laminados composites unidireccionales, en la Escuela de Ingeniería de Gipuzkoa estamos diseñando un nuevo ensayo de flexión. En dicho ensayo las placas rectangulares se apoyan en cuantro puntos intermedios, con lo cual se consigue que la probeta esté sometida a flexión en dos planos.

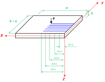
Los parámetros geométricos y el sistema de referencia utilizados en esta configuración están mostrados en la Figura 2.

Draft Garitaonaindia 820531945-image2.png
Figura 2. Posición de los ejes coordenados y parámetros geométricos del ensayo de flexión de dos planos.

El procedimiento analítico desarrollado se basa en la energía de deformación. La ecuación (5) muestra la energía de deformación por unidad de volumen correspondiente a la flexión y torsión para un comportamiento elástico lineal:

(5)


Del mismo modo, la ecuación (6) representa la energía de deformación por unidad de volumen de la placa correspondiente al esfuerzo cortante, también en régimen elástico lineal:

(6)


Aplicando el segundo teorema de Castigliano o el método de la carga unitaria, para cualquier punto de la placa la derivada parcial de la energía de deformación, expresada en función de las fuerzas externas, respecto a una de esas fuerzas es igual al desplazamiento de su punto de aplicación en la dirección de la fuerza:

(7)


3 Simulaciones numéricas

Las simulaciones numéricas han sido realizadas con el software ABAQUS utilizando para el modelado elementos Shell S4R.

3.1 Placas de material isótropo con los cuatro lados apoyados

Se ha modelizado la misma placa cuadrada que la analizada analíticamente. En la Figura 3 se muestra el mapa de desplazamientos verticales en mm producidos en la placa bajo estas condiciones.

Draft Garitaonaindia 820531945-image3-c.png
Figura 3. Mapa de desplazamientos verticales producido en la placa con los cuatro lados apoyados.

3.2 Placas de material isótropo con los cuatro vértices apoyados

Al estar los resultados analíticos correspondiente a este caso parametrizados, se ha modelizado una placa con geometría, propiedad del material y valor de la fuerza igual que en el caso precedente. La diferencia ha sido la aplicación de las condiciones de contorno, en las que se han simulado condiciones de apoyo fijo a los cuatro vértices de la placa. En la Figura 4 se muestra en color rojo la línea de puntos correspondiente a Y = 0, y el mapa de desplazamientos verticales en mm que se utilizará para calcular la flecha adimensional DW/(Pa2).

Draft Garitaonaindia 820531945-image4-c.png
Figura 4. Mapa de desplazamientos verticales producido en la placa con los cuatro vértices apoyados.

3.3 Placas de material ortótropo apoyadas en cuatro puntos

En este caso se ha realizado el modelizado de las nueve placas utilizando las propiedades del material composite T6T/F593 descrito por Carbajal et al [10]: EL = 114 GPa, ET = 7 GPa, νLT = 0,3, GLT = 4 GPa.

La Figura 5 muestra el mapa de desplazamientos verticales en mm producidos en la muestra 1-40-2 al aplicar una fuerza en el centro de la placa.

Draft Garitaonaindia 820531945-image5.png
Figura 5. Mapa de desplazamientos verticales producido en la placa de laminado unidierccional sometido a ensayo de flexión en dos planos.

4 Discusión

4.1 Placas de material isótropo con los cuatro lados apoyados

Los resultados obtenidos mediante la aproximación analítica desarrollada por Timoshenko et al [1] y los obtenidos mediante la simulación numérica desarrollada con ABAQUS coinciden tal y como puede observarse en el gráfico de la Figura 6.

Draft Garitaonaindia 820531945-image6.png
Figura 6. Comparativa de resultados de desplazamiento vertical producido en los puntos de la placa situados en el eje x.

Del mismo modo, los valores del momento flector Mx obtenidos mediante la aproximación analítica y la simulación numérica también coinciden, tal y como se aprecia en la comparativa de resultados mostrada en el gráfico de la Figura 7.

Draft Garitaonaindia 820531945-image7.png
Figura 7. Comparativa de resultados del momento flector Mx producido en los puntos de la placa situados en el eje x.

4.2 Placas de material isótropo con los cuatro vértices apoyados

Los valores de flecha adimensional publicado por los autores R. Li et al [5] y los obtenidos mediante la simulación numérica realizada con ABAQUS han resultado muy similares, siendo en todos ellos el error inferior al 2 %.

En cuanto respecta al valor del momento flector dividido por la fuerza, My/P, entre los valores publicados por R. Li et al [5] y los obtenidos mediante la simulación numérica realizada con ABAQUS la diferencia ha sido inferior al 5 %.

4.3 Placas de material ortótropo apoyadas en cuatro puntos

Los valores de desplazamiento vertical en mm obtenidos mediante la aproximación analítica y la simulación numérica para cada muestra también han dado resultados similares, siendo el error inferior al 4 %.

Además, los resultados obtenidos tanto mediante aproximación analítica como mediante simulación numérica coinciden con los resultados obtenidos en los ensayos experimentales realizados sobre las nueve probetas de material composite unidireccional T6T/F593 formadas por matriz epoxi y fibra de carbono.

5 Conclusiones

Se presenta un nuevo procedimiento para caracterizar el comportamiento de laminados composites unidireccionales.

El ensayo de flexión de dos planos produce combinación de tensiones en las direcciones X e Y, por lo que proporciona ventajas respecto a otros tipos de ensayo.

Se ha comprobado que la innovadora aproximación matemática desarrollada se adecúa a los resultados obtenidos mediante simulación numérica y de forma experimental.

Agradecimientos

Los autores agradecen a la Universidad del País Vasco (UPV/EHU) la financiación del Grupo de Investigación Mecánica de Materiales GIU 20/060 en la convocatoria de 2020.

Referencias

[1] S.P. Timoshenko and S. Woinowsky-Krieger. Theory of plates and shells. McGraw-Hill, (1959).

[2] Y. Zhong, R. Li, Y.M. Liu, B. Tian. On new symplectic approach for exact bending solutions of moderately thick rectangular plates with two opposite edges simply supported. Int. J. Solids Struct. 46, 2506–2513 (2009).

[3] B.F. Pan, R. Li, Y.W. Su, B. Wang, Y. Zhong. Analytical bending solutions of clamped rectangular thin plates resting on elastic foundations by the symplectic superposition method. Appl. Math. Lett. 26, 355–361 (2013).

[4] R. Li, P.C. Wang, Y Tian, B. Wang, G. Li. A unified analytic solution approach to static bending and free vibration problems of rectangular thin plates. Scientific Reports, 5 (1), 1-12. (2015).

[5] R. Li, Y. Zhong, B. Tian. On new symplectic superposition method for exact bending solutions of rectangular cantilever thin plates. Mech. Res. Commun. 38, 111–116 (2011).

[6] F. Mujika, I. Mondragon. On the displacement field for unidirectional off-axis composites in 3-point flexure - Part 1: Analytical approach. Journal of Composite Materials, 37, 1041-1066 (2003).

[7]. F. Mujika. A novel approach for the three-point flexure test of multidirectional laminates. Journal of Composite Materials, 46, 259-274 (2012).

[8] Y. Zhong, R. Li, Y.M. Liu, B. Tian. On new symplectic approach for exact bending solutions of moderately thick rectangular plates with two opposite edges simply supported. Int. J. Solids Struct. 46, 2506–2513 (2009).

[9] R. Li, P.C. Wang, Y Tian, B. Wang, G. Li. A unified analytic solution approach to static bending and free vibration problems of rectangular thin plates. Scientific Reports, 5 (1), 1-12. (2015).

[10] N. Carbajal, F. Mujika. Determination of compressive strength of unidirectional composites by three-point bending tests. Polymer Testing. 28, 150–156 (2009).

Back to Top

Document information

Published on 16/10/22
Accepted on 20/06/22
Submitted on 02/05/22

Volume 07 - COMUNICACIONES MATCOMP21 (2022), Issue Núm. 2 - Aplicaciones Industriales - Caracterización, 2022
DOI: 10.23967/r.matcomp.2022.10.008
Licence: Other

Document Score

0

Views 9
Recommendations 0

Share this document

claim authorship

Are you one of the authors of this document?