Resumo

Neste trabalho tem-se como objetivo realizar análises elástico-lineares a partir de um programa computacional destinado à implementação numérica do Modelo de Bielas e Tirantes, utilizando-se uma formulação baseada no Método dos Elementos Finitos (MEF). Com este modelo é possível analisar o comportamento de elementos estruturais como blocos de fundação, consolos curtos e sapatas rígidas e realizar o dimensionamento das armaduras de aço, representar os valores de tensões, deformações e deslocamentos na região de uma viga representada como o Modelo de Bielas desenvolvido por Montoya et al. [1], além de modelar numericamente via MEF uma viga-parede com uma grande abertura, desenvolvida por Schlaich et al. [2]. Com o fim de validar as implementações numéricas, os resultados foram comparados com modelagens numéricas realizadas com o auxílio do software ANSYS 17 e com expressões normativas.

Palavras–chave: Modelo de bielas e tirantes, elementos finitos, blocos de fundação, consolos curtos, vigas-parede, sapatas rígidas

Abstract

The main objective of this work was to perform elastic-linear analysis through computational program and numerical approach from strut-and-tie model, using a formulation based on Finite Element Method (FEM). In this model, it is possible to analyze the behavior of structural elements such as foundation blocks, wall beams, short consoles; to demosntrate the values of tensions, deformations, and displacements in the region of a beam represented by the Model of cranks developed by Montoya et al. [1]; besides numerically modeling a wall beam via FEM with a large aperture, developed by Schlaich et al. [2]. In order to validate the numerical implementations, the results were compared with numerical modeling performed with the aid of the software ANSYS 17 and normative expressions.

Keywords: Strut-and-tie model, finite elements, foundation block, short consoles, wall beams and rigid shoes

1. Introdução

A concepção de projetos estruturais estabelece três propósitos: economia, tempo e segurança. Para atingir o equilíbrio entre esses fatores há uma ampla quantidade de materiais e métodos disponíveis no mercado, que são abordados em vários temas de pesquisas por todo o mundo. Tratando-se dos elementos estruturais, o aço e o concreto são os materiais mais utilizados, visto que, se completam quando trabalham em conjunto. Muitas vezes em uma análise estrutural o projetista é forçado a propor uma solução simplificada para um problema que requer uma análise mais específica, devido aos prazos reduzidos impostos pelo mercado. Esse fato pode acarretar um superdimensionamento dos elementos estruturais gerando um gasto excessivo de materiais ou até mesmo levar o sistema estrutural à ruptura.

O Método dos Elementos Finitos (MEF), concebido na década de 50, vem sendo utilizado com grande sucesso na engenharia estrutural. Existe uma infinidade de softwares com poderosos pós-processadores e com os mais avançados modelos construtivos para o tratamento do concreto armado [3]. Em uma modelagem utilizando o MEF é necessário que se faça um levantamento dos parâmetros a serem considerados e uma análise cuidadosa da aplicação dos carregamentos e das condições de contorno, para que se possa realizar um estudo preciso e confiável dos resultados obtidos.

O Modelo de Bielas e Tirantes surge como uma alternativa para solucionar casos específicos em que não se aplica a hipótese de Bernoulli ou hipótese das seções planas. Este procedimento permite identificar as regiões da estrutura que exibem comportamento diferenciado em relação às distribuições de tensões e deformações. O estudo levou em consideração que os materiais se comportam de maneira elástico-linear. Nesse caso, após sofrer deformações, a estrutura tende a retornar ao seu estado original quando o carregamento externo for cessado. Além disso, há uma relação linear entre as componentes de tensão e deformação do material, conhecida como módulo de elasticidade [4]. Nessa pesquisa será utilizada a formulação isoparamétrica do Método dos Elementos Finitos, na qual as funções de forma dos elementos são dadas no sistema local de coordenadas naturais e [5].

O trabalho tem como objetivo realizar análises elástico-lineares de elementos especiais em concreto armado, a partir do Modelo de Bielas e Tirantes utilizando-se uma formulação baseada no Método dos Elementos Finitos (MEF). Para tal desenvolveu-se um programa computacional, em liguagem FORTRAN 90, adotando-se elementos finitos triangulares, conhecidos como Constant Strain Triangle (CST), sendo os resultados numéricos obtidos comparados com modelagens feitas com auxílio do software ANSYS 17.

Com este modelo foi possível analisar o comportamento de elementos estruturais como blocos de fundação, consolos curtos, sapatas rígidas, representar os valores de tensões, deformações e deslocamentos na região de uma viga representada como o Modelo de Bielas desenvolvido por Montoya et al. [1], além de modelar numericamente via MEF uma viga-parede com uma grande abertura, desenvolvida por Schlaich et al. [2]. Por fim, com o objetivo de verificar que é possível projetar as armaduras de aço de estruturas de concreto usando o Método dos Elementos Finitos, realizou-se o dimensionamento de alguns elementos estruturais via MEF e os resultados foram comparados com respostas obtidas a partir de expressões normativas encontradas na literatura.

2. Modelo de bielas e tirantes

2.1 Conceitos

O Modelo de Bielas e Tirantes tem como princípio a idealização de que a força do pilar se concentra em algumas regiões do bloco de fundação até chegar às estacas. São formadas zonas de concreto comprimidas (bielas), como Mörsch idealizou no caso das vigas. Na Figura 1 mostram-se as regiões comprimidas do concreto em um bloco submetido a uma força vertical. Este modelo foi comprovado ao se resolver um bloco análogo utilizando o Método dos Elementos Finitos [6], que pode ser visto na Figura 2, comprovando a formação das bielas comprimidas.

Review LIMA 2017a-image3.png
Figura 1. Modelo idealizado da formação de bielas
Review LIMA 2017a-image4.png
Figura 2. Modelo desenvolvido por elementos finitos


Logo, o Método de Bielas e Tirantes consiste em admitir que um bloco possui um funcionamento estrutural básico similar à de uma treliça espacial, constituído por barras comprimidas e inclinadas (bielas), formada pelo concreto comprimido e responsáveis pela transmissão do carregamento dos pilares para as estacas e barras tracionadas (tirantes), representadas pelas armaduras principais.

Os modelos e conceitos apresentados são embasados em ensaios relatados na bibliografia, e pode-se dizer que se iniciaram com os estudos de Hobbs & Stein [7], que analisaram o comportamento de blocos sobre duas estacas de forma analítica e experimental, em setenta modelos em escala 1:3 e de Blévot & Frémy [8], ensaiando 100 blocos em suas análises.

2.2 Método de Blévot & Frémy para blocos de fundação

A partir dos resultados obtidos pelos ensaios realizados por Blévot & Frémy [8], deu-se origem a um processo de cálculo para a armadura longitudinal (tirante) e verificação da tensão de compressão na biela, sendo similar ao processo de Biela e Tirante, mas se difere na definição da seção da biela. Este processo tem sido de grande utilidade nas construções brasileiras, apesar da ABNT NBR 6118 [9] não citá-lo explicitamente.

Portanto, o Método de Blévot & Frémy, também entendido como o de Biela e Tirante, consiste no cálculo das armaduras tracionadas e verificação da tensão nas bielas de compressão que se desenvolvem no interior do bloco, devendo ser feita junto à base do pilar e junto à cabeça da estaca.

A tensão nas bielas na base do pilar é verificada pela relação entre as áreas da seção transversal do pilar () e da biela () na base do pilar. Dividindo-se a força na biela pela área da biela () tem-se a tensão normal na biela junto ao pilar ():

(1)

De maneira análoga, a tensão nas bielas junto à estaca pode ser verificada pela relação entre as áreas da seção transversal da estaca () e da biela () junto à estaca. Dividindo-se o valor da força atuante na biela (), pela área da seção transversal da biela () tem-se a tensão normal na biela junto à estaca ():

(2)

A armadura principal de tração (), no Estado Limite Último (ELU), pode ser calculada em função da força atuante na armadura () e a resistência de cálculo ao escoamento do aço (). Como , realizando manipulações matemáticas, tem-se que a armadura principal de tração () é dada por:

(3)

2.3 Método de bielas e tirantes para consolos curtos

O comportamento estrutural dos consolos curtos e muito curtos se difere das vigas, pois não se pode levar em consideração a hipótese da teoria clássica de flexão. Para analisar sua capacidade resistente ou realizar seu dimensionamento, não se podem utilizar os modelos de cálculo de vigas que levam em consideração a hipótese da manutenção das seções planas após sofrerem deformações. Mesmo em considerações que o material seja homogêneo, isotrópico e elástico perfeito, as tensões normais não variam de forma linear ao longo da sua altura e as tensões tangenciais e as normais aos planos ortogonais e essa seção não podem ser desprezadas. Além disso, após a fissuração do concreto ocorre a redução da rigidez do consolo e outros mecanismos. Desta forma, o projeto desses elementos estruturais deve ser feito obedecendo a recomendações específicas Fernandes & El Debs [10].

Segundo a ABNT NBR-9062 [11], os consolos são calculados seguindo intervalos da razão entre a distância da força aplicada até a face do pilar () e a altura útil do consolo (), sendo que os consolos curtos () possuem metodologia de cálculo realizado com base no Modelo de Bielas e Tirantes.

O Modelo de Bielas e Tirantes para consolos curtos consiste em idealizar o comportamento do concreto, nos trechos descontínuos, por meio das bielas (compressão) e tirantes (tração), com suas posições definidas a partir do fluxo de tensões. Os elementos são conectados por nós, idealizando uma treliça. Sendo assim, o dimensionamento utilizando esse método consiste em verificar a resistência à compressão em uma seção fictícia da biela e calcular a área da armadura do tirante em função da tensão de escoamento do aço. O modelo clássico consiste no equilíbrio de forças e momentos no esquema de treliça apresentado na Figura 3.

Review LIMA 2017a-image23.png
Figura 3. Modelo de análise e características geométricas de Consolo curto - Leonhardt & Mönnig adaptado por EL Debs


A armadura do tirante é determinada realizando o equilíbrio de momento em relação ao ponto A, resultando na seguinte equação:

(4)


Por meio de manipulações matemáticas e realizando o equilíbrio de momentos em relação ao ponto C, determina-se que a tensão de compressão na biela () é calculada pela Equação (5), limitando-se o valor da tensão na biela em .

(5)


Adota-se no caso de forças diretas e para forças indiretas.

3. Formulação via Método dos Elementos Finitos

3.1 Introdução

O Método dos Elementos Finitos tem como principal finalidade a discretização de uma seção transversal ou de um dado elemento estrutural ao longo do seu domínio. Para isso, podem ser utilizados elementos planos bidimensionais, a saber: o elementos CST (triangular com três nós), elemento quadrilateral com quatro nós, elemento quadrilateral com oito nós ou por fim o elemento quadrilateral com nove nós pertencente à família de Lagrange, além de outros elementos finitos. Em determinados problemas de sólidos com geometrias não regulares, podem ser utilizados os elementos finitos tridimensionais. Dentre eles, podem-se citar os elementos finitos tetraédricos ou hexaédricos. Assim sendo, a ideia central do método é transformar o problema real ou elemento contínuo, em elemento discreto. Daí, transforma-se o problema em um sistema de equações lineares ou não lineares.

Segundo Chandrupatla & Belegundu [12] a formulação de elementos finitos bidimensionais segue etapas usadas nos problemas unidimensionais. Os deslocamentos, os valores de componentes de força de superfície e de força de corpo distribuídas são funções das posições indicadas por (). A relação entre as tensões e deformações é dada pela Equação (6):

(6)

3.2 Modelagem pelo Método dos Elementos Finitos

Uma região bidimensional é dividida em triângulos de lados retos. Esses triângulos que em sua totalidade formam a região analisada são chamados de elementos. As componentes do deslocamento de um nó j qualquer são consideradas como na direção e na direção y. O vetor de deslocamento global da estrutura é indicado por:

(7)

As conectividades ou incidências de um elemento referem-se aos nós que formam um elemento, adotando o sentido anti-horário para estabelecer uma sequência para identificar os seus nós. O vetor de deslocamento no sistema local é indicado como:

(8)

Os deslocamentos nos pontos dentro de um elemento precisam ser representados em termos dos deslocamentos nodais do elemento. O Método dos Elementos Finitos usa o conceito de funções de forma no desenvolvimento sistemático dessas interpolações. Para o CST (Constant Strain Triangle), as funções de forma são lineares sobre o elemento. As funções de forma , e correspondem aos nós 1, 2 e 3 do elemento. A função assume o valor unitário no nó 1, e se reduz linearmente para os nós 2 e 3. Os valores de definem uma superfície plana e são representadas por superfícies semelhantes com valores unitários nos nós 2 e 3, respectivamente, e caindo para zero nas arestas opostas, como mostrado na Figura 4. Sendo assim, qualquer combinação linear dessas funções de forma também representa uma superfície plana.

Review LIMA 2017a-image41.png Review LIMA 2017a-image42.png Review LIMA 2017a-image43.png
(a) (b) (c)
Figura 4. Representação das funções de forma no nó 1 (a), nó 2 (b) e nó 3 (c)


Em particular representa um plano com altura um nos nós 1, 2 e 3 que é paralelo ao triângulo 123. , e não são linearmente independentes. As funções de forma independentes são representadas pelas coordenadas naturais e , como:

(9.1)
(9.2)
(9.3)

Os deslocamentos dos elementos são escritos usando as funções de forma e os valores nodais do campo de deslocamento desconhecido.

(10.1)
(10.2)

sendo , e expressos pelas Equações (9.1), (9.2) e (9.3), as Equações (10.1) e (10.2) ficam representadas, na forma simplificada, por:

(11)

As coordenadas e também podem ser representadas em termos de coordenadas nodais pelo uso das mesmas funções de forma. Essa é a chamada representação isoparamétrica. As representações isoparamétricas relacionam as coordenadas cartesianas e às coordenadas naturais e .

Na avaliação das deformações específicas, as derivadas parciais de e devem ser tomadas com relação a e . Pelas representações isoparamétricas verifica-se que , , e são funções de e . Logo, podem ser representadas por:

(12.1)
(12.2)

Usando-se a regra da cadeia para derivadas de u, obtém-se a matriz quadrada (2x2) denotada como Jacobiana de transformação, logo:

(13)

Realizando-se as derivadas da matriz Jacobiana e algumas manipulações matemáticas chegam-se às relações deformação específica-deslocamento, que pela definição de e demonstra-se que e , podendo ser escrita, de forma sucinta, da seguinte forma:

(14)

A energia potencial do sistema é dada por:

(15)

sendo que os termos correspondem à energia de deformação do elemento, força de corpo, força de superfície e carregamento pontual, respectivamente. Por meio de triangulação, a energia potencial total pode ser escrita da seguinte forma, sendo que representa a energia de deformação do elemento.

(16)

A matriz de rigidez do elemento é obtida por meio da energia de deformação do elemento. Substituindo-se a Equação (14) na energia de deformação do elemento, tem-se:

(17)

Considerando a espessura do elemento () e discretizando com triângulos a área a ser analisada, a matriz de rigidez do elemento pode ser obtida a partir da Equação (17), e é dada por:

(18)

Considerando-se a energia de deformação, os termos de força, as condições de contorno e realizando-se as modificações de rigidez e forças, a Equação (16) fica definida como:

(19)

sendo que refere-se à matriz de rigidez da estrutura analisada, ao vetor de deslocamentos nodais da estrutura e ao vetor de cargas globais aplicadas.

Como as deformações específicas são constantes em um elemento CST, as suas componentes de tensões também permanecem constantes. Os valores das tensões devem ser calculados para cada elemento, usando as relações de deformação específica-deslocamento do elemento. Substituindo-se a Equação (14) na Equação (6), tem-se que a tensão em cada elemento é dada por:

(20)

A conectividade será utilizada para extrair os deslocamentos nodais do elemento do vetor de deslocamentos globais . Para fim de interpolação, as tensões obtidas pela Equação (20) podem ser usadas como um valor referente ao centroide do elemento analisado. Finalmente, vale ressaltar que as tensões principais e suas direções principais são determinadas a partir das relações do Círculo de Mohr.

4. Aplicações

4.1 Introdução

Neste capítulo são mostradas as aplicações do presente trabalho, representando de forma numérica o Modelo de Bielas e Tirantes. Inicialmente realizou-se a análise, representando os valores de tensões, deformações e deslocamentos na região de uma viga representada como o Modelo de Bielas desenvolvido por Montoya et al. [1], além de modelar numericamente via MEF uma viga-parede com uma grande abertura, desenvolvida por Schlaich et al. [2]. E por fim analisou-se um consolo curto, um bloco de fundação sob duas estacas de concreto e uma sapata rígida, realizando seus dimensionamentos via MEF e comparando com resultados de expressões normativas e exemplos clássicos encontrados na literatura. Menciona-se ainda que todos os resultados das análises realizadas pelo programa computacional desenvolvido são comparados com resultados determinados por meio da utilização do software ANSYS 17.

Vale ressaltar que em todos os exemplos analisados neste trabalho foi necessário um maior refinamento de malha, em virtude, da utilização do elemento finito plano adotado, Constant Strain Triangle (CST), que no ANSYS 17 corresponde ao elemento sólido “Plane 182”. Esse elemento apresenta campos de deslocamentos menos refinados que os elementos quadrilaterais com quatro nós, ou elementos lineares e que o elemento quadrilateral com nove nós conhecido na literatura como elemento parabólico. Com isso, realizou-se um maior refinamento da malha utilizada com os elementos CST e assim foi possível obter bons resultados, mesmo utilizando um elemento mais simples que os demais.

4.2 Modelo desenvolvido por Montoya

O modelo desenvolvido por Montoya et al. [1] foi implementado analisando-se o comportamento das tensões de compressão nas bielas de uma viga fletida, a partir da discretização da região correspondente (Figura 5a), submetida a um carregamento de superfície igual a 0,797 kN/cm², e não de todo o elemento estrutural.

Na Figura 5b mostram-se as propriedades geométricas da região analisada, sendo submetida a um carregamento pontual aplicado no ponto C. Utilizou-se o modelo de cálculo I da ABNT NBR 6118 [9] para a definição dos ângulos e , com e . A seção transversal da região analisada é igual a 40 x 25 cm, com altura útil (d) igual a 36 cm e com (d’) igual a 4 cm.

Review LIMA 2017a-image65.png Review LIMA 2017a-image66.png
(a) (b)
Figura 5. (a) Região da viga analisada pelo Modelo de Montoya. (b) Modelo de Montoya (cm)


Em relação às propriedades físicas dos materiais, foram utilizados módulo de elasticidade (E) igual a 2800 kN/cm², coeficiente de Poisson ( ) igual a 0,25 e o concreto com resistência característica à compressão ( ) igual a 30MPa.

Com auxílio do software ANSYS 17 a região analisada foi mapeada, gerando uma malha com 1200 elementos finitos triangulares (CST) e 641 nós, representada pela Figura 6.

É importante informar que em todas as aplicações realizadas, o programa ANSYS serviu como um gerador de malha, ou seja, os dados da malha gerada no ANSYS, coordenadas nodais e elementos com as suas respectivas incidências, foram inseridos como dados de entrada no programa computacional desenvolvido.

Review LIMA 2017a-image74.png
Figura 6. Malha mapeada pelo modelo de Montaya – Ansys


As Figuras 7a, 7b e 7c permitem observar as configurações deformadas da região comprimida quando estão submetidas às três tensões principais , e , respectivamente. Os valores das tensões encontrados na escala de referência das figuras são dados em kN/cm².

Review LIMA 2017a-image78.png Review LIMA 2017a-image80.png Review LIMA 2017a-image82.png
(a) (b) (c)
Figura 7. (a) Tensão principal . (b) Tensão principal . (c) Tensão principal


Nas Tabelas 1, 2, 3, 4 e 5 apresentam-se comparações entre os resultados numéricos obtidos por meio do programa computacional desenvolvido e a partir do software ANSYS 17. Percebe-se que a precisão obtida pelas simulações numéricas é satisfatória tanto para as tensões elementares ( , e ) quanto para as tensões principais ( , ).

Tabela 1. Tensões (kN/cm²)
Elemento 10 20 30 40 50 60 70 80 90 100
Presente Trabalho -0,7552 -0,3896 -0,8807 -0,4279 -0,9961 -0,5038 -1,1000 -0,6030 -1,1890 -0,7143
ANSYS -0,7552 -0,3896 -0,8807 -0,4279 -0,9961 -0,5038 -1,0996 -0,6030 -1,1892 -0,7143
Presente Trabalho/ ANSYS 1,0000 1,0001 1,0000 1,0000 1,0000 1,0000 1,0004 1,0000 0,9998 1,0000


Tabela 2. Tensões (kN/cm²)
Elemento 10 20 30 40 50 60 70 80 90 100
Presente Trabalho -0,6156 -0,3985 -0,5535 -0,4054 -0,4849 -0,3993 -0,4118 -0,3782 -0,3364 -0,3435
ANSYS -0,6156 -0,3985 -0,5535 -0,4054 -0,4849 -0,3993 -0,4118 -0,3782 -0,3364 -0,3435
Presente Trabalho/ ANSYS 1,0000 1,0000 0,9999 1,0000 1,0000 0,9999 1,0000 1,0000 0,9999 1,0000


Tabela 3. Tensões (kN/cm²)
Elemento 10 20 30 40 50 60 70 80 90 100
Presente Trabalho -0,1374 -0,4087 -0,1107 -0,4096 -0,0990 -0,4069 -0,1009 -0,4040 -0,1150 -0,4031
ANSYS -0,1374 -0,4088 -0,1107 -0,4096 -0,0990 -0,4069 -0,1009 -0,4040 -0,1150 -0,4031
Presente Trabalho/ ANSYS 1,0002 0,9999 0,9996 1,0000 1,0000 1,0000 1,0005 1,0000 0,9999 0,9999


Tabela 4. Tensões ' (kN/cm²)
Elemento 10 20 30 40 50 60 70 80 90 100
Presente Trabalho -0,5313 0,0147 -0,5196 -0,0069 -0,4664 -0,0413 -0,3973 -0,0713 -0,3212 -0,0852
ANSYS -0,5313 0,0147 -0,5196 -0,0069 -0,4664 -0,0413 -0,3973 -0,0713 -0,3212 -0,0852
Presente Trabalho/ ANSYS 1,0000 1,0002 1,0000 1,0000 1,0000 1,0000 1,0000 1,0000 1,0000 1,0000


Tabela 5. Tensões ' ' (kN/cm²)
Elemento 10 20 30 40 50 60 70 80 90 100
Presente Trabalho -0,8395 -0,8028 -0,9146 -0,8264 -1,0150 -0,8618 -1,1140 -0,9100 -0,1204 -0,9726
ANSYS -0,8395 -0,8028 -0,9147 -0,8264 -1,0150 -0,8618 -1,1140 -0,9100 -0,1204 -0,9726
Presente Trabalho/ ANSYS 1,0000 1,0000 0,9999 1,0000 1,0000 1,0000 1,0000 1,0000 1,0000 1,0000


Comparando as tensões positivas com a resistência à tração do concreto ( ), verifica-se que há formação de fissuras em algumas regiões específicas na viga. A Tabela 6 comprova esse fato, pois há valores de tensão que ultrapassam 0,30 kN/cm², correspondente à resistência do concreto à tração.

Tabela 6. Verificação das tensões de fissuras (kN/cm²)
Elemento 18 19 20 200 201 202 203 204 205 206
Presente Trabalho 0,0155 0,0028 0,0147 0,0871 2,021 3,025 2,41 3,791 2,818 4,7445
ANSYS 0,0155 0,0028 0,0147 0,0871 2,0205 3,0251 2,4103 3,7912 2,8178 4,7452
Ocorrência de Trincas NÃO NÃO NÃO NÃO SIM SIM SIM SIM SIM SIM


Nas Figura 8a e 8b mostram-se comparações gráficas entre os deslocamentos nodais obtidos a partir do programa desenvolvido nesta pesquisa e dos resultados encontrados com auxílio do software ANSYS 17. Neste caso, é possível verificar a precisão entre os resultados dos deslocamentos nas duas direções dos eixos de referências (x e y), validando dessa forma a implementação numérica desenvolvida.

Review LIMA 2017a-image93.png Review LIMA 2017a-image94.png
(a) (b)
Figura 8. (a) Deslocamentos nodais em x. (b) Deslocamentos nodais em y

4.3 Representação numérica do Modelo de Schäfer & Schläich

Neste exemplo é analisado numericamente o modelo de Schäfer & Schläich [2] que corresponde a uma viga-parede com abertura submetida a um carregamento pontual. Na Figura 9 se apresenta de forma detalhada a viga-parede, que está sujeita à carga de 800 kN. Neste exemplo, o concreto apresenta um módulo de elasticidade igual a 2800 kN/cm² e coeficiente de Poisson igual a 0,25.

Review LIMA 2017a-image95.png
Figura 9. Viga-parede Modelo de Schäfer & Schläich


A viga-parede foi discretizada no software ANSYS 17, gerando-se uma malha livre com 414 elementos finitos triangulares (CST) e 249 nós, conforme mostrado na Figura 10.

Review LIMA 2017a-image96.png
Figura 10. Malha livre da Viga-parede – Ansys


Com auxílio do ANSYS 17 verifica-se o comportamento e as deformações da viga-parede submetida às tensões principais (, e ). Essas configurações deformadas são mostradas nas Figuras 11a, 11b e 11c, respectivamente, cujas escalas de referências encontram-se em kN/cm².

Review LIMA 2017a-image97.png Review LIMA 2017a-image99.png Review LIMA 2017a-image101.png
(a) (b) (c)
Figura 11. (a) Tensão principal . (b) Tensão principal . (c) Tensão principal


Refinando a malha utilizada, aumentando o número de elementos finitos de forma excessiva, obtendo uma nova malha com 26496 elementos finitos triangulares (CST) e com 13584 nos, é possível visualizar as regiões comprimidas que formam as bielas na viga-parede, representadas na cor azul na Figura 12, demonstrando assim a concentração de tensões de compressão em algumas regiões da viga-parede.

Review LIMA 2017a-image103.png
Figura 12. Representação vetorial das tensões na viga-parede com a malha refinada Ansys


Nas Tabelas 7, 8, 9, 10 e 11 apresentam-se comparações entre os resultados numéricos obtidos por meio do programa computacional desenvolvido e o software ANSYS 17. Neste caso, percebe-se também excelente aproximação entre as simulações numéricas realizadas.

Tabela 7. Tensões (kN/cm²)
Elemento 1 50 100 150 200 250 300 350 400 414
Presente Trabalho -0,3167 1,0030 -0,1158 -0,1362 -0,3266 0,0105 -0,3654 0,5519 -3,8440 -3,9420
ANSYS -0,3167 1,0035 -0,1158 -0,1362 -0,3266 0,0105 -0,3654 0,5519 -3,8442 -3,9423
Presente Trabalho/ ANSYS 1,0001 0,9995 1,0004 1,0001 0,9999 0,9998 1,0000 1,0000 0,9999 0,9999


Tabela 8. Tensões (kN/cm²)
Elemento 1 50 100 150 200 250 300 350 400 414
Presente Trabalho -0,0766 -0,0818 -0,5528 -2,8170 -2,3570 0,1902 0,1591 0,3279 -4,7240 -3,1630
ANSYS -0,0766 -0,0818 -0,5528 -2,8169 -2,3570 0,1902 0,1591 0,3279 -4,7244 -3,1627
Presente Trabalho/ ANSYS 1,0000 1,0000 1,0000 1,0000 1,0000 1,0003 1,0001 1,0000 0,9999 1,0001


Tabela 9. Tensões (kN/cm²)
Elemento 1 50 100 150 200 250 300 350 400 414
Presente Trabalho -0,7080 -0,2509 -0,3003 1,6410 -0,5192 -0,5483 -0,7349 -0,6071 -3,9740 -4,3650
ANSYS -0,7080 -0,2510 -0,3003 1,6406 -0,5192 -0,5483 -0,7349 -0,6071 -3,9744 -4,3650
Presente Trabalho/ ANSYS 1,0001 0,9998 1,0000 1,0002 1,0000 1,0000 0,9999 1,0000 0,9999 1,0000


Tabela 10. Tensões (kN/cm²)
Elemento 1 50 100 150 200 250 300 350 400 414
Presente Trabalho 0,5215 1,0590 0,0371 0,6420 -0,2016 0,6559 0,6772 1,0570 -0,2857 0,8299
ANSYS 0,5215 1,0587 0,0371 0,6420 -0,2016 0,6559 0,6772 1,0573 -0,2857 0,8299
Presente Trabalho/ ANSYS 1,0001 1,0003 1,0001 1,0000 1,0002 0,9999 1,0001 0,9997 1,0002 1,0000


Tabela 11. Tensões (kN/cm²)
Elemento 1 50 100 150 200 250 300 350 400 414
Presente Trabalho -0,9147 -0,1370 -0,7057 -3,5950 -2,4820 -0,4553 -0,8835 -0,1775 -8,2830 -7,9350
ANSYS -0,9147 -0,1370 -0,7057 -3,5950 -2,4820 -0,4553 -0,8835 -0,1775 -8,2830 -7,9348
Presente Trabalho/ ANSYS 1,0000 1,0002 1,0001 1,0000 1,0000 1,0001 1,0000 1,0001 1,0000 1,0000


Nas Figura 13a e 13b mostram-se comparações gráficas entre os deslocamentos nodais obtidos por meio do programa desenvolvido e os resultados fornecidos a partir do software ANSYS 17, sendo os nós localizados na parte inferior da viga-parede.

Review LIMA 2017a-image108.png Review LIMA 2017a-image109.png
(a) (b)
Figura 13. (a) Deslocamento em x. (b) Deslocamento em y

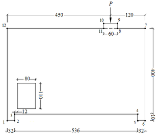
4.4 Sapata rígida

A sapata rígida em análise cujas dimensões são mostradas na Figura 14 está submetida a um carregamento pontual igual a 800 kN. Neste exemplo o concreto apresenta um módulo de elasticidade igual a 2800 kN/cm² e coeficiente de Poisson igual a 0,25.

Review LIMA 2017a-image110.png
Figura 14. Dimensões da sapata rígida (cm)


Em sua modelagem, a sapata foi dividida em duas áreas para que o Software ANSYS 17 pudesse gerar a malha. A parte superior foi mapeada de forma livre e a parte inferior, correspondente à fôrma, foi mapeada de forma estruturada, realizando três análises distintas dividindo a parte inferior em 10, 20 e 25 divisões com o fim de se comparar eventuais alterações nos resultados numéricos. As respectivas malhas geradas no software ANSYS 17, são mostradas nas Figuras 15a, 15b e 15c. No primeiro caso analisado, a malha gerada apresenta 164 elementos finitos triangulares (CST) e 111 nós. A segunda malha gerada apresenta 272 elementos finitos triangulares (CST) e com 170 nós. Já a malha final apresenta 329 elementos finitos triangulares (CST) e com 201 nós.

Review LIMA 2017a-image111.png Review LIMA 2017a-image112.png Review LIMA 2017a-image113.png
(a) (b) (c)
Figura 15. (a) Malha da sapata rígida – 10 divisões. (b) Malha da sapata rígida – 20 divisões. (c) Malha da sapata rígida - 25 divisões


A malha com 25 divisões apresentou melhores resultados em suas análises, podendo observar o comportamento e as deformações da sapata rígida nas Figuras 16a, 16b e 16c, cujas escalas de referências encontram-se em kN/cm². Na Figura 16d, mostra-se, de forma vetorial, a transferência dos esforços internos.

Review LIMA 2017a-image114.png Review LIMA 2017a-image116.png Review LIMA 2017a-image118.png Review LIMA 2017a-image120.png
(a) (b) (c) (d)
Figura 16. (a) Tensão principal . (b) Tensão principal . (c) Tensão principal . (d) Representação vetorial das tensões no bloco de fundação – Ansys


Nas Tabelas 12, 13, 14, 15 e 16, apresentam-se comparações entre os resultados numéricos obtidos por meio do programa computacional desenvolvido e por meio do software ANSYS 17 para a sapata com 25 divisões na parte inferior. Neste caso, percebe-se também excelente aproximação entre as simulações numéricas realizadas.

Tabela 12. - Tensões (kN/cm²)
Elemento 1 40 80 120 160 200 240 280 320 329
Presente Trabalho -21,38 5,2410 23,300 -16,370 -26,26 -22,84 -30,280 -1,7730 -2,2510 -31,9300
ANSYS -21,384 5,2406 23,301 -16,372 -26,260 -22,837 -30,280 -1,7731 -2,2509 -31,9250
Presente Trabalho/ ANSYS 0,9998 1,0001 1,0000 0,9999 1,0000 1,0001 1,0000 0,9999 1,0000 1,0002


Tabela 13. Tensões (kN/cm²)
Elemento 1 40 80 120 160 200 240 180 320 329
Presente Trabalho -23,550 0,4340 1,1660 -2,8400 -4,9580 -9,6150 -8,6300 -15,700 -4,7820 -15,1900
ANSYS -23,555 0,4340 1,1661 -2,8401 -4,9584 -9,6153 -8,6303 -15,703 -4,7821 -15,1900
Presente Trabalho/ ANSYS 0,9998 1,0000 0,9999 1,0000 0,9999 1,0000 1,0000 0,9998 1,0000 1,0000


Tabela 14. Tensões (kN/cm²)
Elemento 1 40 80 120 160 200 240 180 320 329
Presente Trabalho 24,970 -0,4914 2,4540 4,1260 -11,510 5,7290 15,950 5,6540 -6,6560 25,5700
ANSYS 24,969 -0,4914 24,538 4,1257 -11,511 5,7293 15,947 5,6545 -66,562 25,5710
Presente Trabalho/ ANSYS 1,0000 1,0001 1,0000 1,0001 0,9999 1,0000 1,0002 1,0000 1,0000 1,00000


Tabela 15. Tensões (kN/cm²)
Elemento 1 40 80 120 160 200 240 280 320 329
Presente Trabalho 2,5240 5,2900 23,570 -1,6810 0,0732 -7,4780 -0,1815 0,2332 3,2590 3,3480
ANSYS 2,5236 5,2903 23,570 -16,814 0,0732 -7,4781 -0,1815 0,2332 3,2590 3,3479
Presente Trabalho/ ANSYS 1,0002 0,9999 1,0000 0,1000 1,0000 1,0000 1,0001 0,9999 1,0000 1,0000


Tabela 16. Tensões (kN/cm²)
Elemento 1 40 80 120 160 200 240 280 320 329
Presente Trabalho -47,460 0,3843 0,8974 -17,530 -31,290 -24,970 -38,730 -17,710 -10,290 -47,4600
ANSYS -47,462 0,3843 0,8974 -17,530 -31,292 -24,974 -38,729 -17,709 -10,292 -47,4620
Presente Trabalho/ ANSYS 1,0000 1,0000 1,0000 1,0000 0,9999 0,9998 1,0000 1,0001 0,9998 1,0000


Em relação aos deslocamentos nodais, as Figura 17a e 17b mostram as comparações gráficas entre os deslocamentos na parte inferior da sapata rígida obtida por meio do programa desenvolvido e pelos resultados determinados via software ANSYS 17, utilizando um maior número de nós entre as simulações realizadas.

Review LIMA 2017a-image126.png Review LIMA 2017a-image127.png
(a) (b)
Figura 17. (a) Deslocamento em x. (b) Deslocamento em y

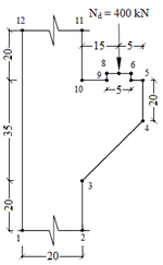
4.4 Consolo curto

O consolo curto analisado, cujas dimensões são mostradas na Figura 18a, está submetido a um carregamento pontual igual a 400 kN. Nesta aplicação, o concreto apresenta módulo de elasticidade igual a 2800 kN/cm² e coeficiente de Poisson igual a 0,25. O consolo curto foi discretizado pelo software ANSYS 17, gerando uma malha livre com 223 elementos finitos triangulares (CST) e com 139 nós, conforme mostrado na Figura 18b.

Review LIMA 2017a-image128.png Review LIMA 2017a-image129.png
(a) (b)
Figura 18. (a) Dimensões do consolo curto (cm). (b) Malha livre do consolo curto Ansys


As configurações deformadas do elemento em análise submetido às tensões principais (, e ) são mostradas nas Figuras 19a, 19b e 19c, respectivamente.

Review LIMA 2017a-image130.png Review LIMA 2017a-image132.png Review LIMA 2017a-image134.png
(a) (b) (c)
Figura 19. (a) Tensão principal . (b) Tensão principal . (c) Tensão principal


Logo é possível visualizar a transferência dos esforços internos por meio de uma representação vetorial mostrada na Figura 20, determinando as regiões tracionadas e comprimidas do consolo curto.

Review LIMA 2017a-image136.png
Figura 20. Representação vetorial das tensões no consolo curto – Ansys


Nas Tabelas 17, 18, 19, 20 e 21 apresentam-se comparações entre os resultados numéricos determinados pelo programa computacional desenvolvido e a partir do software ANSYS 17.

Tabela 17. Tensões (kN/cm²)
Elemento 10 30 50 70 90 110 130 150 170 200
Presente Trabalho 5,3280 8,7690 -6,1200 3,0680 -11,290 -4,3290 -0,7243 14,700 3,8040 15,9100
ANSYS 5,3283 8,7687 -6,1197 3,0675 -11,295 -4,3285 -0,7243 14,699 3,8043 15,9080
Presente Trabalho/ ANSYS 0,9999 1,0000 1,0000 1,0002 0,9996 1,0001 1,0000 1,0001 0,9999 1,0001


Tabela 18 - Tensões (kN/cm²)
Elemento 10 30 50 70 90 110 130 150 170 200
Presente Trabalho 17,540 -93,230 -8,4660 -0,4384 -12,800 -17,730 -16,790 -1,3020 -24,540 2,0090
ANSYS 17,536 -93,228 -8,4661 -0,4384 -12,799 -17,732 -16,790 -1,3024 -24,541 2,0092
Presente Trabalho/ ANSYS 1,0002 1,0000 1,0000 1,0001 1,0001 0,9999 1,0000 0,9997 1,0000 0,9999


Tabela 19. Tensões (kN/cm²)
Elemento 10 30 50 70 90 110 130 150 170 200
Presente Trabalho - 7,415 1,372 -12,960 - 3,417 -14,01 - 8,805 - 3,796 - 4,128 -13,000 - 9,3750
ANSYS - 7,415 1,371 -12,959 - 3,416 -14,012 - 8,804 - 3,795 - 4,127 -12,999 - 9,3747
Presente Trabalho/ ANSYS 0,9999 1,0002 1,0001 1,0001 0,9999 1,0000 1,0001 1,0001 1,0001 1,0000


Tabela 20. Tensões (kN/cm²)
Elemento 10 30 50 70 90 110 130 150 170 200
Presente Trabalho 12,890 8,7870 5,7190 5,1550 1,9850 0,0349 0,1274 15,700 8,8630 20,6300
ANSYS 12,889 8,7871 5,7192 5,1546 1,9850 0,0349 0,1274 15,701 8,8627 20,6280
Presente Trabalho/ ANSYS 1,0001 1,0000 1,0000 1,0001 1,0000 0,9999 1,0000 0,9999 1,0000 1,0001


Tabela 21. Tensões (kN/cm²)
Elemento 10 30 50 70 90 110 130 150 170 200
Presente Trabalho -45,300 -93,250 -20,310 -2,5250 -26,080 -22,100 -17,640 -2,3040 -29,600 -2,7110
ANSYS -45,298 -93,246 -20,305 -2,5255 -26,079 -22,096 -17,641 -2,3043 -29,599 -2,7109
Presente Trabalho/ ANSYS 1,0000 1,0000 1,0002 0,9998 1,0000 1,0002 0,9999 0,9999 1,0000 1,0000


Nas Figuras 21a e 21b mostram-se comparações gráficas entre os deslocamentos nodais obtidos a partir do programa desenvolvido e os resultados do ANSYS 17, sendo os nós referentes à parte superior do consolo curto. Lembrando que nessa região ficam localizadas as armaduras de tração.

Review LIMA 2017a-image141.png Review LIMA 2017a-image142.png
(a) (b)
Figura 21. (a) Deslocamento em x. (b) Deslocamento em y


Por fim, realizou-se o dimensionamento do consolo curto e os resultados foram comparados com as respostas determinadas pelo presente trabalho que é baseado no Método dos Elementos Finitos, sendo os valores das tensões elementares extraídos da modelagem numérica realizada. Para a realização do dimensionamento, considerou-se a altura útil do consolo igual a cm, cm, a distância entre o ponto de aplicação da carga e a face do pilar igual =15,5cm e kN/cm. Na Tabela 22 mostra-se a boa aproximação entre os resultados encontrados.

Tabela 22. Área de Aço (cm²)
Resultado Normativo Presente Trabalho Presente Trabalho/ Resultado Normativo
5,11 4,64 0,91

4.5 Bloco de fundação sob duas estacas de concreto

O bloco de fundação com duas estacas está submetido a um carregamento pontual igual a 1500 kN, suas dimensões são mostradas na Figura 22a. Considerou-se neste exemplo que o concreto apresenta módulo de elasticidade igual a 2800 kN/cm² e coeficiente de Poisson igual a 0,25. Por sua vez, o bloco de fundação foi discretizado com quatro malhas distintas, sendo apresentados os resultados das análises realizadas com a malha estruturada de 328 elementos finitos triangulares (CST) e 202 nós mostrada na Figura 22b.

Review LIMA 2017a-image147.png Review LIMA 2017a-image148.png
(a) (b)
Figura 22. (a) Dimensões do bloco de (cm). (b) Malha do bloco de fundação – Ansys


Com auxílio do software ANSYS 17 é possível observar o comportamento e as deformações do bloco de fundação. Essas configurações deformadas são mostradas nas Figuras 23a, 23b e 23c, respectivamente, cujas escalas de referências encontram-se em kN/cm². Na Figura 23d, mostra-se, de forma vetorial, as tensões de tração e compressão no bloco de fundação.

Review LIMA 2017a-image149.png Review LIMA 2017a-image150.png Review LIMA 2017a-image152.png Review LIMA 2017a-image154.png
(a) (b) (c) (d)
Figura 23. (a) Tensão principal . (b) Tensão principal . (c) Tensão principal . (d) Representação vetorial de tensões no bloco de fundação – Ansys


Nas Tabelas 23, 24, 25, 26 e 27, apresentam-se comparações entre os resultados numéricos obtidos por meio do programa computacional desenvolvido e do software ANSYS 17. Neste caso, percebe-se também excelente aproximação entre as simulações numéricas realizadas.

Tabela 23. Tensões (kN/cm²)
Elemento 10 20 30 40 50 60 70 80 90 100
Presente Trabalho -15,420 -22,870 -12,000 -46,660 -2,0900 -22,540 -7,0360 5,9950 27,660 58,5300
ANSYS -15,417 -22,870 -11,995 -46,665 -2,0905 -22,538 -7,0356 5,9951 27,660 58,5320
Presente Trabalho/ ANSYS 1,0002 1,0000 1,0004 0,9999 0,9998 1,0001 1,0001 1,0000 1,0000 1,0000


Tabela 24. Tensões (kN/cm²)
Elemento 10 20 30 40 50 60 70 80 90 100
Presente Trabalho -7,5970 -59,470 -74,980 -216,30 -21,670 -29,710 -27,160 -18,920 -15,220 0,5455
ANSYS -7,5974 -59,474 -74,979 -216,26 -21,666 -29,715 -27,161 -18,916 -15,221 0,5455
Presente Trabalho/ ANSYS 0,9999 0,9999 1,0000 1,0002 1,0002 0,9998 1,0000 1,0002 0,9999 1,0001


Tabela 25. Tensões (kN/cm²)
Elemento 10 20 30 40 50 60 70 80 90 100
Presente Trabalho 2,8870 -29,430 -12,660 48,170 15,420 27,870 16,820 6,8850 26,970 11,7500
ANSYS 2,8874 -29,435 -12,662 48,165 15,424 27,872 16,820 6,8846 26,971 11,7460
Presente Trabalho/ ANSYS 0,9999 0,9998 0,9998 1,0001 0,9997 0,9999 1,0000 1,0001 1,0000 1,0003


Tabela 26. Tensões (kN/cm²)
Elemento 10 20 30 40 50 60 70 80 90 100
Presente Trabalho -6,6470 -6,5110 -9,5450 -33,940 6,3890 1,9750 2,5020 7,7710 40,670 60,8200
ANSYS -6,6467 -6,5111 -9,5453 -33,941 6,3890 1,9754 2,5019 7,7711 40,674 60,8200
Presente Trabalho/ ANSYS 1,0000 1,0000 1,0000 1,0000 1,0000 0,9998 1,0000 1,0000 0,9999 1,0000


Tabela 27. Tensões (kN/cm²)
Elemento 10 20 30 40 50 60 70 80 90 100
Presente Trabalho -16,370 -75,830 -77,430 -229,00 -30,150 -54,230 -36,700 -20,690 -28,240 -1,7430
ANSYS -16,367 -75,832 -77,429 -228,99 -30,146 -54,229 -36,698 -20,692 -28,236 -1,7435
Presente Trabalho/ ANSYS 1,0002 1,0000 1,0000 1,0000 1,0001 1,0000 1,0001 0,9999 1,0001 0,9997


Nas Figuras 24a e 24b mostram-se comparações gráficas entre os deslocamentos nodais obtidos a partir do programa desenvolvido e os resultados obtidos via ANSYS 17, sendo os nós referentes à parte inferior do bloco de fundação, localizados entre as duas estacas de concreto.

Review LIMA 2017a-image159.png Review LIMA 2017a-image160.png
(a) (b)
Figura 24. (a) Deslocamento em x. (b) Deslocamento em y


Por fim, encontrou-se a área de aço da armadura tracionada a partir do Método de Blévot & Frémy e os resultados foram confrontados com respostas obtidas a partir do Método dos Elementos Finitos para as quatro malhas analisadas. Para a realização do dimensionamento, considerou-se: cm, cm, cm, cm e kN/cm². Os resultados são mostrados na Tabela 28, verificando uma melhora na aproximação dos resultados com o refinamento da malha.

Tabela 28. Área de Aço (cm²)
Bloco de Fundação Blévot & Frémy Presente Trabalho Presente Trabalho/ Blévot & Frémy
328 elementos 18,25 16,35 0,90
360 elementos 18,25 16,91 0,92
392 elementos 18,25 18,17 0,99
654 elementos 18,25 18,46 1,01

5. Conclusão

Em todas as aplicações realizadas, observou-se uma ótima convergência entre os resultados numéricos obtidos com o programa computacional implementado e as respostas encontradas por meio do software ANSYS 17. Logo, verifica-se que a implementação desenvolvida foi bem sucedida, contribuindo com valores precisos de tensões elementares, tensões principais e deslocamentos das estruturas planas com comportamento elástico-linear.

O objetivo principal prático da pesquisa desenvolvida foi dimensionar as armaduras de aço tracionadas em alguns elementos estruturais estudados, utilizando como base um programa computacional implementado em linguagem FORTRAN com formulação baseada no Método dos Elementos Finitos e realiza um comparativo com algumas prescrições normativas vigentes, com o intuito de verificar a precisão dessas respostas.

Na análise feita por meio do modelo desenvolvido por Montoya el al. [1], verificaram-se também de forma numérica via Método dos Elementos Finitos, diversos pontos em que há o surgimento de trincas, visto que, os valores de tensões obtidos ultrapassaram a resistência à tração do concreto.

Com relação à análise da viga-parede verificou-se a formação das bielas e tirantes a partir da representação vetorial, comprovando dessa forma as regiões comprimidas e tracionadas do elemento estrutural.

Em relação ao dimensionamento, em duas aplicações (consolos curtos e bloco de fundação) verificou-se boa aproximação ao serem comparados os resultados numéricos com a metodologia desenvolvida por Blévot & Frémy.

Para a análise realizada no bloco de fundação, verificou-se que o refinamento na malha de elementos finitos proporcionou maior aproximação entre o valor de área de aço calculado numericamente e o resultado determinado a partir do método clássico desenvolvido por Blévot & Frémy [8].

Referências

[1] Montoya, P.J., Meseger, A.G., Cabré, F.M. Hormigón Armado. 13 ed. Editorial Gustavo Gili, Barcelona, 1991.

[2] Schlaich, J., Schafer, K. Consistent Design of Structural Concrete Using Strut and Tie Model. 5º Colóquio sobre comportamento e Projeto de estruturas. PUC, Rio de Janeiro, 1988.

[3] Souza, R.A. Análise, dimensionamento e verificação de elementos especiais em concreto armado utilizando o método dos elementos finitos e o método das bielas. Revista Internacional de Métodos Numéricos para Cálculo y Diseño en Ingeniería. 2006.

[4] Fontes, F.F. Análise Estrutural de elementos lineares segundo a NBR 6118:2003. Dissertação de Mestrado, Escola de Engenharia de São Carlos. USP, São Carlos, 2005.

[5] Vicente, W.M., Oliveira, W. C. Análise de Tensões em Placas Circulares Utilizando elementos Finitos Axissimétricos. Trabalho Final de Graduação de Engenharia Mecânica, Universidade Federal de Itajubá, Itajubá, 2009.

[6] Delalibera, R.G. Estudo experimental e analítico de blocos sobre estacas submetidos a momento e normal. Qualificação de Doutorado, Escola de Engenharia de São Carlos, USP, São Carlos, 2005.

[7] Hobbs, N.B., Stein, P. An investigation into the stress distribution in pile caps with some notes on design. Proceedings of the Institution of Civil Engineers, 1957.

[8] Blévot, J., Frémy, R. Semelles sur piex. Analles d’ Institut Techique du Bâtiment et des Travaux Publlics. Paris, 1967.

[9] NBR-6118. Projeto de Estruturas de Concreto – Procedimento, ABNT – Associação Brasileira de Normas Técnicas, Rio de Janeiro, Brasil, 2014.

[10] Fernandes, R. M., EL DEBS, M.K. Análise da capacidade resistente de consolos de concreto armado considerando a contribuição da armadura de costura. Cadernos de Engenharia de Estruturas da UFSCar, 2005.

[11] NBR-9062. Projeto e execução de estruturas de concreto pré-moldado, ABNT – Associação Brasileira de Normas Técnicas, Rio de Janeiro, Brasil, 2006.

[12] Chandrupatla, T.R., Belegundu, A.D. Elementos Finitos. Pearson Education do Brasil, São Paulo, 2014.


Back to Top

Document information

Published on 28/05/19
Accepted on 02/05/19
Submitted on 02/08/17

Volume 35, Issue 2, 2019
DOI: 10.23967/j.rimni.2019.05.001
Licence: CC BY-NC-SA license

Document Score

3

Views 365
Recommendations 1

Share this document

claim authorship

Are you one of the authors of this document?