Abstract

In an attempt to maximize the amount of ozone reacting with lignin inside humid wheat straw, some of the ozone-reactive lignin degradation products were washed away before a second ozonolysis delignification stage. The total contact time for the two stages was kept the same as that for a one-stage process for comparison. A significant decrease in the Acid Insoluble Lignin (AIL) content of the straw resulted: from 13.04 wt. % (after a 30-min one-stage ozonolysis) to 9.34 wt. % (after a 30-min two-stage ozonolysis, separated by a washing step). This significant improvement was accompanied by an increase in released fermentable sugars from an enzymatic hydrolysis. The yield increased from 60% theoretical sugars to 80%. A further improvement in AIL (down to 7.36 wt. %) and released sugars (up to 90% theoretical) occurred when the moisture content (MC) of the straw entering the second stage was adjusted to the optimum value of the straw entering first stage (45 wt. %, predicted from an experimental design). The authors believe this is the first time results are published for the introduction of a two-stage process separated by a washing step.

Introduction

Securing energy and reducing greenhouse gas emissions are some of the global major concerns of these days. The conversion of abundant lignocellulosic biomass to biofuels as transportation fuels could be the answer for these concerns [1]. Biofuels are considered cleaner-burning fuels because they do not add net CO2 to the atmosphere and they have the potential to cut greenhouse gas emissions by 86% [2]. Lignocellulosic biomass consists mainly of cellulose, hemicellulose, lignin, and pectin [3, 4]. Agricultural residues, such as wheat straw, and forest products such as hardwood and softwood, are the main sources of lignocellulosic biomass that can be used for biofuel production. Cellulose and hemicellulose must be hydrolyzed first into their corresponding monomers (sugars), followed by a fermentation step using special microorganisms to convert the sugars to fuels such as ethanol [5-7]. Hemicellulose can be easily hydrolyzed using dilute acids while cellulose needs more extreme conditions [8]. Cellulose and hemicellulose can both be hydrolyzed using cellulase enzyme mixtures consisting of at least three major types: endo-glucanase, exo-glucanase, and ß-glucosidase. These enzymes are working in a synergistic fashion to achieve hydrolysis [9]. Low corrosion problem, energy consumption, and toxicity are the main advantages of enzymatic hydrolysis process over acid hydrolysis [10].

The presence of lignin and the cellulose crystallinity present a protective barrier that prevents plant cells from being attacked by many microorganisms such as fungi and bacteria. Therefore, the structure of lignin and of crystalline cellulose must first be altered or broken down so that enzymes can easily access and hydrolyze cellulose and hemicellulose. This can be achieved using chemical, physical, biological, or mixed pretreatment processes [11-13].

Ozonolysis pretreatment has shown its efficiency in the degradation of lignin in lignocellulosic biomass [14-20]. Ozone is highly reactive toward compounds incorporating conjugated double bonds and functional groups with high electron densities, such as lignin. It preferably attacks lignin rather than cellulose or hemicellulose. Ozonolysis of lignin releases soluble compounds of smaller molecular weight, mainly organic acids such as carboxylic and acetic acids, which can result in a drop in pH from 6.5 to 2. The range of ozonolysis products is influenced by the structure of the lignocellulosic biomass as well as its moisture content (MC) [21].

Water content in nonsubmerged humid lignocellulosic biomass has a major effect in the ozonolysis process. Water induces cell wall swelling and consequently provides an access for ozone to functional groups of lignin. It also acts as a solvent of ozone and of some delignification products (lignin fragments). At low MC, lignin mostly reacts with gaseous ozone. Despite large amount of supplied ozone, lignin degradation is almost negligible due to the rather small contact surface area between ozone and lignin. On the other hand, when the MC is very high, similar consequences occur because ozone is now absorbed and decomposed in the bulk of the water [22].

The objective of this research was to improve the ozonolysis delignification of humid, nonsubmerged, wheat straw. It was surmised that performing the ozonolysis process in two stages with an intermediate washing step would remove many of the delignification products (lignin fragments, such as carboxylic acids), enabling ozone gas to oxidize newly exposed lignin in wheat straw rather than further degrading the lignin fragments. To the best of the authors' knowledge, no work on this matter has been reported in the literature. Acid insoluble lignin (AIL) content for both untreated and ozonated wheat straw was used as a measure of the effectiveness of the delignification process. Three parameters were studied: the Initial Water Content (IWC) of the humid straw entering first stage, the Washing Starting Time (WST; contact time during the first ozonolysis stage), and the Washing Contact Time (WCT; immersion time of wheat straw in distilled water during the intermediate washing step).

Material and Methods

Materials

Wheat (Triticum sativum, Soft White Superior) was harvested from a farm in Ontario, Canada in 2010. Dry bales of straw were milled using a Retsch Cutting Miller type SM 100 (Comeau Technique Ltee/Ltd., Vaudreuil-Dorion, Quebec, Canada) with a 2-mm outlet sieve. The milled wheat straw was stored in sealed plastic bags at room temperature, for a maximum of 3 months. Working with oak sawdust, Neely [16] stated that the optimum range for IWC should be 25–35 wt. %, while Vidal and Molinier [17] working with poplar sawdust obtained an optimum water content of 70 wt. %. Therefore, the IWC was studied in the range 30–70 wt. % in this research. It was adjusted by mixing the required amount of distilled water to 5 g (oven dry weight) wheat straw humid consistency. The humid straw was transferred right away to the ozonolysis reactor.

A cellulase mixture (NS22086) consisting mainly of endo-glucanase, exo-glucanase and β-glucosidase enzymes, and β-glucosidase (NS22118) were kindly donated by Novozymes Bioenergy [23]. The activity of the cellulase mixture (NS22086) was measured using LAP 009 procedure of NREL [24] and was found equal to 106 FPU/mL.

Ozonolysis

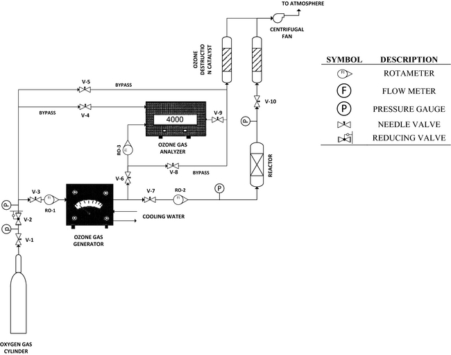
Figure 1 shows a schematic diagram of the ozonolysis reactor set-up for this project. Compressed oxygen gas from a cylinder went through an ozone gas generator (model GL-1; WEDECO, Xylem Water Solutions, Toronto, Ontario, Canada). Ozone concentration in the outlet stream from the ozone generator was measured using OZOCAN analyzer (Ozocan Corporation, Scarborough, Ontario, Canada). A total gas flow rate was set at 1 L/min containing 3 wt. % of ozone. It entered the reactor at the bottom where humid straw had been preloaded. Unreacted ozone in the outlet gas from the top of the reactor and in the bypass streams was destructed by passing the gas through a manganese dioxide catalyst (Ozocat Corporation). The Polytetrafluoroethylene (PTFE) reactor, with a diameter of 3.5 cm and height of 20 cm, was fitted at its bottom with a stainless steel mesh (sieve number 80) and a mesh holder, acting as a holder of the humid straw and as distributor of the ozone/oxygen gas. The top part of the reactor contained a similar arrangement to prevent the straw from moving to the ozone destruction zone.


Figure 1.


Figure 1.

Schematic illustration of the ozone generation and reactor system used in this study. Operating conditions: temperature = 298 K, pressure = 1 atm, reactor volume = 192 cm3, ozone/oxygen flow rate = 1 L/min and ozone concentration = 3 wt. %.

When ozonolysis was done in two stages, the ozonated straw from the first stage was removed from the reactor after a set WST. It was mixed with 100 mL of distilled water for complete immersion during a set WCT. This step was called the intermediate washing step. The aqueous suspension was then filtered through a glass microfiber filter under vacuum, and the straw was dried at 318 K. It was then either stored in a freezer at 253 K until subsequent enzymatic hydrolysis and/or analyses, or adjusted for IWC before being used in a second ozonolysis stage at the same conditions as the first one. At the end of the second stage, the straw was also filtered, dried, stored, hydrolyzed and/or analyzed.

Total solids (TS), MC, and AIL content and acid soluble lignin (ASL) content in raw and ozonated straw were measured using NREL laboratory procedures LAP 001, 003, and 004, respectively [24]. The values for untreated wheat straw were: TS = 92.31 wt. %, WC = 7.69 wt. %, AIL = 20.50 wt. %, and ASL = 2.30 wt. %.

Design of experiments

Wheat straw with an IWC of 50 wt. % and fiber size <2 mm was ozonated in one stage with a total contact time of 5, 15, 30, 60, 120, or 180 min, respectively. The ozonolysis time that caused significant delignification (low AIL content) without using an excessive amount of ozone gas was chosen as the total reaction time for a one-stage or a two-stage process.

Three parameters were studied on their influence the AIL content of straw. The IWC parameter was evaluated at 30, 50, and 70 wt. %, the WCT was 1, 3, and 5 min, and the WST was 1/3 or 2/3 of the total ozonolysis time determined above. A mixed-level factorial design (3 × 22) with two center points was used, and experiments were done in a random sequence. STATGRAPHICS® Centurion XV software (Statpoint Technologies, Inc., Warrenton, Virginia, USA) [25] generated an equation predicting the effect from each of the three parameters, and from their interactions, on the AIL content of the ozonated wheat straw. Confidence functions for experimental AIL were calculated at 97.5% probability.

Enzymatic hydrolysis

Enzymatic hydrolysis was performed on untreated and ozone-treated wheat straw at both fiber sizes of <2 mm, according to LAP 009 procedure of NREL [24], using a cellulase mixture (NS22086; 5% wt./wt. dry straw) plus β-glucosidase (NS22118; 0.6% wt./wt. dry straw). Two grams of oven-dried straw were suspended in 250 mL Erlenmeyer flasks in 50 mL acetate buffer 0.1 mol/L (pH 5.25), 1 mL aqueous sodium azide (2 wt. %) and 47 mL distilled water. Flasks were placed in an air incubator at 320 K and 68 rpm. Samples of 1.5 mL of the suspension were taken after 2, 4, 16, 40, 64, 88, 112, 136, and 160 h. They were centrifuged for 5 min at 2000 g, and the supernatant was tested for total reducing sugars (glucose equivalents) using the Dinitrosalicylic acid (DNS) method [26].

The hydrolysis yield compared the amount of reducing sugars experimentally released by the enzymatic hydrolysis of the cellulose and hemicellulose in wheat straw to the theoretical amount of reducing sugars expected to be released from the complete degradation of cellulose and hemicellulose (calculated from values reported by Mckean and Jacobs [27]) of 34 wt. % cellulose and 25 wt. % hemicellulose).

Results and Discussion

Determination of total ozonolysis (contact) time

Figure 2 shows that the AIL content of the ozonated wheat straw dropped rapidly from 20.5 wt. % to 13 wt. % in the first 30 min of a one-stage ozonolysis process but decreased very slowly after 60 min of ozonolysis time. The high rate of delignification in the first 30 min could indicate that most of ozone gas reacted with lignin present on the surface of the wheat straw. As the ozonolysis process continued, ozone gas might have reacted with some lignin decomposition fragments, and it might have become harder for ozone gas to reach lignin in the deep cavities of the wheat straw fibers. The delignification process could also have been slowed down due to the effect of demoisturizing of wheat straw due to the ozone/oxygen gas stream flow. An ozonolysis time of 30 min was chosen as the reference one-stage process and as the total reaction time for any subsequent two-stage process because a significant delignification of wheat straw was achieved at that time without using an excessive amount of ozone gas.


Figure 2.


Figure 2.

Acid Insoluble Lignin (AIL) content of ozonated wheat straw as a function of ozonolysis time. Five grams of wheat straw (dry weight), with fiber size <2 mm and Initial Water Content (IWC) = 50 wt. %, ozonated in a single stage at O3/O2 flow rate = 1 L/min and ozone concentration = 3 wt. %.

Regression model analysis

Experiments were then performed to determine when to start the intermediate washing step (WST, or length of the first ozonolysis stage) from the above total two-stage contact time of 30 min, and how long the washing step should last (WCT). Instead of a full 3-level factorial design, the STATGRAPHICS® Centurion XV software allowed us to use a 3 × 22 mixed-level factorial design, evaluating WST and WCT in a 22 factorial, IWC at 3 levels, and two center points (increasing the number of degrees of freedom of the error to 6) in a minimum of runs. Table 1 shows the result of the 14 runs. Although the lowest average experimental AIL content of ozonated wheat straw after the second stage of the process is shown to occur at runs #8 and 11, when IWC was set at 50 wt. % and WST at 20 min, WCT did not seem to have a substantial effect on delignification because the higher values of the AIL confidence functions were close to 12 wt. %, similar to other experimental AIL values. Increasing the IWC to 70 wt. % drastically reduced the average total delignification (AIL increased to 16 wt. %). Decreasing the IWC to 30 wt. % also reduced total delignification when compared with results of 50 wt. % IWC. Decreasing ozonolysis time of the first stage (WST) from 20 min to 10 or even 15 min, at IWC of 50 wt. %, also reduced total delignification (AIL increased to around 11–12 wt. %). A similar reduction occurred when IWC was set at 70 wt. % but the effect seemed much less profound than when IWC was set at 30 wt. %.

Table 1. Comparison between experimental and calculated (eq. (1)) AIL content
Run # IWC WST WCT AILexp ± CFa AILcalcb STDEVc
wt. % min min wt. % wt. % wt. %
  1. a

    Experimental AIL ± Confidence Function at 97.5% probability.

  2. b Calculated AIL using Eq. (1).
  3. c Standard deviation of AILexp.
1 50 15 3 10.53 ± 1.61 11.97 1.02
2 70 10 5 16.17 ± 2.60 18.49 1.64
3 50 15 3 10.66 ± 1.47 11.97 0.93
4 70 10 1 16.45 ± 2.78 18.94 1.76
5 70 20 5 15.47 ± 2.07 17.32 1.31
6 30 10 5 12.24 ± 0.95 13.09 0.60
7 70 20 1 15.49 ± 1.93 17.21 1.22
8 50 20 1 9.66 ± 2.03 11.47 1.28
9 50 10 1 11.97 ± 0.93 12.80 0.59
10 30 20 1 12.74 ± 0.22 12.93 0.14
11 50 20 5 9.59 ± 2.05 11.42 1.29
12 30 20 5 12.85 ± 0.15 12.72 0.09
13 30 10 1 13.43 ± 0.49 13.86 0.31
14 50 10 5 11.81 ± 0.42 12.19 0.27

The STATGRAPHICS® Centurion XV software calculated the regression equation which fitted the data for this mixed-level factorial design. It calculated a value of 1.0 for the variance inflation factor for each of the single effects (IWC, WST, WCT) and for the interaction effects (IWC2, IWC × WST, IWC × WCT, WST × WCT), indicating a lack of confounding among these effects.

Validation of the DOE results

The analysis of variance (ANOVA) for AIL is shown in Table 2, where the variability in AIL is partitioned into separate pieces for each of the effects. Three effects had P-values less than 0.05: IWC, the interaction term IWC2, and WST. This indicated that these terms were significantly different from zero at the 95.0% confidence level. Although the other terms showed to be nonsignificant from the standardized Pareto chart, they were kept in the model because they had a strong interaction on AIL. The correlation matrix for estimated effects showed an almost perfectly orthogonal design, indicating that clear estimates could be obtained for these effects. The coefficient of determination (R2) statistic indicated that the fitted model explained 96.4% of the variability in AIL. The adjusted R2 statistic, which is more suitable for comparing models with different numbers of independent variables, was 92.3%. No indication of serial autocorrelation in the residuals occurred at the 5.0% significance level, as was revealed by the Durbin–Watson statistic. Consequently, the fitted model with values of the variables specified in their original units was:

(1)

Table 2. Analysis of variance for AIL
Source Sum of squares Df Mean square F-ratio P-value
A:IWC 18.9728 1 18.9728 45.06 0.0005
B:WST 3.27608 1 3.27608 7.78 0.0316
C:WCT 0.216008 1 0.216008 0.51 0.5007
AA 45.7189 1 45.7189 108.59 0.0000
AB 0.31205 1 0.31205 0.74 0.4223
AC 0.07605 1 0.07605 0.18 0.6856
BC 0.226875 1 0.226875 0.54 0.4906
Total error 2.52607 6 0.421012    
Total (corr.) 71.3248 13      

The accuracy of Equation (1) was also validated by comparing the experimental AIL values used to generate this equation to those predicted from it. Table 1 shows that the maximum standard deviation between those two sets of data was 1.76 wt. %.

Figure 3 shows the model predictions of the response surface for the AIL content of ozonated wheat straw when two of the studied parameters were varied from their lowest experimental value to their highest one while the third parameter was fixed at its middle value. When WCT was fixed at 3 min of contact washing (Fig. 3A), maximum delignification (lowest AIL content of 10 wt. %) occurred when IWC was 45 wt. % and WST was 10 min. Figure 3B shows a similar trend in the response surface when WST was fixed at 15 min, proving that the greatest effect on AIL content came from IWC. Although a longer first ozonolysis first step (WST) led to some improvement in delignification, WCT had the smallest effect on the process (Fig. 3C). This might mean that lignin fragments produced by reaction with ozone almost instantaneously diffused from the treated wheat straw to the bulk of the washing water.


Figure 3.


Figure 3.

Predicted response surface plot for the variation in AIL content of ozonated wheat straw: (A) IWC and WST while WCT is fixed at 3.0 min, (B) IWC and WCT while WST is fixed at 15 min, (C) WST and WCT while IWC is fixed at 50 wt. %. Five grams of wheat straw (dry weight) with fiber size <2 mm were ozonated in two stages at O3/O2 flow rate = 1 L/min and ozone concentration = 3 wt. %. A 100 mL of washing water was used in the intermediate washing step.

The software-calculated values of the parameters for maximum delignification were found to be for IWC at 45 wt. %, WST at 20 min, and WCT at 80 sec. Working at these values, the AIL content dropped from 20.5 wt. % for untreated wheat straw to 9.34 wt. % (data not shown). To verify whether increasing WST past 20 min could further decrease the AIL content, an experiment done at the optimum conditions but with WST of 25 min did not result in a substantial AIL decrease (data not shown). These results show significant improvement over those obtained by García-Cubero et al. [18], who reported an AIL content of 11.2 wt. % reached after 2.5 h of a single ozonolysis stage with very similar operating conditions, that is, water content equal to 40 wt. %, ozone/air flow rate equal to 1.5 L/min, ozone concentration of 3 wt. % and wheat straw fiber size of 3–5 mm. The same conclusion was achieved when comparing to results of Bule et al. [19], who achieved an AIL content of 13.0 wt. % after 120 min of a single ozonolysis process using 3 g wheat straw with particle size of 0.25 mm, and with 5.3 wt. % ozone concentration at a flow rate of 2 L/min.

Although this drop in AIL content was considered a significant improvement in the delignification of wheat straw, it was believed that the process could be further improved since the water content of the wheat straw entering the second stage was 72 wt. %, much higher than the optimal value predicted for wheat straw entering the first stage, due to the intermediate washing and filtration step. After adjusting to 45 wt. %, the AIL content of treated wheat straw after the second ozonolysis stage further dropped to 7.36 wt. %. This proves how influential the water content of the straw is on delignification by ozone.

Enzymatic hydrolysis of wheat straw

Enzymatic hydrolysis of the delignified wheat straw after ozonolysis was performed to verify the veracity of the improved process. Figure 4 shows how much sugars were released from untreated and ozonated wheat straw during their hydrolysis by cellulases. Untreated wheat straw (control) showed a steep increase to about 15% of the sugars theoretically present in the straw, in the first 5 h of hydrolysis. This might represent a period during which cellulases access any exposed cellulose surfaces produced during milling of the straw. After that period, cellulases seem to find it harder to reach the cellulose and hemicellulose inside the wheat straw, possibly due to the presence of lignin. A plateau of around 23% theoretical was reached in about 50 h.


Figure 4.


Figure 4.

Enzymatic hydrolysis of untreated and ozonated wheat straw.

When hydrolysis occurred on wheat straw that was delignified at the optimum values of IWC (45 wt. %), WST (20 min), and WCT (80 sec), (called “optimum” on Fig. 4), the sugar yield was about 1.3 times higher than for straw ozonated in one step (called “one step”) and four times more than for untreated wheat straw. It demonstrates that a two-stage delignification process with an intermediate washing step was more effective than a one-stage process for the same total treatment time because many of the lignin acid fragments are washed away, allowing ozone to attack more of the lignin present in the straw during the second contact stage. The highest sugar yield (around 90% theoretical) occurred when the water content of straw entering the second stage was further adjusted to 45 wt. % (called “enhance”). The fact that a slight drop in AIL content from 9.35 wt. % (for “optimum” straw) to 7.36 wt. % (for “enhance” straw) can result in a 10% increase in sugar yield proves that removing lignin provides better access to the straw cellulose and hemicelluloses.

Conclusion

The ozonolysis pretreatment of wheat straw in two stages, coupled with an intermediate washing step, improved the extent of delignification compared to the commonly used one-stage delignification by ozone. Maximum delignification of wheat straw was achieved with an IWC in the straw of 45 wt. %, a 20-min first stage of ozonolysis (WST), and a washing time (WCT) of 80 sec. When these conditions for a two-stage approach was used, the straw AIL content was reduced from 13.05 wt. % (for 30 min in a one-stage process) to 9.34 wt. %, and the sugar yield of the wheat straw increased from 60% theoretical to 80% theoretical.

The IWC of wheat straw was shown to have the most significant effect on the ozonolysis delignification process compared to the other two parameters, that is, WST and WCT. Adjusting the water content of straw, prior to entering the second stage, to the optimal predicted IWC value of 45 wt. % further improved the delignification process (AIL content decreased to 7.36 wt. %) and the hydrolysis into fermentable sugars (sugar yield) increased to 90% theoretical.

We have successfully proven that 30-min of a two-stage delignification process by ozone, coupled with a quick intermediate washing step and a readjustment of the straw water content to 45 wt. %, significantly reduced the lignin (AIL) content of humid nonsubmerged wheat straw from 13 wt.% to 7 wt. %. Because lignin was no longer present to preferentially bind with the cellulases, the cost of supplying enzymes for the hydrolysis will drastically be reduced. In this improved delignification process, approximately one quarter of the ozone used by a one-stage process would actually be required, representing another huge cost reduction.

Conflict of Interest

None declared.

References

  1. Wyman, C. E.. 1999. Biomass ethanol: technical progress, opportunities, and commercial challenges. Annual Review Energy Environment24:189–226.
  2. Wang, M., M. Wu, and H. Huo. 2007. Life-cycle energy and greenhouse gas emission impacts of different corn ethanol plant types. Environ. Res. Lett.2:1–13.
  3. Yat, S. C., A. Berger, and D. R. Shonnard. 2008. Kinetic characterization of dilute surface acid hydrolysis of timber varieties and switchgrass. Bioresour. Technol.99:3855–3863.
  4. Hendriks, A. T. W. M., and G. Zeeman. 2009. Pretreatments to enhance the digestibility of lignocellulosic biomass. Bioresour. Technol.100:10–18.
  5. Broder, J. D., J. W. Barrier, K. P. Lee, and M. M. Bulls. 1995. Biofuels system economics. World Resource Review7:560–569.
  6. Alvira, P., E. Tomás-Pejó, M. Ballesteros, and M. J. Negro. 2010. Pretreatment technologies for an efficient bioethanol production process based on enzymatic hydrolysis: a review. Bioresour. Technol.101:4851–4861.
  7. Sousa, L. D., S. P. S. Chundawat, V. Balan, and B. E. Dale. 2009. Cradle-to-grave assessment of existing lignocellulose pretreatment technologies. Curr. Opin. Biotechnol.20:339–347.
  8. Zheng, Y., Z. Pan, and R. Zhang. 2009. Overview of biomass pretreatment for cellulosic ethanol production. Int. J. Agric. Biol.2:51–68.
  9. Wyman, C. E.. 1996. Handbook on Bioethanol: production and Utilization. Taylor & Francis, Washington, DC.
  10. Conde-Mejía, C., A. Jiménez-Gutiérreza, and M. El-Halwagi. 2012. A comparison of pretreatment methods for bioethanol production from lignocellulosic materials. Process Saf. Environ.90:189–202.
  11. Hsu, T. A., M. R. Ladisch, and G. T. Tsao. 1980. Alcohol from cellulose. J. Chem. Technol. Biotechnol.10:315–319.
  12. Kumar, P., D. M. Barrett, M. J. Delwiche, and P. Stroeve. 2009. Methods for pretreatment of lignocellulosic biomass for efficient hydrolysis and biofuel production. Ind. Eng. Chem. Res.48:3713–3729.
  13. Talebnia, F., D. Karakashev, and I. Angelidaki. 2010. Production of bioethanol from wheat straw: an overview on pretreatment, hydrolysis and fermentation. Bioresour. Technol.101:4744–4753.
  14. Ben-Ghedalia, D., and J. Miron. 1981. The effect of combined chemical and enzyme treatment on the saccharification and in vitro digestion rate of wheat straw. Biotechnol. Bioeng.23:823–831.
  15. Ben-Ghedalia, D., and G. Shefet. 1983. Chemical treatments for increasing the digestibility of cotton straw. J. Agr. Sci.100:393–400.
  16. Neely, W. C.. 1984. Factors affecting the pretreatment of biomass with gaseous ozone. Biotechnol. Bioeng.26:59–65.
  17. Vidal, P. F., and J. Molinier. 1988. Ozonolysis of lignin - Improvement of in vitro digestibility of poplar sawdust. Biomass16:1–17.
  18. García-Cubero, M. T., G. González-Benito, I. Indacoechea, M. Coca, and S. Bolado. 2009. Effect of ozonolysis pretreatment on enzymatic digestibility of wheat and rye straw. Bioresour. Technol.100:1608–1613.
  19. Bule, M. V., A. H. Gao, B. Hiscox, and S. Chen. 2013. Structural modification of lignin and characterization of pretreated wheat straw by ozonation. J. Agr. Food Chem.61:3916–3925.
  20. Wu, J., S. Upreti, and F. Ein-Mozaffari. 2013. Ozone pretreatment of wheat straw for enhanced biohydrogen production. Int. J. Hydrogen Energy38:10270–10276.
  21. Contreras, S.. 2002. Degradation and biodegradability enhancement of nitrobenzene and 2,4-dichlorophenol by means of advanced oxidation processes based on ozone. PhD Thesis, University of Barcelona, Spain.
  22. Mamleeva, N. A., S. A. Autlov, N. G. Bazarnova, and V. V. Lunin. 2009. Delignification of softwood by ozonation. Pure Appl. Chem.81:2081–2091.
  23. Novozymes Bioenergy. 2012. Enzymes for the hydrolysis of lignocellulose materials 2012. Available at http://www.bioenergy.novozymes.com/en/cellulosic-ethanol/samples/Documents/Application_Sheet_Cellulosic%20ethanol_enzyme_kit_Final.pdf. (Accessed 01 May 2012).
  24. National Renewable Energy Laboratory (NREL). 1995. Chemical Analysis and Testing Laboratory Analytical Procedures 1995. Available at http://infohouse.p2ric.org/ref/40/39182.pdf. (Accessed 10 September 2011).
  25. Stat Point Technologies Inc. 2011. Statgraphics Centurion XV, 2011. Available at http://www.statgraphics.com/downloads.htm. (Accessed 02 July 2011).
  26. Ghose, T. K.. 1987. Measurement of cellulase activities. Pure Appl. Chem.59:257–268.
  27. MckeMckean, W. T., and R. S. Jacobs. 1997. Wheat Straw as a Paper Fiber Source. The Clean Washington Center, Washington.
Back to Top

Document information

Published on 01/06/17
Submitted on 01/06/17

Licence: Other

Document Score

0

Views 32
Recommendations 0

Share this document

claim authorship

Are you one of the authors of this document?