1. Introducción

El software de análisis de imágenes desarrollado durante el proyecto ASSISTER pretendía constituir una aplicación basada en la integración de inteligencia artificial (IA) en diferentes procesos productivos de la empresa, de forma que se optimizase el proceso afectado. Concretamente, en el ámbito de los ensayos de materiales compuestos el objetivo perseguido consistía en el desarrollo de un prototipo no industrializable basado en la aplicación de IA a los ensayos de identificación de defectos apoyado en imágenes macro y micrográficas para materiales aeronáuticos. En concreto, se decidió trabajar con un tipo de ensayos que implica análisis de imágenes. Concretamente se ha abordado la identificación y cuantificación de defectos en materiales compuestos empleados en el sector aeronáutico, enmarcado en el Laboratorio de Microscopía, centrando el estudio en la identificación de poros y huecos.

Para abordar este proyecto se realizó un estudio del estado del arte inicial, abarcando tanto la defectología presente la fabricación con materiales compuestos [1 a 3], como las diferentes técnicas de Machine learning y Deep learning aplicables a la identificación automática de imágenes [4 a 6]. De los trabajos analizados, se concluyó que para la identificación de imágenes los algoritmos de Deep Learning de Redes Neuronales Convolucionales (CNN), y sus diferentes derivados, son los que conducen a mejores resultados. Se pueden conseguir valores de precisión con cantidades de datos asumibles y tiempos de entrenamiento y procesado aceptables. Además, en alguno de los trabajos analizados se observó que, para ciertos modelos, el proceso de etiquetado de los datos de entrada no tiene por qué ser totalmente preciso.

Alternativamente a los algoritmos de CNN, se observó que con las redes neuronales del Machine Learning también se obtienen buenos resultados, especialmente con los algoritmos ANN. Por ello, se propusieron inicialmente estos dos algoritmos, CNN y ANN, como punto de partida para desarrollar los modelos de predicción a emplear en el proyecto ASSISTER. La decisión final sobre el algoritmo a emplear fue consensuada con la OPI subcontratada en este proyecto, dado su experiencia de trabajo en esta materia.

Tras revisar la cantidad de imágenes disponibles en las bases de datos de titania, y la tipología y cuantificación de defectos de interés presentes (poros y huecos), se consideró necesario realizar fabricaciones de probetas de fibra de carbono, tanto en tejido como en cinta. Las fabricaciones se han realizado tratando de obtener porcentajes elevados de poros y huecos, considerándose necesaria la fabricación de al menos 150 probetas para tener una base de datos lo suficientemente grande como para entrenar y validar adecuadamente los modelos de inteligencia artificial desarrollados.

2. Desarrollo experimental

2.1. Fabricación de probetas de ensayo

El objetivo inicial de esta tarea era la fabricación de probetas necesarias para el desarrollo del software, tanto a nivel de desarrollo del modelo predictivo como para la validación del mismo. Para poder entrenar los modelos predictivos de IA es necesario contar con una extensa base de datos de imágenes, obtenidas por micrografías de sección transversal de probetas fabricadas en la empresa. Para ello se empleó el material disponible en titania, concretamente:

  • Prepreg de cinta MTC510-UD300-HS-33%-RW-300
  • Prepreg de tejido MTC510-C200-PW-HS-3K-42%-RW-1250 TAFETAN

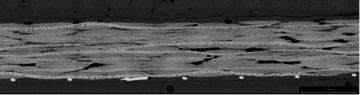
Este material es un prepreg de curado en estufa, que tiene un ciclo de curado óptimo de 4 horas a 100°C, con vacío constante de 1 atmósfera. La Figura 1 incluye una micrografía tomada de este tipo de muestras cuando se fabrica en estas condiciones.

Draft Gago 850464148-image1.png
Draft Gago 850464148-image2.png


Figura 1. Micrografía de muestras fabricadas con ciclo de curado optimizado. Superior: Cinta. Inferior: Tejido

Al inicio de la actividad, se planteó fabricar probetas que tuvieran defectos de tipo poro y hueco inducidos, con el objetivo de facilitar el entrenamiento de los modelos predictivos. Para ello, se consideró hacer fabricaciones en las que no se siguiera el ciclo de curado indicado en la ficha técnica del material. Concretamente, las primeras pruebas fueron llevadas a cabo realizando el curado del material sin vacío, lo que llevaría a una mala compactación de capas y, por tanto, a la aparición de poros y huecos. La Figura 2 muestra las micrografías tomadas para este tipo de muestras.

Draft Gago 850464148-image3.png
Draft Gago 850464148-image4.png
Figura 2. Micrografía de muestras fabricadas con curado sin vacío. Superior: Cinta. Inferior: Tejido

Las muestras obtenidas en las fabricaciones sin vacío muestran una cantidad de poros y huecos que se alejaban excesivamente de la realidad del trabajo diario. En base a esto, se decidió que, de cara a entrenar un modelo que fuera realista y útil de cara al trabajo de producción realizado en titania, lo correcto era fabricar muestras siguiendo el ciclo de curado indicado por la ficha técnica.

De esta forma, y de cara a completar la batería de muestras necesarias para entrenar los modelos predictivos, se fabricaron las siguientes cantidades de material.

  • 8 paneles de cinta unidireccional, de 75 x 75 mm
  • 6 paneles de tejido, de 75 x 75 mm

Las fabricaciones se realizaron en la sala limpia de las instalaciones de titania, siguiendo los procedimientos internos de fabricación. El laminado del material se realizó de forma manual, según el lay-up deseado. Una vez finalizada esta etapa, se procede a preparar la bolsa de vacío y a compactar las capas. Tras esto, el material está listo para ser introducido en autoclave para curado.

Una vez finalizado el curado, el laminado fabricado pasa a taller, donde se cortan las probetas para su posterior montaje metalográfico. De cada panel fabricado (originalmente de 75 x 75 mm), se obtienen 6 probetas de 25 x 10 mm. De esta forma, se han obtenido 87 muestras para hacer preparaciones metalográficas. En el laboratorio de Microscopia, se prepararon las pastillas metalográficas, de cara a dejar las muestras listas para su inspección microscópica.

Para la validación del modelo desarrollado, se decidió entrenar el modelo con muestras del histórico de titania, que incluía más variedad de imágenes de distintos materiales y estructuras. Por ello, se optó por trabajar con materiales disponibles en titania, procedentes de diferentes trabajos y proyectos realizados. Así, se han preparado muestras de cinta, tejido y sándwich.

Así, para esta tarea se fabricaron un total de 10 paneles de diferentes tipos de material. En función del material disponible de cada uno de ellos, se obtuvieron diferentes números de probeta. En total, se han obtuvieron un total de 50 muestras de ensayo.

2.2. Creación de la base de datos de imágenes

La carga de trabajo del desarrollo del modelo predictivo corrió a cargo del Grupo de Investigación de Ingeniería Biomédica y Telemedicina (IBT, PAIDI TIC-212), de la Universidad de Cádiz (UCA). Este grupo fue el encargado de diseñar y desarrollar una herramienta para la creación de la base de datos de imágenes requerida para el desarrollo del modelo, dotada de una herramienta de etiquetado de los defectos. Titania por su parte, se encargó de la adquisición de las imágenes, y su etiquetado por parte de personal debidamente cualificado y experimentado.

Las imágenes se han capturado con un microscopio híbrido con distancia focal variable LEICA DVM6. Este equipo permite adquirir micrografías de la superficie del composite a alta magnificación. En este caso, se decidió trabajar a una magnificación de 100X. Este equipo permite realizar montajes micrográficos que cubren toda la superficie de la muestra analizada, mediante un modo de trabajo llamado “Stitching”. Una vez adquiridas las imágenes, se procedió a la cuantificación de los poros presentes en la muestra siguiendo los procedimientos de ensayo habituales de titania, Figura 3.

Draft Gago 850464148-image5.png
Figura 3. Detección de poros y huecos por método manual

Adicionalmente, se empleó la herramienta de etiquetado de imágenes para dotar al modelo de información procesable, identificando en ella la región de interés (ROI), así como la presencia de los distintos defectos de interés, Figura 4.

Draft Gago 850464148-image6.png
Draft Gago 850464148-image7.png
Figura 4. Imagen de muestra de fibra de carbono. Superior: Sin anotaciones. Inferior: Con anotaciones

En total, se obtuvieron y etiquetaron 87 imágenes preparadas específicamente para el desarrollo del modelo, procedentes de fabricaciones específicas de titania para el proyecto. Estas imágenes fueron complementadas con 42 imágenes adicionales de material compuesto de fibra de vidrio, y 66 imágenes de material compuesto de fibra de carbono, procedentes de trabajos y proyectos anteriores. Esto computa por un total de 195 imágenes, sobrepasando así las 150 imágenes previstas inicialmente.

2.3. Desarrollo del modelo predictivo

Desde el punto de vista del procesamiento de imagen, el proceso de segmentación y cuantificación automática de poros y huecos en imágenes microscópicas de FRPs consta de los siguientes pasos:

1) Detección de la escala de la imagen: Este paso implica determinar la escala de la imagen, necesaria para discriminar entre huecos y poros en la imagen. Para ello se aplica un OCR (Reconocimiento Óptico de Caracteres) para determinar el dígito y unidad de la escala y se detecta (segmenta) automáticamente la línea que determina el número de pixels para realizar la conversión pixels→mm. La detección e interpretación de la escala supone un reto cuando el formato de estas etiquetas en las imágenes no es homogéneo.
2) Segmentación de ROIs: la presencia de texturas y la variabilidad de las imágenes de los conjuntos proporcionados supone un reto para una fina detección de las ROIs en las imágenes de fibra de carbono y vidrio FRP. Se han aplicado algoritmos de segmentación basados en aprendizaje profundo para identificar las ROIs donde realizar la detección de poros y huecos.
3) Una vez detectadas las ROIs, utilizando técnicas de visión por computadora como umbralización, segmentación de contornos y morfología matemática, se detectan y cuantifican los poros y huecos dentro de las ROIs identificadas.

Este enfoque integral permite una detección precisa y eficiente de poros y huecos en imágenes microscópicas de FRPs, mejorando significativamente el proceso de inspección y evaluación de la calidad de estos materiales compuestos.

En lo referente a los modelos de aprendizaje automáticos empleados, el problema de detección de ROIs en imágenes de fibra de carbono y vidrio FRP se ha resuelto empleando un modelo de segmentación de instancias YOLOv8 (You Only Look Once). Para entrenar el modelo Yolov8 de segmentación de ROIs, se ha empleado transfer learning como estrategia clave y data augmentation para el incremento del conjunto de entrenamiento.

Se han considerado 3 conjuntos de entrenamiento-validación diferentes, que han dado lugar a 3 modelos distintos de segmentación de ROIs, mostrados en la Tabla 1.

Nº de imágenes de entrenamiento Nº de imágenes de test
YOLOV8 - Fibra de carbono 72 14
YOLOV8 - Fibra de carbono 215 14
YOLOV8 - Fibra de vidrio 168 12


Tabla 1. Modelos de segmentación de ROIs, tras aumento de datos

La evaluación de la cuantificación se realizó sobre 3 imágenes de CFRP proporcionadas por parte de TITANIA con dicha información. La Tabla 2 muestra los valores de cuantificación proporcionados por Titania y los datos calculados con el software ASSISTER.

Resultados titania Resultados ASSISTER
Area (mm2) Área poros (mm2) Poros (%) Área (mm2) Área poros (mm2) Poros (%)
FC 1 54,87 1,656 3,02 51,99 1,53 2,95
FC 2 55,5 2,818 5,08 52,47 2,67 5,10
FC 3 55,66 2,187 3,93 52,38 2,06 3,93


Tabla 2. Resultados de cuantificación obtenidos por técnico cualificado de Titania y con la herramienta ASSISTER

3. Resultados y discusión

La Figura 5 muestra una imagen del software desarrollado para la detección y cuantificación de poros y huecos en muestras de material compuesto.

Draft Gago 850464148-image8-c.png
Figura 5. Muestra de material compuesto con poros y huecos identificados por la IA

La validación de la herramienta se realizó mediante el empleo de 50 imágenes de referencia obtenidas de trabajos previos de titania. Para las probetas evaluadas con el modelo predictivo, se han establecido tres niveles de aceptación, en función de los resultados obtenidos. Es necesario aclarar que, para cualquiera de las categorías establecidas, personal del laboratorio de Microscopía supervisará los resultados obtenidos y verificará la categoría asignada.

  • Aceptable: El ROI se ha detectado correctamente, y la identificación y cuantificación de poros y huecos es correcta.
  • Necesita revisión: Se da en probetas en las que existe la duda de si el porcentaje identificado como %huecos en realidad se corresponde con %poros.
  • No aceptable: Son los casos en los que los ROIs se identifican de forma errónea, el software no identifica nada de la probeta y/o los resultados de la identificación y la cuantificación no son coherentes con los resultados obtenidos por el método estandarizado.

A continuación, la Tabla 3 muestra los resultados obtenidos de la validación de la herramienta desarrollada.

Clasificación Nº de muestras % Nº de muestras tras revisión %
Muestras aceptables 21 42 25 50
Muestras pendientes de revisión 8 16 0 0
Muestras no aceptables. 21 42 25 50


Tabla 3. Resultados de la validación del modelo predictivo

4. Conclusiones

A la vista de los resultados obtenidos, se plantean las siguientes conclusiones.

  • Los resultados obtenidos para el modelo predictivo de identificación y cuantificación de defectos en muestras de material compuesto de fibra de carbono hacen que la validación del modelo sea desfavorable.
  • A nivel de detección de poros, los resultados obtenidos son positivos. En base a los resultados obtenidos en muestras reales de producción, en las que en muchas de ellas el porcentaje de poros es del 0%, se observa que el modelo desarrollado es capaz de detectar la ausencia de poros.
  • Los malos resultados obtenidos con este modelo se han relacionado con dos factores: mala detección de ROIs y mala detección de huecos. En muchos casos, el modelo no es capaz de detectar correctamente la zona de análisis (ROI), lo que limita el uso de la herramienta.
  • En el caso de la detección de huecos, se han identificado dos problemáticas. Por un lado, en ocasiones el modelo no es capaz de distinguir un defecto tipo poro de una zona de resina, lo que incremental el porcentaje de defectos. En otros casos, se ha detectado que el modelo confunde poros con huecos. Esto se ha relacionado con que se ha definido un tamaño de poros y huecos muy específico. Puede ocurrir que, en el método estandarizado, este umbral no esté tan claramente definido, puesto que se trata de un procedimiento manual.
  • A pesar de los resultados poco favorables obtenidos para este modelo, se han detectado los puntos en los que se debe mejorar el modelo para mejorar su eficacia.
  • Debe entrenarse el modelo incluyendo probetas de material compuesto en las que la diferencia entre poros y huecos sea evidente. Esto mejorará la diferenciación entre los dos tipos de defectos.
  • Aumentar el número de probetas con las que se entrena el modelo, para mejorar la detección del ROI.
  • Modificar la forma de representar poros y huecos. La representación de defectos debe ajustarse a la morfología del defecto, y no simplificarse a formas geométricas sencillas.

5. Bibliografía

[1] J. Chen, Z. Yu and H. Jin, “Nondestructive testing and evaluation techniques of defects in fiber-reinforced polymer composites: A review”, Frontiers in Materials, vol. 9, 2022. DOI: 10.3389/fmats.2022.986645

[2] A. Zarei, S. Farahani and S. Pilla, “An experimental study on the manufacturing of engineered defects in composite plates”, Composites Part C: Open Access, vol. 9, 2022. DOI: 10.1016/j.jcomc.2022.100327

[3] Airbus S.A.S Engineering Directorate. Airbus Test Method. Macroscopic and Microscopic Examination of Fiber Reinforced Plastic. 2010.

[4] M. Azimi, A. D. Eslamlou and G. Pekcan, “Data-driven structural health monitoring and damage detection through deep learning: State-of-the-art review”, Sensors, vol. 20, 2020. DOI: 10.3390/s20102778

[5] A. T. G. Tapeh and M. Z. Naser, “Artificial intelligence, machine learning, and deep learning in structural engineering: A scientometrics review of trends and best practices”, Archives of computational methods in engineering, vol. 30, 2022. DOI: 10.1007/s11831-022-09793-w

[6] C. Bishop, “Pattern recognition and machine learning”, Journal of electronic imaging, vol. 16, 2006, DOI: 10.1117/1.2819119

Back to Top

Document information

Accepted on 23/07/25
Submitted on 18/07/25

Licence: Other

Document Score

0

Views 10
Recommendations 0

Share this document

claim authorship

Are you one of the authors of this document?