Abstract

Technology advances have enabled modification of the size and shape of the electronic components to the microscale, with commensurate scaling down of their power requirements to milliwatts and microwatt range. Consequently, many complex electronic systems and devices such as wearable medical and autonomous devices consume power in the range less than 200 μW, and wireless sensor networks in the range μW to 100 mW are operated on battery power. Due to the salient limitations of battery power, such as longevity of charge and where applicable, the requirement for periodic recharging, possibilities for utilization of autonomous energy sources is critical for operation of such devices. Ambient energy sources, such as vibrations (1 μW to 20 mW), motion (wide range in power outputs), temperature gradient (0.5–10 mW), radiofrequency waves (>180 μW/cm2), light (100 μW/cm2 to 100 mW/cm2), acoustics (0.003–0.11 μW/cm2), and many other, have the potential to directly power the electronic device. Ambient energy harvesting, when used separately or in conjunction with batteries, will enhance the longevity of equipment operations requiring portable or autonomous power supply. This paper reviews the state of the art in energy-harvesting techniques, power conversion, and characterization of mini- and microscale self-sustaining power generation systems in the range 600 μW to 5 W, specifically focusing on low-power system applications, for personal assistive and mobile technology devices.

Introduction

Advanced technology trends underscore the emergence and increasing importance of low-energy consuming and portable/miniature electronic equipment such as wearable medical and autonomous assistive technology devices [1-4]. In many cases, power is the limiting factor for such devices; hence, are operated with wired or wireless sensor–transducer–actuator configurations that are powered by batteries [5-8]. However, in such applications, batteries have several disadvantages in: the need to either replace or recharge them periodically from fixed power sources, and their relatively large size and weight [9, 10]. These limitations may be considered to be negative trade-off to the more crucial functional adaptability or portability. An increasingly practicable possibility for overcoming the limitations of batteries as a power source is to extract/harvest ambient energy to either recharge them, or even to directly power the specific electrical loads [11]. Energy harvesting has therefore become an attractive proposition for powering a wide variety of autonomous microsystems such as wireless sensors [12], biomedical implants [13], application in space technology [14], military monitoring devices for harsh combat or training conditions [15], structure-embedded instrumentation [16], remote weather station [17], and electronic devices such as portable calculators, watches, and Bluetooth headsets. This paper reviews energy-harvesting technology devices that could be adopted for with a range of ambient energy sources. It aims to analyze the quantified performance of a range of technologies that could be used to minimize the dependency or even eliminate the use of batteries as the primary power source in specific applications. The primary focus is on the energy-harvesting techniques, for example, piezoelectric transducers [18], electromagnetic induction [19], thermoelectric effect [20] that would be required to harvest energy and run the low-power electronics because compared to other micro-harvesting energy sources, vibrational, thermal, and motive energy form are relatively robust sources of ambient power.

Rationalization for Ambient Energy Harvesting

In recent time, the cost-effectiveness and therefore the rationale for implementation of energy-harvesting technologies for powering wireless devices in the context of increased longevity of battery life and increasing energy density of modern batteries has been extensively addressed [21-23]. However, batteries still have secondary limitations with respect to reliability, environmental impact at disposal, and lifetime operation cost of the associated equipment, including charging cost [24]. There are immense opportunities for energy savings and energy management in the currently battery powered or directly wired devices and energy management system. For example, smart buildings with embedded energy-harvesting technologies have recorded up to 60% savings on average annual energy costs, with 40% of the lightening energy costs achieved by avoiding the use and changing of batteries and up to 80% saving in the cost of retrofitting wired solutions [24]. Also, in special purpose applications that necessitate the deployment of batteries in hard-to-access locations, for example, underground soil sensors, maintenance cost for unearthing, and replacement of exhausted batteries may be prohibitive [25].

The limitations associated with battery charging, arising from the finite lifetime of ordinary batteries, are particularly acute in applications involving wireless sensor nodes deployed in hard-to-reach locations (e.g., in remote or hazardous industrial environments, medically implantable devices, etc.), which makes regular changing both costly and inconvenient [22]. Many batteries are rated for a typically 3- to 10-year lifetime; but in most practical applications they last for significantly less, often months rather than years. The longevity is dependent on both the duty cycle of the tasks to be powered and the service environment conditions, including self-discharge [24]. For self-discharge alone, it has been estimated that new chemical batteries can lose up to 8–20% of their original charge per annum at operating temperature of about 20–30°C. Another considerable disadvantage is that a battery contains elements that may be harmful to the environment if not disposed properly [26]. For example, the heavy metal content in portable rechargeable batteries such as NiMH and Li-ion batteries far exceed toxicity threshold limit concentration, of solid waste by up to 40 folds. Consequently, spent batteries must be handled as toxic and hazardous wastes which bares premium costs for disposal [26].

Ambient energy can be harvested using transducers that convert a range of primary sources to electrical energy [13]. The typical characteristics of some common energy-harvesting transducers are summarized in Table 1 [27]. The typical power density of ambient energy sources is shown in Table 2. Ambient energies harvester such as a solar cell can generate 100 mW/cm2 from direct sunlight and 100 μW from artificial lighting, whereas harnessing electromagnetic radiation through a rectenna produces 1 μW/cm2.

Table 1. Characteristics of common energy-harvesting transducers (adapted from Yildiz [27])
Energy form Power density
Temperature variation 10 W/cm3
Ambient light
Direct sunlight 100 mW/cm2
Artificial lighting 100 μW/cm2
Thermoelectric 60 μW/cm2
Vibration (microgenerator) μW/cm3 (human motion – Hz)
800 μW/cm3 (machines – kHz)
Vibration (piezoelectric) 200 μW/cm3
Walking step 7 W/cm2
Acoustic noise 0.003 μW/cm2 at 75 dB
0.11 μW/cm2 at 110 dB (Li et al. [64])
Ambient radio frequency 180 μW/cm2 (Singh et al. [121])
Blood flow 800 μW ([122])
Electrostatic energy 160 μW (Renaud et al. [123])
Body heat (dissipation at ambient temperature 28°C) 6 mW/cm2 (Sarpeshkar [124])

Table 2. Typical power density of ambient energy sources (adapted from Cymbet Corporation Ltd. [31])
Energy source Challenges to deployment Typical electrical impedance Typical output voltage Typical power output
Light Conform to small surface area; wide input voltage range

Varies with light input

Low kΩ to 10s of  kΩ


0.5–5 V depends on number of cells in arrays 10–15 μW (outdoor 0.15–15 mW, indoor <500 μW)
Vibration Variability of vibration frequency Constant impedance 10s of kΩ to 100 kΩ AC: 10s of Volts μW to 20 mW
Thermal Small thermal gradients; efficient heat sinking Constant impedance 1–100 Ω DC: 10s of mV to 10 V 0.5–10 mW(20°C gradient)
RF and inductive Coupling and rectification Constant impedance kΩ AC: varies with distance and power. The voltage recorded as 0.5–5 V Wide range

From data summarized in Table 1 above, energy from passive human activity appears to be the most underutilized ambient energy source. It has been estimated that humans are capable of operating machines (e.g., cranks, levers, springs, etc.) to generate power in the range from few milliwatts up to or more than 500 W [28, 29], the upper end of this range corresponding to short-duration athletic performance. However, persons of average size and fitness would capable of generating several electrical watts with essentially unconscious effort, by deforming miniature electromechanical elements adapted into wearable items such as footwear [30]. Reimer and Shapiro [1] theoretically proved that up to 4 W could be generated with a 4-mm compression of a shoe sole that is easily achieved at natural pace, that is, two steps per second (or 1 Hz per insert) by a person of 80 kg. The maximum energy that can be generated, assuming that 50–80% of the energy during walk is stored as elastic energy in the shoe would be 2 W. It has been argued that human walk at normal pace is a potential source to generate electric energy, which could run low-power electronics or recharge a battery.

The ambient energy capture and conversion primarily present practicable solutions for recharging rather than eliminating batteries entirely as autonomous power sources. Most applications will still require electric storage batteries to provide on-demand power when resource is fluctuating, and also enable the optimal management of the energy captured from ambient sources with variable and/or intermittent intensity, such as the sun and wind.

Characterization of underpinning energy-harvesting methods and supporting technologies

There is a wide range of ambient energy sources. They include mechanical and thermal energy emitted from the human/animal body, naturally energy sources (e.g., wind, hydro, wave, solar), mechanical excitation (e.g., machine vibrations, induced mechanical stresses and strains), low-grade thermal energy (e.g., waste heat energy from furnace, boilers, heaters, frictional losses etc.), light (artificial and solar), and electromagnetic energy (inductors, coil, transformers). This section outlines the practicable technologies for harvesting of energy from the mentioned sources. Figure 1 illustrates elements of such ambient energy resources, including the principal conversion technologies (viz. microgenerator, Photo voltaic cell, thermo, rectenna) with inherent potential for operation of electrical and electronic devices.


Figure 1.


Figure 1.

Energy harvesting and associative technologies, including vibrational microgenerator, solar Photo voltaic cell, thermoelectric, and rectenna, with potential applications in Information and Communication Technology equipment and assistive devices (adapted from Fujitsu Laboratories Ltd., http://www.fujitsu.com/).

It could be argued that there is no single power source that will be sufficient for all types of applications, and that the selection of energy sources must be considered according to the application characteristics [31]. For example, few concepts developed to harvest ambient energy include [30]:

  • Solar-heated thermal storage battery where solar heat is accumulated in a thermal electric storage (TES) medium and reradiated to any of several alternative heat-to-electric energy conversion devices to provide electric output independently of the variability in solar energy input.
  • Inductive coupling: A configuration that has been tested [30] consisted of insulated copper wires that run for some distance parallel to and on both sides of a transmission system right of way. The wires are connected at each end by conductors that cross under the transmission lines forming a loop. Voltage is induced in the loop by electromagnetic induction asymmetrical to the geometry of 3-phase overhead system. The output power estimated to range from about 2 W to 113 W corresponding to rms phase currents in the overhead conductors of 100 A and 800 A, respectively.
  • Output from human effort is required to achieve the upper performance potential defined by the data shown in Table 2. In all physical activities, human endurance is an inverse function of mechanical output. For example, an athlete lifting a barbell weighing between 120 kg and 250 kg can produce 3000 W for up to 1 sec. However, over an order of magnitude less, sustained power is possible. While a world class cyclist may produce peaks of over 500 W, a reasonable expectation for trained field personnel might be short-duration power ranges in 300–350 W. Ordinarily, a nonathlete producing 200 W of mechanical power at a metabolic efficiency of 25% is considered to be performing extremely heavy work that typically requires frequent rest periods to counter oxygen deficiency. Therefore, such output may only be reasonably achieved for short durations, for example, 2 h/day. It is estimated that an 80 kg physically fit male can produce 125 W is a sustained heavy-duty activity over an 8-h shift. Various transducers like piezoelectric [18], thermoelectric [20], based on electromagnetic induction [19] are available to harvest this kind of sustained power from various human movements.

Human energy harvesting is a term used to describe systems that utilize the human body as a primary generator. Biomechanical energy harvesting from human motion, such as walking step; ankle, knee, hip, shoulder, and elbow joint motion; and center of mass vertical motion, are potential anchors for electrical power generators. However, human energy harvesters are not capable of generating sufficient energy to perform mechanical work, but could still power low-energy electronics [19].

Thermal energy conversion and related technologies

The key element of thermoelectric energy is the presence of temperature difference and the flow of heat from hotter end to colder end. It is easy to find this temperature difference arising from various thermal energy sources, for example, heat from the sun and thermal energy-releasing processes such as waste heat from automobiles and manufacturing processes, including heat released during human activities. This heat can be used to generate electrical energy using various transducers such as thermo electric couples, phase change materials (PCMs), and photovoltaic cells.

Heat energy harvesting using PCMs

A PCM is that which is characterized by high heat of fusion, that is, it melts or solidifies at specific temperature, and is capable of storing or releasing high amount of heat energy by the change in state [32]. There are three types of PCM materials, namely (a) solid–solid PCM, these materials change their crystalline structure from one lattice configuration to another at a fixed and well-defined temperature and absorb large amount of heat energy in their original state; (b) solid–liquid transitions to liquid form on absorbing heat energy and reverts to solid when the heat is released; (c) liquid–gas PCM changes to gaseous form on heat absorption and vice versa when heat is released [32]. Of these solid–liquid PCM are most practicable because these are slow acting, whereas others, for example, liquid–gas PCMs require large volume and high-pressure storage [33].

Potential PCM applications with respect to energy and smart applications include, fabric/clothing for externally induced human body temperature regulations based on the knowledge of human temperature regulation, thermal comfort, and temperature and moisture transport through clothing layers [34], and temperature regulations in buildings to reduce the heating effect from the sun rays [35, 36].

PCM applications for regulating the body temperature

Gao et al. [34] tested three different PCM vests for phase change temperatures of 24, 28, and 32°C, worn over manikin in an ambient air temperature of −4°C. From the experiments, it was found that vests with PCMs having higher melting/solidifying temperature proved to have a greater and longer heating effect due to the higher temperature gradient between vest and the environment. Erkan [37] observed that textiles containing PCMs have different thermal properties from conventional textiles as they can absorb and release latent heat, whereas conventional textiles only use sensible heat. Arising from the inherent thermal properties, PCM has become important in items like outdoor activity and sportswear (e.g., Skying), fire-fighters uniform and many other applications.

Protective clothing limits the body heat dissipation and may lead to thermal stress and discomfort even at moderate exposure temperatures. Body temperature must also be maintained within a narrow range of variations to ensure optimal body functions. For example, cognitive performance is negatively affected when body core temperature increases by more than 1°C [38]. The rates of heat production must balance with heat loss if body temperature is to remain constant. Reinertsen et al. [38] carried out an experiment on six subjects using crystalline decahydrate of sodium sulfate or Glaubers salt PCM (Climsel C28, C31 Climatro AB, Sweden). The subjects reported full comfort, reduced thermal stress; reduced sweat production and adequate transport of moisture to the outer clothing shell, thereby lowering the skin temperatures, even though body core temperature did not fall. Therefore, PCM materials integrated in clothing, in this context, could be used to for maintaining the comfort of human body.

PCM application for temperature regulator in building

Integration of PCM for building temperature control has proved effective in reducing the growing energy demand for cooling and also provides opportunity for harvesting of thermal energy from sources like heat energy from the sun, which can be transformed into electrical energy using a thermoelectric couple (TEC) [39]. Ravikumar and Srinivasan [35] investigated PCM use as thermal energy storage materials for cooling buildings. By lining reinforced-compacted concrete (RCC) roof with PCM withering course, they were able to reduce the heat transmission into the building by between 47% and 72%. Haussmann et al. [40] tested a combination of microencapsulated paraffin PCM in a temperature range of 19–22.5°C as illustrated in the setup in Figure 2. The setup worked efficiently in lowering the building temperature as relative to the ambient condition.


Figure 2.


Figure 2.

Phase change material (PCM) installed with capillaries in the ceiling. The capillaries were used to carry the water around PCM in order to maintain heat and temperature of building (adapted from Haussmann et al. [40]).

PCM–TEC hybrid transducer for energy harvesting and conversion

In this technique, energy-storing capability of the PCM may be used to maintain a relatively stable temperature on one side of the thermoelectric generator (TEG) and to extend the useful working period. The basic configuration of a TEG-thermal transducer is as shown in Figure 3 in which PCM is used with a TEG backing.


Figure 3.


Figure 3.

Showing phase change material (PCM) – thermocouple hybrid (A) thermoelectric generator (TEG) exposed to sunlight. (b) TEG radiates heat with temperature change (adapted from Agbossou et al. [39]).

In such a setup, the PCM is insulated such that there is no heat exchange with the external environment except through contact face with the TEG. When hot face of TEG is loaded by solar radiation, the heat is conducted to the PCM, which initially is in a solid state. As the PCM continually absorbs heat, the temperature rises until it reaches melting point. The temperature on cold face of the TEG remains relatively stable and therefore electric voltage is generated across the TEG. Similarly at night, the hot face of the TEG loses its high temperature thermal loading and becomes the cold interface with PCM, will maintain the PCM melting point temperature which is higher than temperature of the TEG exposed surface. Hence, the PCM is the heat source resulting in the output current. It has been found that it is possible to harvest solar microenergy with such a hybrid structure by day and by night. Agbossou et al. [39] found that up to 0.8 mW could be generated by optimized thermal loading of PCM–TEG unit.

Thermoelectric devices do not require any moving part to generate energy hence, becoming popular for energy harvesting. Harvesting efficiency may be increased by incorporating 0D (dimension) quantum dots by reducing the volume (3D) to thin films (2D) then to 1D nanowires using nanotechnology [41] which increases its Seebeck coefficient thus, increasing the thermal conductivity of the thermoelectric materials. It has been suggested that this could be effective in harvesting human body heat to power various medical implants in the future [41].

PCM with mechanical energy conversion for electricity generation

Jones and Chao [42] came up with an application using PCM in a simple hydraulic circuit for electricity generation as depicted in Figure 4. Heating the tubes above 10°C causes the PCM to melt and expand, thereby pushing the hydraulic fluid into the bellows located in a pressurized nitrogen chamber, which in turn pushes piston to rotate the shaft, resulting in electricity generation by electromagnetic induction. This application proves that PCM could be a potential candidate to harvest heat energy through electromagnetic induction.


Figure 4.


Figure 4.

Phase change material (PCM) piston generator (adapted from Jones and Chao [42]).

Energy harvesting with TECs

When two dissimilar metals, joined together at their ends, are exposed to different temperatures (Fig. 5), there exists a potential difference between them which results in flow of electrons in a process called “Seebeck effect” [20]. TEC refers to a transducer that converts heat energy or temperature difference into voltage based on the Seebeck effect. Commercial microgenerator consists of 33 thermocouples in series fabricated through complementary metal oxide semiconductor (CMOS) process [43]. Thermocouple materials are p-type and n-type polysilicon because they have large Seebeck coefficient, which is directly proportional to the temperature difference. Therefore, to increase this difference, Yang et al. [44] have suspended hot part to reduce heat sinking using CMOS process, which resulted into the enhanced power of the device. The typical output power of the microgenerator is 9.4 μW at a temperature difference of 15 K.


Figure 5.


Figure 5.

Thermoelectric couple converting the heat flow existing between hot and cold junction into electrical energy.

Harvesting human body heat with TEGs

Human energy is derived from food (carbohydrates, fats, and proteins). The efficiency of energy conversion in the human body is estimated to be 15–30% [1]; hence, most of the energy is lost to the surrounding as thermal energy. The magnitude of power commensurate with body heat emission associated with a range of human activity and postures is shown in Table 3. The data indicate that this is as a significant resource/basis for development of energy harvesting technologies that could be used to power electronic devices. Output from human effort is required to achieve the upper performance potential defined by the data in Table 2. In all physical activities, human endurance is an inverse function of mechanical output. Figure 6 illustrates the variation of human skin temperature at different room temperatures. The relative temperature between the human body and the surrounding environment lies in the range of 5–10°C [29]. It has been argued that a TEC is the best way to harvest human body heat [45] as, because of their small size and light weight, these modules can easily be fabricate into clothing [46, 47]. Leonov [47] integrated thermopiles into an experimental shirt where each thermopile was sandwiched between a round hot plate measuring 30 mm in diameter and a cold plate of dimension 40 × 30 × 1 mm. Using 16 such modules fabricated into the shirt worn for 10 h a day, the developed system was capable of generated power in the range 5–5.5 mW range at an ambient temperature of 15–27°C, respectively. With a total thickness of 4 mm, the inserts remained completely unnoticeable and with no recorded effect on comfort of the wearer.

Table 3. Power dissipated as heat from the human body during different activities (adapted from Reimer and Shapiro [1])
Activity Power (W)
Total Sensible Latent
Seated at rest 100 60 40
Seated light work (writing) 120 65 55
Seated eating 170 75 95
Walking at 1.5 m/sec 305 100 205
Heavy work (lifting) 465 165 300
Athletics 525 185 340


Figure 6.


Figure 6.

The skin temperature map at different room temperatures (adapted from Sue and Tsai [45]).

Among all areas of human body, the neck is the most accessible part and a good location for TEGs. The core region of the body always must be warm; therefore, a generator can be easily removed by the user without creating discomfort. It is estimated that approximately between 0.2 and 0.32 W could be recovered by the use of a neck brace [29].

In efforts toward developing techniques for energy harvesting from passive human power, wearable TEG system have been developed. Xie et al. [43] developed a power generator consisting of a 1 cm2 chip fabricated with more than 30,000 thermocouples, and capable of producing 16.7 V and output power of 1.3 μW at a temperature difference of 5 K. This was capable of powering ultra low-power medical implants like medical implant communication system [47] and wireless sensors.

Power generation from process waste heat recovery

The rising cost of energy and the perceived impacts of global warming in recent years have underscored the need to enhance efficiency in energy generation and use, and to reduce emissions. Thermal energy recovery from various industries like steel factories [48, 49], food processing plants [50], and cement manufacture [51] provides useful means of reducing energy wastage, increasing resource savings, and reduce the environment impact of energy use [52]. Advanced thermoelectric systems for waste heat recovery in automobiles have been discussed previously [53]. In such a system, a thermoelectric generator extracts waste heat from the exhaust and delivers the transformed DC electrical power to recharge the vehicle battery. This could reduce or even eliminate the need for an alternator and could improve the fuel efficiency by as much as 10% by reducing the engine load [53]. Hsu et al. [54] also demonstrated a waste heat recovery system from the exhaust pipe of automobiles, with 24 TEG modules connected in series (thermally parallel), and capable of generating 12.41 W in the temperature range 5–30 K. Other low-power applications, for example, electric window opener, door locking, mirror, and light adjustment systems, tire pressure monitoring can also be powered by thermal and vibration sources [55]. Zhao [56] developed a novel technique that could be used to harvest waste process heat to generate electric power. The Rijke–Zhao tube was based on convection-driven thermoacoustic system, including a microphone to monitor pressure fluctuations and thermocouples for measuring temperature of acoustic fields. The convectional current generated by the system activated the PZT (lead zirconate titanate) piezoelectric diaphragms oscillation to generate up to 2.1 mW power. Such and similar techniques provide significant potential for recovery of heat that would otherwise be released into the atmosphere, thereby minimizing the environmental impacts of industrial processes that utilize fossil fuels (see Table 4).

Table 4. Examples of waste heat released by a range from manufacturing industries in the United States [52]
Sources Total waste heat at a reference temperature of
25°C TBtu/year 75°C TBtu/year 150°C TBtu/year
Glass manufacturing 43 24.1
Cement manufacturing 82 44.3
Iron and steel manufacturing 79.1 57.3
Aluminum production 9.5 6.7
Metal casting 32.8 24
Industrial boilers 1170 100

Heat energy harvesting with pyroelectric materials

Some materials become electrically polarized when temperature variation is applied uniformly to them; this effect is called as pyroelectric effect [57]. It occurs due to the asymmetric interaction potential due to electrically charged atoms within the crystal structure. Cha and Ju [58] used this concept in their energy harvester that uses liquid to switch thermal energy between two electrodes assembly which contains a pyroelectric material between two substrates coated with hydrophobic layer acting as a heat source or heat sink. An external force forces the droplets to merge and forms a continuous thin liquid layer and when the force is released, droplets come into their original shape (due to the presence of hydrophobic layer), which enables the rapid switching of the thermal conductance between pyroelectric material and a source/sink and generates electrostatic charge on the electrodes. This results in high power density as output, that is, 110 mW/cm3. This could be a good method to harness pressure energy. Yang et al. [59] developed a nanopyroelectric generator to charge a Li-ion battery from ambient temperature variations. They fabricated 300-nm-thick Nickel layer on top and bottom of the PZT film, as electrodes. TiO2 nanotubes and LiCoO2/conductive carbon were used as anode and cathode, respectively, and polyethylene film as separator. The setup was able to recharge a Li-ion battery with 171 nA/cm2 current density in 3 h for a 45 K temperature difference. Zhang et al. [60] harvested solar energy using wind flow with pyroelectric material, using a 12-cm radius, black painted PZT disk with polymethylmethacrylate backing, and placed in 2 m/sec air current (blown at 30-sec intervals) and exposed to a 20 W light source. This varied the temperature around PZT and produced power density of 4.2 μW/cm3 at 10 V across a 2.2 μF capacitor. Such a setup provides viable prospects for energy harvesting based on normal ambient temperature variations.

Piezoelectric materials modules/prototypes for energy harvesting

Piezoelectric transducers convert mechanical energy into electric energy or vice versa. Any deformation in the size or shape results in the generation of electrical voltage across the piezoelectric material [61]. Therefore, piezoelectric material can be used to generate electricity in three ways, namely: (a) compression; (b) slapped; and (c) bent [9]. Selection of the material becomes an important factor in relation to the application. However, the most common types of piezoelectric materials are polyvinylidene fluoride (PVDF) and lead zirconate titanate (PZT), whose characteristics are summarized in the Table 6.

Micromachined piezoelectric energy harvesters are capable of generating electrical power up to 100 μW, which can power several microdevices for unlimited period of time [62, 63]. These devices are increasingly receiving attention with respect to ambient energy harvesting, due to their small size and conversion efficiency. Example of working prototypes that have been developed include, harvesting of acoustic energy [64], and the harvesting of energy generated in seemingly innocuous human occupational activities such as typing on a keyboard [62, 63]. For example, Wacharasindhu and Kwon [63] developed an integrated micromachined electromagnetic and piezoelectric energy harvester capable of generating a maximum power of 40.8 μW across 3 MΩ resistance for the piezoelectric element, and up to 11.6 pW across a 700 Ω for electromagnetic element. Similarly, Huang et al. [65] describe a MEMS piezoelectric ambient energy harvesting device based on silicon proof-mass with four parylene-C beam structures and a piezoelectric PVDF layer. To achieve a wide-frequency range between 200 and 600 Hz, the piezoelectric film is bonded with the beam structure to get tensile stretching strain. When excited with 0.5 g acceleration, it was capable of generating 0.288 μW at 368 mV. Salient examples of other available micromachined piezoelectric energy-harvesting devices and their output specifications/ratings are provided in Table 5.

Table 5. Micromachined piezoelectric energy harvester with their specifications
Ambient energy sources Method of harvesting Power generated
  1. PVDF, polyvinylidene fluoride.

Acoustic energy PVDF beam inside a resonant tube 2.2 μW at 110 dB
Typing on keyboard Piezoelectric and electromagnetic 40.8 μW at 3 MΩ
Ambient vibrations PVDF piezo film 0.288 μW at 615 Hz

He and Gao [66] designed an autonomous device for energy harvesting from low wind speed environments. In their design, a critical wind speed causes impact between a piezoelectric cantilever beam and a stopper to cause vibrations in PVDF cantilever beam, hence, power output of 1.6 μW at a wind speed of 15.9 m/sec was recorded. If installed on suitable locations such as terraces, such methods could be effective in reducing energy consumption in buildings by powering installed sensors and other low-power devices. Energy can be harvested from natural occurrence such as rain and wind. The PVDF films have been found to generate comparatively higher voltage than PZT fiber composites. Vatansever et al. [67] generated output voltage of up to 12 V with 0.5–2 mm water droplets impact on PVDF film. The maximum voltage recorded corresponded to droplets released from a height of 100 cm. The PVDF films have also been used to generate up to 92 μW at 60 V with 10 m/sec winds. Mateu and Moll [2] noted a maximum of 5.3 V from a PVDF material operated in mode D31, which was integrated into the insole of shoe at the toe end to harvest energy from human footfall when. Thus, it could be argued that PVDF performs better than PZT, making it an ideal candidate for various applications.

Multilayer piezoelectric generator

Multilayer piezoelectric actuators are ceramic elements made by combining many thin layers of piezoelectric material with interdigitated, inner electrodes for converting electrical energy into mechanical energy [7]. Compared to the conventional piezoelectric actuators discussed in the section “Energy harvesting using dome shaped piezoelectric generator,” they are small in size but can generate higher displacement and force at low voltage. Current applications include autofocusing in cell phone camera, image stabilization in digital still camera, for accurate ejection of precisely shaped ink droplets in inkjet printers and controlling the gram load on a disk drive suspension, mirror/prism positioning [7, 8, 68, 69]; medical applications such as implantable drug delivery system [70], orthopedics and audiology [71]. Weber [72] showed that multilayer piezoelectric ceramic elements are capable of eliminating the need for an external voltage boost circuit, thereby allowing for miniaturized size of the motor drive circuitry with higher stored energy density than an electromechanical micromotor and can therefore be one-tenth the size for equivalent performance. In addition, fewer parts are required; it does not generate electromagnetic noise, and therefore can be adaptable for MRI compatibility.

Dome shaped piezoelectric generator and its applications

THUNDER (Thin Unimorph Driver) piezoelectric generators are prestressed piezoelectric devices developed at NASA [73]. These are formed by laminating thin sheet of piezoceramic transducer between aluminum substrate in a dome shape (Fig. 7) [74]. They are durable, rugged, and more flexible generator known. Advantages of Thunder piezoelectric generators over others (viz. enhanced displacement, longevity of service life, operates with high efficiency, and greater flexibility) ease the fabrication and ability to create application-specific devices [75]. For example, the piezoelectric actuator (PZT) embedded in sole of conventional footwear produced an average power of 80 mW, with net energy gain of 2 mJ per walking step, which is up to four times higher than the energy generated by a multilayer laminated PVDF foil [3].


Figure 7.


Figure 7.

Dome-shaped piezo actuator (FACE International, http://www.faceinternational.com).

Magnetohydrodynamic principles and application in energy harvesting

Magnetic fields induce currents in a moving conductive fluid, which in turn creates forces on the fluid and also changes the magnetic field itself. Magnetohydrodynamics [76] is the study of the phenomenon of dynamics of electrically conducting fluids. In what could be perceived as breakthrough by Dai et al. [77], magnetohydrodynamics generators were used to harvest energy from human walk. It was based on liquid metal (Ga62 In25 Sn13) as energy carrier. In the tested setup, the foot alternately presses two liquid metal pumps (LMP) located in front and rear end of the shoe. As liquid metal extrudes, it flows through the metal pump in which electricity is generated (as illustrated in Fig. 8). The maximum output power recorded was 80 mW unlike other conventional device. The technology does not require moving parts unlike other conventional devices.


Figure 8.


Figure 8.

Magnetohydrodynamics generator located inside footwear.

Triboelectric effect and its application in energy harvesting

Triboelectric effect is temporary contact electrification, in which certain materials become electrically charged after contact and separation from other material [78]. Hou et al. [79] incorporated a triboelectric generator into sole of a shoe by placing a polydimethylsil-oxane (PDMS) film and a polyethylene terephthalate (PET) film with a sponge spacer for harvesting energy from footsteps. The setup generated a maximum output voltage of 220 V with a current density 40 μA/cm2 from experimental subject walking at natural pace (two steps per second). Fan et al. [80] sandwiched a triboelectric generator with two different polymer sheets (Kapton and polyester) stacked alternatively and covered, bottom and top layers with Silver alloy, acting as electrodes. Due to external force polymeric materials touched and rubbed each other, resulted in production of electrostatic charge of opposite polarities, collected on electrodes. Results have shown that maximum voltage recorded was 3.3 V at a power density of 10.4 mW/cm3. Triboelectric generators could be a potential candidate to harvest energy from human activities, mechanical vibrations with potential applications in medical science and low-power autonomous energy-harvesting systems.

Thermoacoustic piezoelectric resonator

Thermoacoustic effect arises from combination of the pressure oscillations of a sound wave with adiabatic temperature oscillations [81]. Sound wave in a gas is regarded as consisting of coupled pressure and motion oscillations, with existence of temperature oscillations as well [82]. Therefore, when sound travels in small channels, heat also oscillates through the channel walls. The combination of these oscillations produces a variety of thermoacoustic effects which is the basis of a thermoacoustic engine as illustrated in Figure 9 [83]. Thermoacoustic engine uses heat to generate sound, and subsequently sound is converted to electricity [84].


Figure 9.


Figure 9.

Thermoacoustic (adapted from Tao et al. [84]).

Sound waves have been amplified in Helmholtz cavity (Fig. 10) and then projected onto a one-dimensional thermoacoustic-piezoelectric resonator to generate up to 45 W of thermal power. Further conversion produced 0.128 mW at 0.9 V with an overall efficiency of 0.00028%. Although the efficiency is very low, the main advantage of this transducer is that it does not require moving part or component to function, hence, are lightweight and is suitable for operating at high oscillation frequencies [85].


Figure 10.


Figure 10.

Thermoacoustic energy harvester (adapted from Smoker et al. [85]).

Although it has been noticed that the efficiency of this device is low, work is in progress to optimize performance and improve its energy conversion efficiency, specifically, for harvesting thermal energy with Helmholtz-like resonators with a solar energy concentrator. In such a setup, solar energy is utilized to generate a steep temperature gradient along a porous stack which is optimally sized and located near one end of the resonator. It has been suggested that the method could be useful in areas far from the power grid such as in desert regions. There are also potential applications in agricultural, air conditioning, and communication [85, 86].

Nanowires and applications in energy harvesting

A nanowire is a one-dimensional solid crystalline fiber, 10−9 m in diameter, but many thousands or millions of times longer [87, 88], existing in metals, semiconductors, insulators, and organic forms. Currently, they are being studied for use in electronics, energy conversion, optics, and chemical sensing, among other fields [89-91].

Currently, person with pacemakers powered by lithium batteries requires surgery each 8 years for battery replacement [5]. Likewise implantable neurosimulator and infusion pumps demand more energy than pacemakers, with an estimated life span of 3–5 years [6]; therefore, it has become necessary to consider the possibility of reducing such dependency on batteries. Yang et al. [4] tested a nanogenerator developed by connecting zinc oxide nanowire with piezoelectric material. The setup further attached to the index finger which, on movement, was capable of generating 150 pA at 25 mV. Additional advantage is that zinc oxide is not toxic, unlike the battery components, therefore making it ideal for use inside the human body, such an implant could be use to generate power from vein beats to supply power to medical nanodevices and sensors [92].

Energy harvesting using magnetostrictive materials

Magnetostrictive materials (MsM) are a class of materials which deform when exposed to magnetic fields [93]. Such effect is often used in generating seismic waves, in sonar and electro-hydraulic actuators [93]. An interesting property of MsM is, when they are subjected to force, the associated deformation in them produces electric current [94], a property that is often used in energy-harvesting methods [95]. For example, MsM, Metglas 2605SC (Fe81 B13.5 Si3.5 C2)10 has displayed encouraging characteristics as a vibration energy harvester. An ambient vibration energy-harvesting device [96] comprises a giant Metglas bonded on a copper substrate, wound with a pickup coil. The average power and power density recorded during charging an ultracapacitor of 3 F were 576 μW and 606 μW/cm3, respectively.

A ductile MsM, galfenol, which is an alloy of iron and gallium, has a high piezomagnetic constant, good machinability, and a large inverse magnetostrictive effect by which magnetization can be varied by mechanical stress [97]. These properties make it a better performer for energy harvesting from ambient vibrations, than piezoelectric materials which have limitations in terms of longevity of service life, power output, and conversion efficiency [98]. Ueno and Yamada [99] tested a device comprised an MsM bonded on a copper substrate, wound by a pick-up coil which was able to produce a maximum power of 3.5 mW at 395 Hz. Some salient properties of piezoelectric and MsM are compared in Table 6.

Table 6. Comparison between smart materials (adapted from Ha [73])
Materials Actuation mechanism Maximum free strain (με) Modulus (GP α) Density (kg/m3) Bandwidth (Hz)
  1. PZT, lead zirconate titanate; PVDF, polyvinylidene fluoride.

PZT-5H Piezoelectric (ceramic) 1 × 103 62 7500 102
PVDF Piezoelectric (polymer) 7 × 102 3 1780 103
Terfenol Magnetostrictive 2 × 103 40 9250 102
Nitinol Shape memory alloy 2 × 104 78 6450 100

Energy harvesting using electromagnetic induction

Electric field always produces a magnetic field. Conversely, a time variable magnetic field always produces an electric field. The induction law of Faraday describes the modification that a magnetic field will induce an electric current [13]. The principle of magnetic induction has been used to develop an adaption for energy harvesting from motion at the knee joint that is based on the negative work of the muscles. The system comprised an orthopedic knee brace driving a gear train via unidirectional clutch (Fig. 11). Only the knee extension motion is transmitted to a DC brushless generator. This device was capable of generating 2.5 W per knee, at a walking speed of 1.5 m/sec. The additional metabolic cost of generating energy (not including the cost of carrying the device) was estimated at 4.8 W, that is, 12.5% of the metabolic cost required by conventional human power generation [1]. In a breakthrough, researchers from University of Aukland have developed artificial muscles with dielectric elastomers, which are capable of producing good amount of power when stretched and contracted. In experiment, it was found that 110-mm-wide plunger-shaped generator was capable of generating 10 mW of power [100]. When incorporated into clothing, the elastic nature enables it to harvest passive energy from large and slow movements and thereby making it a potential option for replacement of bulky and heavy parts from conventional energy-harvesting generators. McKay et al. [101] developed a generator with 42 × 40 μm thick, 11 mm in diameter dielectric elastomer layers which were stacked in parallel electrical connection and sandwiched between 3-mm-thick silicone caps at both ends. They were able to generate a maximum power of 300 μW at a compression of 3 mm, therefore making it capable of powering wireless sensor nodes [102].


Figure 11.


Figure 11.

Device for harvest energy from human motion (adapted from Riemer and Shapiro [1]).

Energy harvesting from flow-induced vibration

Wang and Chang [103] proposed a prototype based on electromagnetic induction principle which harvests vibrations induced by liquid flow in a closed channel. The setup illustrated in Figure 12 consisted of a flow channel with two copper tubes, a polyester (PE) diaphragm bonded to the channel, and a permanent magnet glued to the PE diaphragm. A permanent magnet was surrounded by a conducting coil which was guided around an inner housing of the coil, fixed by an outer housing. The variation of the liquid pressure in the flow channel was used to vibrate a polyester diaphragm with integrated permanent magnet surrounded by a fixed coil. The vibration energy then converted to electrical energy by induction. The described setup has generated maximum output voltage of approximately 11 mV for pressure oscillations at a frequency of 30 Hz.


Figure 12.


Figure 12.

Prototype of energy harvester (adapted from Wang and Chang [103]).

Energy harvesting from low-frequency ambient vibrations

Ambient vibrations which are below 18 Hz in magnitude are difficult to harvest because of their low frequency. However, potential exists for their amplification using a frequency resonator, making them available for harvesting. Ashraf et al. [104] harvested such low-frequency vibrations using a disk-shaped coil, mounted on a PVC beam (as high-frequency oscillator) between four N-45 magnets, in a setup supported by two PVC beams (as low-frequency resonator). They recorded maximum output power and voltage of 20.9 mW and 7.92 V, respectively.

Self-tuning electromagnetic energy harvester

Frequency adjustment is known to be a problem for vibration energy-harvesting devices, as they are designed to resonate at natural frequencies for efficient output, but due to several factors, for example, slight deviation from operation at resonance, quality factors, and manufacturing errors could lead to the reduction in output power generated [104-106]. In this context, Aboilfotoh et al. [107] designed a self-tuning electromagnetic energy harvester using a cantilever beam mounted on a shaker with a permanent magnet attached to a movable tray and driven by a stepper motor. A microcontroller was used to detect the frequency to generate signal for the stepper motor in order to keep the device matching its resonant frequency. During the experiment, they were able to maintain the natural frequency of the setup, tuned from 4.7 Hz to 9 Hz. This technique could be used to increase the efficiency of vibration energy-harvesting devices.

RF/EM energy harvesting

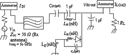
Quest for autonomous sensors and associate instrumentation has become increasingly more important in applications where there is no direct connection to electrical energy supply, or where wired connections to the acquisition unit cannot be used. For such systems, the ambient electromagnetic energy in the form of low-frequency vibrations (1–100 Hz) can be advantageously converted to electrical energy by appropriate energy-harvesting techniques. Mikeka and Arai [108] illustrated a rectenna circuit as shown in Figure 13, which was capable of powering small sensors running on 1.5–2.2 V and 6 μA nominal current consumption. It has achieved 60% conversion efficiency, with a 2.1 kΩ optimal load. Providing sensors with higher load demand, say at least 2.2 V and 0.3–1.47 mA, was possible by use of compatible capacitors. Another circuit topology illustrated by Singh et al. [109] for harvesting low-power radiations from cellular towers, capable of harvesting low-power density as low as 180 μW/m2, with an output configured at 2.2–4.5 V. However, RF energy provides a very small amount of power but due to its availability, it could be use to support low-power electronics like wireless sensors and other similar applications.


Figure 13.


Figure 13.

Shunt rectifier configuration for the cellular band (adapted from Mikeka and Arai [108]).

Energy harvesting with hybrid/coupled structures

Electrostatic, electromagnetic, and piezoelectric seem to be the most commonly implemented energy-harvesting mechanisms (see “Dome shaped piezoelectric generator and its applications” section). Energy harvesting using piezoelectric transducers and electromagnetic induction are the most common methods of harvesting vibration energy from ambient sources because of the possible design simplicity and capability to achieve higher power densities. Experiments have shown that coupled devices have higher power outputs (~65% increase has been recorded) in comparison with the corresponding stand-alone, single-mode devices [110]. For example, Challa et al. [110] developed a coupled device using piezoelectric cantilever beam and electromagnetic inductor (Fig. 14), which was capable of generating peak power output of 332 μW, compared to 257 and 244 μW, with stand-alone piezoelectric and electromagnetic energy-harvesting devices, respectively. Another similar coupled harvesting device (Fig. 15) comprised piezoelectric cantilever beam with a tungsten mass at the end, which resonates between two magnets and delivered a continuous output power of 240–280 μW in a frequency range of 22–32 Hz [111].


Figure 14.


Figure 14.

Coupled device to harvest vibration energy (adapted from Challa et al. [110]).


Figure 15.


Figure 15.

Coupled device for harvest vibration energy (adapted from Challa et al. [111]).

Nersessian et al. [112] presented a thermally induced strain (TIS) material thermocouple, illustrated in Figure 16. At the high-temperature phase, the laminate remains in unstressed state and in contact with heat sink (Tcold). When TIS material is cooled enough to undergo transformation to a low-temperature phase, the strain causing laminate to bend, and therefore breaks the contact with heat source (or Thot). Once the material is sufficiently heated, TIS material returns to the high-temperature phase and the laminate reestablishes the contact. In this way, the TIS oscillates in between the both temperature junctions which results in the potential difference across its ends.


Figure 16.


Figure 16.

Piezo- and thermoelectric coupled energy harvesting device (adapted from Nersessian et al. [112])

Hybrid cell for combined harvesting of thermal and solar energies

Heat is a by-product of energy conversion process in photovoltaic devices, but is essentially lost to the surroundings. Therefore, to improve the efficiency from solar energy conversion, Xu et al. [113] developed a hybrid cell (Fig. 17) to enable the combined harvesting of the solar energy and the generated heat. It consisted of a dye-sensitized solar cell (DSSC) and a dual compartment thermoelectric cell (TC). In the DSSC, solar energy is first converted to electricity and heat. The heat is then transmitted to the TC. Light application on DSSC separates the electron-hole pairs to generate photovoltaic potential. In addition, the DSSC also produces heat which is transferred to the TC consisting of semiconductor p–n junction. The temperature difference between the two sides of the TC changes the diffusion carrier density of the thermoelectric material that generates the thermoelectric potential. The overall output voltage output of the HC is determined by the sum of the voltages generated by DSSC and the TC. With the described design, Xu et al. [113] measured an open-circuit voltage in 732–911 mV range. The use of pigment sensitizers and light-harvesting complex II (LHCII, a complex subunit protein that is used by plants to collect more incoming light) to increase the adsorption capability of the solar cell resulted in drastic increment of short-circuit current, open-circuit voltage, fill factor, and efficiency, that is, 2.26 mA/cm2, 0.53 V, 0.69, and 0.79% for pigment-sensitized solar cell and 0.80 mA/cm2, 0.59 V, 0.58, and 0.27% for LHCII-sensitized solar cell, respectively [41].


Figure 17.


Figure 17.

Hybrid cell for harvesting light and thermal energy (adopted from Xu et al. [113]).

Hybrid generator using electrostrictive polymers and electrets

Studies have shown that filling the polymer with nanowires or nanoparticles will trigger the electrostrictive properties in them. Due to inherent limitations of piezoelectric materials, Belhora et al. [114] added carbon nanopowder with terpolymer polyurethane P(VDF-TrFE-CFE) to design a hybrid generator with electrets (CYTOP CTL-M) to harvest ambient vibrations. Results showed that such a system was capable of generating a maximum current of 0.16 μA at a frequency of 5 Hz. Such a system therefore has potential application for harvesting energy from human body motion.

Commercially Available Energy-Harvesting Modules

Several energy-harvesting modules are available in the market today with different output range specifications. Such modules support single or multiple transducers such as thermocouples, piezoelectric, rectenna, photovoltaic cell, electromagnet generator, and others. Typical examples are summarized in Table 7. The described commercially available energy-harvesting modules, among others, have been tested for ambient energy harvesting toward low-power applications. For example, Hobbs [115] used EnerChip EHCBC5300 module to harvest energy from a piezoelectric generator in the 2–15 μW range, for powering a remote sensor and recharge its integrated batteries. Gao [116] used the EH 300 to charge a 100 μF capacitor, using a piezoelectric generator located in an 4.7 m/sec air current, and charged a capacitor from 1.8 to 3.6 V in 75 sec. Ravindran [117] used the LTC 3108 to generate 35 mV (converted to 5 V by the IC) using TEGs under room temperature conditions and for use in charging a 0.1 F capacitor. Overall, the commercially available energy-harvesting modules offer viable prospects for many low-power consumption applications.

Table 7. Specifications of some commercially available energy-harvesting modules
Type of energy harvester Product code Output voltage range Compatible sources Manufacturer
  1. EM/RF, electromagnetic/radiofrequency.

Multipurpose energy harvester IC-744885 2.35–5 V Solar cell, electromagnet, piezoelectric, thermoelectric generator Wurth Electronics, Germany (http://www.we-online.com)
Energy harvester (Multipurpose) Ener Chip EH CBC5300 3.6 V maximum Photovoltaic cell, piezoelectric material, thermoelectric converter, etc Cymbet Corporation, USA (http://www.cymbet.com)
Universal energy harvester CBC-EVAL-09 3.6 V Solar, EM/RF, thermal, vibration Cymbet Corporation, USA
Multi source energy harvester CBC915 EnerChip 3.5 V Light, vibration, thermal, RF Cymbet Corporation, USA
Universal energy harvesters EH301A, EH300, EH301, EH300A 1.8–5.2 V Piezoelectric, electromagnet, solar, THERMOELECTRIC Advance Linear Devices, CA (http://www.aldinc.com)
Universal energy harvester DC2080A 3.3 V Piezoelectric, electromechanical, thermal, photovoltaic cells Linear Technology, USA (http://www.linear.com)
Piezoelectric energy-harvesting module E-812 3.3 V Piezoelectric PI, USA (http://www.piceramic.com)
Energy-harvesting power management system LTC 3109, LTC 3108 2.3–5 V Thermoelectric generators and thermopiles Linear Technology, USA

Comparison of Ambient Energy-Harvesting Methods

This review has covered various ambient energy sources and harvesting technologies for a range of possible applications, and specifically toward powering of electronic/electrical sensors or devices. It could be argued that with good understanding of the nature of the energy source and viability of the associated conversion method, each may be adapted to specific functions in sustainable energy systems.

Available evidence suggests that PCM materials are most suitable for energy harvesting toward building temperature regulation. However, as PCM materials cannot convert heat energy to electric energy, combination with thermoelectric materials can store solar energy in daytime and use it to generate electricity at the nighttime when a thermal gradient is created to minimize the cost of electricity consumption in buildings. Ambient energy sources of low thermal gradient, for example, the human body heat, can be harvested with the help of TEGs. For example, generation of power in the range 5–5.5 mW at an ambient temperature of 15–27°C is possible with TEG woven into clothing fabric. TEGs are also viable for harvesting of low-grade heat energy from manufacturing processes in factories and exhaust heat emitted by internal combustion engines, and could be used to power electronic/electrical devices such as low-energy LED bulbs. However, TEGs have some drawbacks in low-power density and low conversion efficiency when exposed to a large temperature gradient, and pyroelectric materials are better candidates for such cases [118].

Ambient energies like vibration from surroundings, and energy from force or pressure can be harvested using piezoelectric, magnetostrictive, magnetohydrodynamic, and triboelectric generators. Piezoelectric and MsM can be used as both generator and actuators, but magnetostrictive generators outperform piezoelectric generators in terms of energy density by up to a factor of 20 [119]. However, high cost and unavailability of MsM commercially make piezoelectric materials good contenders for various applications.

To achieve high-energy density, liquid magnetohydrodynamic and triboelectric generators can be considered for various applications. Combination of TEG and triboelectric materials has registered a maximum energy density of 10 mW/cm3, compared to magnetohydrodynamic generator output of 80 mW. The difference primarily attributed to installation; magnetohydrodynamic generator requires system for liquid to flow, whereas material for triboelectric generator is installed directly. In energy harvesting from acoustics, triboelectric nanogenerators outperforms the others. For example, power density of 60 mW/m2 with acoustic pressure of 70–110 dB range has been recorded with triboelectric based thin-film nanogenerator a much higher figure compared to the power generated by piezoelectric and MsM [120], but piezoelectric generators may still be preferred for various applications because of their size, low cost, easy installation, and commercial availability.

In terms of cost, electromagnetic generators are good contenders for various applications compared to all other energy-harvesting methods; they are capable of producing power in the range mW to W. However, there is drawback in the physical size required, which limits their potential applications where generator size is a limiting factor. RF energy harvesting does not require any sort of transducer material except for the antenna and a compatible converter circuit. The only drawback is that the conversion efficiency decreases with the distance from the RF source.

Conclusion

Energy harvesting provides the possibility of harnessing ambient energy resources as a means of developing autonomy for electrical and electronic devices whose applications may be currently restricted by the limited storage capacity, hence, reliability of standard batteries. Ambient energy scavenging could be used to stretch the mission life of conventional battery. This study has discussed several practicable options for energy harvesting from ambient energy source, and passive energy generation by the human body and other ambient sources. Such could be used for powering of diverse portable or wireless electronics devices.

Overall the potential for harvesting of passive energy output from human activity appears to be the most underutilized ambient energy resource. Several concepts based on the harvesting of passive human power, that is, those with limited essential distraction from normal activities are considered to be practicable means of converting human energy into usable electric power. In respect to power demand in assistive technologies (e.g., active prosthesis), energy-harvesting technologies offer battery extension and also the possibility of total dependence on ambient energy, thereby avoiding the constraints imposed by the limited life and reliability of conventional batteries and the logistics for power supply. The development of self-powered, autonomous systems powered by the ambient energy is an area of research which offers much potential and will continue to develop in combination with new progress in the field of low-power electronics.

Conflict of Interest

None declared.

References

  1. Riemer, R., and A. Shapiro. 2011. Biomechanical energy harvesting from human motion: theory, state of the art, design guidelines and future directions. J. Neuroeng. Rehabil.8:1–13.
  2. Mateu, M., and F. Moll. 2005. Optimum piezoelectric bending beam structures for energy harvesting using shoe insert. J. Intel. Mat. Syst. Str.16:835–845.
  3. Kymissis, J., C. Kendall, J. Paradiso, and N. Garshenfeld. 2013. Parasitic power harvesting in shoes. Available at http://www.docstoc.com/ (accessed 15 December 2013).
  4. Yang, R., Y. Qin, C. Li, G. Zhu, and Z. L. Wang. 2009. Converting biomechanical energy into electricity by a muscle-movement-driven nanogenerator. Nano Lett.3:1201–1206.
  5. Mallela, V. S., V. Ilankumaran, and N. S. Rao. 2004. Trends in cardiac pacemakers batteries. Indian Pacing Electrophysiol. J.4:201–212.
  6. Lanmuller, H., S. Sauermann, E. Unger, G. Schnetz, W. Mayr, and W. Girsch. 1999. Multifunctional implantable nerve stimulator for cardiac assistance by skeletal muscle. Artif. Organs23:352–359.
  7. Multilayer piezoelectric actuators. Vol. 7. Available at http://www.nec-tokin.com/ (accessed 1 February 2014).
  8. Pertsch, P., S. Richter, K. D. Kramer, J. Pogodzik, and E. Hennig. 2006. Reliability of piezoelectric multilayer actuators. ACTUATOR Conference, Bremen, Germany. Available at http://www.pi-usa.us/ (accessed 1 February 2014).
  9. Saez, M. L. M.2004. Energy harvesting from passive human power. Ph.D. thesis, Polytechnic University of Catalonia, Barcelona, Spain.
  10. Wasterlain, S., A. Guven, H. Gualous, J. F. Fauvarque, and R. Gallay. Hybrid power source with batteries and supercapacitor for vehicle applications. Available at http://www.garmanage.com/ (accessed 1 January 2014).
  11. Mitcheson, P. D., E. M. Yeatman, G. K. Rao, G. A. S. Holmes, and T. C. Green. 2008. Energy harvesting from human and machine motion for wireless electronic devices. Proc. IEEE96:1457–1486.
  12. Gilbert, J. M., and F. Balouchi. 2008. Comparison of energy harvesting system for wireless sensor networks. Int. J. Autom. Comput.5:334–347.
  13. Paulo, J., and P. D. Gaspar. 2012. Review of future trend of energy harvesting methods for portable medical devices. Proc. World Congr. Eng.2:1–6.
  14. Bilem, S. G., T. K. Mc Ternan, B. E. Gilchrist, I. C. Bell, N. R. Voronka, and R. P. Hoyt. 2011. Electrodynamic tethers for energy harvesting and propulsion on space plateforms. AIAA SPACE 2010 Conference & Exposition, CA, March 2011.
  15. Cremers, C., J. Tubke, and M. Krausa. 2009. Applications–portable military: batteries and fuel cells. Encycl. Electrochem. Power Sources1:13–21.
  16. Mascarenas, D. L., E. B. Flynn, M. D. Todd, T. G. Overly, K. M. Farinholt, G. Park, et al. 2010. Experimental studies of using wireless energy transmission for powering embedded sensor nodes. J. Sound Vib.329:2421–2433.
  17. Sharma, N., J. Gummeson, D. Irwin, and P. Shenoy. Cloudy computing: leveraging weather forecasts in energy harvesting sensor system. University of Massachusetts, Amherst, MA. Available at http://lass.cs.umass.edu/ (accessed 2 February 2014).
  18. Jeon, Y. B., R. Sood, J. H. Jeong, and S. G. Kim. 2006. MEMS power generator with transverse mode thin film PZT. Sens. Actuators A122:16–22.
  19. The Energy Harvesting Network. 2011. The energy harvesting website “Energy harvesting from human power – a roadmap to new research challenges.” Available at http://www.eh-network.org (accessed 2 February 2014).
  20. Snyder, G. J.Small thermoelectric generators. Available at http://www.electrochem.org (accessed 2 February 2014).
  21. Nechibvute, A., A. Chawanda, and P. Luhanga. 2012. Piezoelectric energy harvesting devices: an alternative energy source for wireless sensors. Smart Mater. Res.2012:1–13.
  22. Tan, Y. K., and S. K. Panda. 2010. Pp. 5–43inReview of energy harvesting technologies for sustainable wireless sensor network. Sustainable wireless sensor networks. National University of Singapore, Singapore.
  23. Buchli, B., D. Aschwanden, and J. Beutel. Battery state-of-charge approximation for energy harvesting embedded system. Computer Engineering and Networks Laboratory, Zurich, Switzerland. Available at http://www.tik.ee (accessed 3 February 2014).
  24. Aliwell, S.Batteries not enough – a case for energy harvesting. Zartech Ltd. EH NetworkBlog. Available at http://eh-network.org/ (accessed 3 February 2014).
  25. Sim, Z. W., R. Shuttleworth, M. J. Alexander, and B. D. Grieve. 2010. Compact patch antenna design for outdoor RF energy harvesting in wireless sensor networks. Prog. Electromagnet. Res.105:273–294.
  26. Nnorom, I. C., and O. Osibanjo. 2009. Heavy metal characterization of waste portable rechargeable batteries used in mobile phones. Environ. Sci. Technol.6:641–650.
  27. Yildiz, F.2009. Potential ambient energy-harvesting sources and techniques. J. Technol. Studies.35:40–48.
  28. Siegel, J. A., R. M. Gilders, R. S. Staron, and F. C. Hagerman. 2012. Human muscle power output during upper and lower-body exercises. J. Strength Cond. Res.16:173–178.
  29. Mateu, L., C. Codrea, N. Lucas, M. Pollak, and P. Spies. 2006. Energy harvesting for wireless communication systems using thermogenerators. Available at http://www.iis.fraunhofer.de (accessed 5 February 2014).
  30. De Steese, J. G., D. J. Hammerstrom, and L. A. Schienbein. 2000. Electric power from ambient energy sources. Pacific Northwest National Laboratory, Prepared for the US Department of Energy. Available at http://www.pnl.gov (accessed 5 February 2014).
  31. Cymbet Corporation. Zero power wireless sensors using energy processing. Available at http://www.cymbet.com/ (accessed 3 February 2014).
  32. Soca Ciu, L. G.2012. Thermal energy storage with phase change material. Leonardo El. J. Pract. Technol.20:75–98.
  33. Sharma, A., V. V. Tyagi, C. R. Chen, and D. Buddhi. 2009. Review on thermal energy storage with phase change materials and applications. Renew. Sustain. Energy Rev.13:318–345.
  34. Gao, C., K. Kuklane, and I. Holmér. 2008. The heating effect of phase change material (PCM) vests on a thermal manikin in a subzero environment. Seventh International Thermal Manikin and Modelling Meeting, University of Coimbra, Coimbra, Portugal. Available at http://www.adai.pt/ (accessed 6 February 2014).
  35. Ravikumar, M., and P. S. S. Srinivasan. 2008. Phase change material as a thermal energy storage material for cooling of building. J. Theor. Appl. Inf. Technol.4:503–511.
  36. Zalba, B., M. J. Marin, L. F. Cabeza, and H. Mehling. 2002. Review on thermal energy storage with phase change: materials, heat transfer analysis and applications. Appl. Thermal Energy23:251–283.
  37. Erkan, G.2004. Enhancing the thermal properties of textiles with phase change materials. Res. J. Text. Apparel8:57–64.
  38. Reinertsen, E. R., H. Fǽrevik, K. Holbǿ, R. Nesbakken, J. Reitan, A. Rǿyset, et al. 2008. Optimizing the performance of phase-change materials in personal protective clothing systems. Int. J. Occup. Saf. Ergon.14:43–53.
  39. Agbossou, A., Q. Zhanq, G. Sebald, and D. Guyomar. 2010. Solar micro-energy harvesting based on thermoelectric and latent heat effects. Part I: Theoretical analysis. Sens. Actuators A163:284–290.
  40. Haussmann, T., P. Schossig, and L. Grosmann. Experiences with lowex PCM chilled ceilings in demonstration buildings. Available at http://intraweb.stockton.edu/ (accessed 8 April 2014).
  41. Yu, D., G. Zhu, S. Liu, B. Ge, and F. Huang. 2013. Photocurrent activity of light-harvesting complex II isolated from spinach and its pigments in dye-sensitized TiO2 solar cell. Int. J. Hydrogen Energy38:16740–16748.
  42. Jones, J. A., and Y. Chao. 2006. Novel thermal powered technology for UUV persistent surveillance. Presentation to the ONR Joint Review of Unmanned Systems Technology Development NASA. Available at http://trs-new.jpl.nasa (accessed 8 April 2014).
  43. Xie, J., C. Lee, and H. Feng. 2010. Design, fabrication, and characterization of CMOS MEMS-based thermoelectric power generators. J. Microelectromech. Syst.19:317–324.
  44. Yang, M. Z., C. C. Wu, C. L. Dai, and W. J. Tsai. 2013. Energy harvesting thermoelectric generators manufactured using the complementary metal oxide semiconductor process. Sensors13:2359–2367.
  45. Sue, C. H., and N. C. Tsai. 2011. Human powered MEMS-based energy harvest devices. Appl. Energy93:390–403.
  46. Leonov, V.2011. Energy harvesting for self-powered wearable devices. Pp. 27–49inA. Bonfiglio and D. De Rossi, eds. Wearable monitoring systems. Springer, New York, NY. doi: 10.1007/978-1-4419-7384-9
  47. Leonov, V.2013. Thermoelectric energy harvesting of human body heat for wearable sensors. IEEE Sens. J.13:2284–2291.
  48. Bradley, P. D.2006. An ultra low power, high performance Medical Implant Communication System (MICS) transceiver for implantable devices. Biomed. Circ. Syst. Conf.2006:158–161. doi: 10.1109/BIOCAS.2006.4600332
  49. Mehta, S. H.Technology to reduce energy demand in steel plants. Center for Energy Environment & Education (CEEE), India. Available at http://energy.sigmaxi.org/ (accessed 11 May 2014).
  50. Aneke, M., B. Agnew, C. Underwood, H. Wu, and H. Masheiti. 2012. Power generation from waste heat in a food processing application. Appl. Therm. Eng.36:171–180.
  51. Khattak, Z., J. A. Khan, S. Ahmad, and S. Masaud. 2012. Co-generation of power through waste heat recovery – a cement plant case study. Int. Conf. Future Electr. Power Energy Syst.9:418–424.
  52. Waste heat recovery: technology and opportunities in U.S. industry, 2008. The Energy Gov website. Available at http://www1.eere.energy.gov (accessed 7 February 2014).
  53. Smith, K., and M. Thornton. 2009. Feasibility of thermoelectrics for waste heat recovery in conventional vehicles. National Renewable Energy Laboratory – Technical Report. Available at http://www.nrel.gov (accessed 11 May 2014).
  54. Hsu, C. T., G. Y. Huang, H. S. Chu, B. Yu, and D. J. Yao. 2011. Experiments and simulations on low-temperature waste heat harvesting system by thermoelectric power generators. Appl. Energy88:1291–1297.
  55. Harvesting heat and vibration energy to power wired communication in vehicle safety system, 2013. Available at http://www.digikey.com (accessed 14 May 2014).
  56. Zhao, D.2013. Waste thermal energy harvesting from a convection-driven Rijke-Zhao thermo-acoustic-piezo system. Energy Convers. Manage.66:87–97.
  57. Pyroelectricity. Group of Dielectric Physics website. Available at http://www.gdp.if (accessed 14 June 2014).
  58. Cha, G., and S. Ju. 2013. Pyroelectric energy harvesting using liquid-based switchable thermal Interfaces. Sens. Actuators A189:100–107.
  59. Yang, Y., S. Wang, Y. Zhang, and Z. L. Wang. 2012. Pyroelectric nanogenerators for driving wireless sensors. Nano Lett.12:6408–6413. Available at http://dx.doi.org/10.1021/nl303755m
  60. Zhang, Q., A. Agbossou, Z. Feng, and M. Cosnier. 2011. Solar micro-energy harvesting with pyroelectric effect and wind flow. Sens. Actuators A168:335–342.
  61. Paulo, J., and P. D. Gaspar. 2010. Review and future trend of energy harvesting methods for portable medical devices. Proceedings of the World Congress on Engineering, London, U.K.
  62. Dow, A. B. A., H. A. Al-Rubaye, D. Koo, M. Schneider, A. Bittner, U. Schmid, et al. 2011. Modeling and analysis of a micromachined piezoelectric energy harvester stimulated by ambient random vibrations. Smart Sensors, Actuators and MEMS vol. 8066, 7 pages. Available at http://dx.doi.org/10.1117/12.885861
  63. Wacharasindhu, T., and J. W. Kwon. 2008. Micromachined energy harvester form a keyboard using combined electromagnetic and piezoelectric conversion. J. Micromech. Microeng.18:104016.
  64. Li, B., A. J. Laviage, J. H. You, and Y. J. Kim. 2013. Harvesting low-frequency acoustic energy using quarter-wavelength straight-tube acoustic resonator. Appl. Acoust.74:1271–1278.
  65. Huang, P. C., T. H. Tsai, and Y. J. Yang. 2013. Wide-bandwidth piezoelectric energy harvester integrated with parylene-C beam structures. Microelectron. Eng.111:214–219.
  66. He, X. F., and J. Gao. 2013. Wind energy harvesting based on flow-induced-vibration and impact. Microelectron. Eng.111:82–86.
  67. Vatansever, D., R. L. Hadimani, T. Shah, and E. Siores. Comparative investigation of PVDF and PZT based piezoelectric smart structures for rain and wind energy generation and polymer based piezoelectric fibre production. Available at http://eh-network.org/ (accessed 25 June 2014).
  68. Shindo, Y., F. Narita, and T. Sasakura. 2011. Cryogenic electromechanical behaviour of multilayer piezo-actuators for fuel injector applications. J. Appl. Phys.110:084510–084510-7.
  69. Boukari, A. F., J. C. Carmona, G. Moraru, F. Malburet, A. Chaaba, and M. Douimi. 2011. Piezo-actuators modelling for smart applications. Mechatronics21:339–349.
  70. Nisar, A., N. Afzulpurkar, B. Mahaisavariya, and A. Tuantranont. 2008. MEMS-based micropumps in drug delivery and biomedical applications. Sens. Actuators B130:917–942.
  71. Chi, F. L., Y. Wu, Q. B. Yan, Y. H. Shen, Y. Jiang, and Y. H. Fan. 2009. Sensitivity and fidelity of a novel piezoelectric middle ear transducer. J. Otorhinolaryngol.71:216–220.
  72. Weber, R.Piezo motor based medical devices. Available at http://www.mdtmag.com/ (accessed 15 May 2014).
  73. Ha, K.2005. A combined piezoelectric composite actuator and its application to wing/blade tips. Ph.D. thesis, Georgia Institute of Technology, Atlanta, GA.
  74. Carazo, A. V.Revolutionary innovations in piezoelectric actuators and transformers at FACE. Available at http://www.dtic.mil (accessed 18 May 2014).
  75. Mossi, K. M., G. V. Selby, and R. G. Bryant. 1998. Thin-layer composite unimorph ferroelectric driver and sensor properties. Mater. Lett.35:39–49.
  76. Dorch, S. B. F.2007. Magnetohydrodynamics. Scholarpedia2:2295.
  77. Dai, D., J. Liu, and Y. Zhou. 2012. Harvesting biomechanical energy in the walking by shoe based on liquid metal magnetohydrodynamics. Front. Energy6:112–121.
  78. Allen, R. C.2000. Triboelectric generation: getting charged. Desco Industries Inc. Available at http://www.esdjournal.com/techpapr/ryne/ryntribo.doc (accessed 18 June 2014).
  79. Hou, T. C., Y. Yang, H. Zhang, J. Chen, and Z. L. Wang. 2013. Triboelectric nanogenerator built inside shoe insole for harvesting walking energy. Nano Energy2:856–862. Available at http://dx.doi.org/10.1016/j.nanoen.2013.03.001
  80. Fan, F. R., Z. Q. Tian, and Z. L. Wang. 2012. Flexible triboelectric generator. Nano Energy1:328–334. doi: 10.1016/j.nanoen.2012.01.004
  81. Kang, H., G. Zhou, and Q. Li. 2010. Thermoacoustic effect of travelling-standing wave. Cryogenics50:450–458.
  82. Swift, G.2004. Thermoacoustics. Available at http://www.lanl.gov (accessed 18 June 2014).
  83. Ferris, D.2009. Thermoacoustic engine. Available at http://theferrisfiles.com/ (accessed 20 June 2014).
  84. Tao, J., Z. Bao-sen, T. Ke, B. Rui, and C. Guo-bang. 2007. Experimental observation on a scale thermoacoustic prime mover. J. Zhejiang Univ. Sci. A8:205–209.
  85. Smoker, J., M. Nouh, O. Aldraihem, and A. Baz. 2012. Energy harvesting from a standing wave thermo-acoustic-piezoelectric resonator. J. Appl. Phys.111:104901.
  86. Baz, A. M.Thermoacoustic–piezoelectric resonators. Available at http://www.baz.umd.edu (accessed 15 June 2014).
  87. Chandler, D. L.Explained: nanowires and nanotubes. Available at http://web.mit.edu (accessed 15 June 2014).
  88. Dresselhaus, M. S., M. Y. Lin, O. Rabin, M. R. Black, and G. Dresselhaus. Nanowires. Available at http://mgm.mit.edu/ (accessed 16 December 2013).
  89. Rao, C. N. R., and A. Govindaraj. 2001. Nanotubes and nanowires. Proc. Indian Acad. Sci.113:375–392.
  90. Nanowire. Science Daily website. Available at http://www.sciencedaily.com/ (accessed 16 December 2013).
  91. Willander, M., and O. Nur. Applications of zinc oxide nanowires for biophotonics and bio-electronics. Available at http://spie.org/ (accessed 17 March 2014).
  92. Falconi, C., G. Mantini, A. D'Amico, and Z. L. Wang. 2009. Studying piezoelectric nanowires and nanowalls for energy harvesting. Sens. Actuators B139:511–519.
  93. Olabi, A. G., and A. Grunwald. Design and application of magnetostricitve “MS” materials. Available at http://doras.dcu.ie/ (accessed 26 March 2014).
  94. Wang, L.2007. Vibration energy harvesting by magnetostrictive material for powering wireless sensors. Ph.D. thesis, North Carolina State University, Raleigh, NC.
  95. Staley, M. E.2005. Development of a prototype magnetostrictive energy harvesting device. M.Sc. thesis, University of Maryland, College Park, MD.
  96. Wang, L., and F. G. Yuan. 2007. Energy harvesting by magnetostricitve material (MsM) for powering wireless sensors in SHM. SPIE Smart Structures and Materials & NDE Health Monitoring. Available at http://www.mae.ncsu.edu/ (accessed 11 January 2014).
  97. Clark, A. E., M. W. Fogle, J. B. Restorff, and T. A. Lograsso. 2002. Magnetostrictive properties of galfenol alloys under compressive stress. Mater. Trans.43:881–886.
  98. Cleaning Technologies Group. Magnetostrictive versus piezoelectric transducers for power ultrasonic applications. Available at http://www.ctgclean.com (accessed 10 January 2014).
  99. Ueno, T., and S. Yamada. 2011. Performance of energy harvester using iron-gallium alloy in free vibration. IEEE Trans. Magn.47:2407–2409.
  100. Tay, L.2011. NZ researchers build wearable generators. Available at http://www.itnews.com.au/ (accessed 31 January 2014).
  101. Mckay, T. G., S. Rosset, I. A. Anderson, and H. Shea. 2013. An electroactive polymer energy harvester for wireless sensor networks. J. Phys.479:1–5. doi: 10.1088/1742-6596/476/1/012117
  102. Rhee, S., D. Seetharam, and S. Liu. 2004. Techniques for minimizing power consumption in low data-rate wireless sensor networks. Wireless Communications and Networking Conference, Vol 3, Atlanta, GA.
  103. Wang, D. A., and K. H. Chang. 2010. Electromagnetic energy harvesting from flow induced vibration. Microelectron. J.41:356–364.
  104. Ashraf, K., M. H. M. Khir, J. O. Dennis, and Z. Baharudin. 2013. Improved energy harvesting from low frequency vibrations by resonance amplification at multiple frequencies. Sens. Actuators A195:123–132.
  105. Tang, L., Y. Yang, and C. K. Soh. 2013. Broadband vibration energy harvesting. Pp. 17–61inN. Elvin and A. Erturk, eds. Advances in energy harvesting methods. Springer, Singapore.
  106. Zhu, D.2011. Vibration energy harvesting: machinery vibration, human movement and flow induced vibration. Pp. 25–54inY. K. Tan, ed. Sustainable energy harvesting technologies – past, present, & future. InTech, Japan.
  107. Aboulfotoh, N. A., M. H. Arafa, and S. M. Megahed. 2013. A self-tuning resonator for vibration energy harvesting. Sens. Actuators A20:328–334.
  108. Mikeka, C., and H. Arai. 2011. Design issues in radio frequency energy harvesting system. Pp. 235–256inY. K. Tan, ed. Sustainable energy harvesting technologies – past, present & future. InTech, Japan.
  109. Singh, G., R. Ponnaganti, T. V. Prabhakar, and K. J. Vinoy. 2013. A tuned rectifier for RF energy harvesting from ambient radiations. AEU – Int. J. Electron. Commun.67:1–6.
  110. Challa, V. R., M. G. Prasad, and F. T. Fisher. 2009. A coupled piezoelectric–electromagnetic energy harvesting technique for achieving increased power output through damping matching. Smart Mater. Struct.18:1–11.
  111. Challa, V. R., M. G. Prasad, Y. Shi, and F. T. Fisher. 2008. A vibration energy harvesting device with bidirectional resonance frequency tenability. Smart Mater. Struct.17:1–10.
  112. Nersessian, N., G. P. Carman, and H. B. Radousky. 2008. Energy harvesting using a thermocouple material field of classification search. U.S. Patent 7397169B2. Available at https://docs.google.com/ (accessed 20 May 2014).
  113. Xu, C., C. Pan, Y. Liu, and Z. L. Yang. 2012. Hybrid cells for simultaneously harvesting multi-type energies for self-powered micro/nanosystem. Nano Energy1:259–272.
  114. Belhora, F., P. J. Cottinet, A. Hajjaji, D. Guyomar, M. Mazroui, L. Lebrun, et al. 2013. Mechano-electrical conversion for harvesting energy with hybridization of electrostrictive polymers and electrets. Sens. Actuators A201:58–65.
  115. Hobbs, W., Jr.2010. Piezoelectric energy harvesting vortex induced vibrations in plants, soap films, and arrays of cylinders. M.Engg thesis, Georgia Institute of Technology, Atlanta, GA.
  116. Gao, X.2011. Vibration and flow energy harvesting using piezoelectric. Ph.D. thesis, Drexel University, Philadelphia, PA.
  117. Ravindran, P.2011. Harvesting thermal energy to power agricultural sensors. M.Sc. thesis, North Carolina State University, Raleigh, NC.
  118. Sebald, G., D. Guyomar, and A. Agbossou. 2009. On thermoelectric and pyroelectric energy harvesting. Smart Mater. Struct.18:1–7.
  119. Sandru, O.2010. Vibration powered magnetostrictive generator invented by Japanese researcher. Available at http://www.greenoptimistic.com (accessed 15 January 2015).
  120. Yang, J., J. Chen, Y. Liu, W. Yang, Y. Su, and Z. L. Wang. 2014. Triboelectrification-based organic film nanogenerator for acoustic energy harvesting and self-powered active acoustic sensing. ACS Nano8:2649–2657.
  121. Singh, G., R. Ponnaganti, T. V. Prabhakar, and K. J. Vinoy. 2013. A tuned rectifier for RF energy harvesting from ambient radiations. AEU – Int. J. Electron. Commun.67:564–569.
  122. Tiny turbine in human artery harvests energy from blood flow. The PhysOrg website. Available at http://phys.org (accessed 4 February 2014).
  123. Renaud, M., G. Altena, M. Geodbloed, de Nooijer C., S. Matova, Y. Naito, et al. 2013. A high performance electrostatic MEMs vibration energy harvester with corrugated inorganic SiO2-Si3N4 electret. Available at http://www.researchgate.net (accessed 5 February 2014).
  124. Sarpeshkar, R.Ultra low power bioelectronics fundamentals, biomedical applications, and bio-inspired systems. Available at http://dosen.narotama.ac.id (accessed 5 February 2014).
Back to Top

Document information

Published on 01/06/17
Submitted on 01/06/17

Licence: Other

Document Score

0

Views 494
Recommendations 0

Share this document

claim authorship

Are you one of the authors of this document?