Resumen

Este artículo muestra una aproximación polinomial numérica al tema de cómo los transistores de unión "BJT" y los transistores de efecto de campo "FET" pueden funcionar en condiciones seguras o inseguras en atmósferas explosivas. Hemos analizado los transistores más utilizados con termografía, trabajando en un entorno controlado, para caracterizar su comportamiento térmico. Con esta caracterización podemos predecir su posibilidad de incendiar un lugar clasificado (atmósfera explosiva) fundamentalmente por medio de conducción térmica y alcanzando la mínima energía de activación del vapor, polvo o fibras volátiles. Hemos llevado estos transistores a sus valores nominales especificados por sus corrientes y voltajes de trabajo, y encontramos que el efecto de la disipación de calor en la unión base-emisor de un transistor BJT es realmente no lineal y mucho mayor que en el voltaje de umbral de polarización del FET debido a las pérdidas inherentes para obtener la tensión nominal del diodo que forma la unión base-emisor. Hemos encontrado experimentalmente que es muy fácil obtener una diferencia térmica de más de 200 °C en sobrecalentamiento de un BJT común en comparación con un MOSFET con una carga similar en polarización fija. Encontramos temperaturas superiores a 300ºC en BJTs en rangos operativos comunes, cuando se supone que la temperatura “segura” aceptada no supera los 200ºC en ningún caso. Este problema se aborda con un análisis de desempeño, enfocado en la temperatura, y sugiere que no se deben implementar equipos con tecnologías BJT en algunas áreas de ubicaciones peligrosas o explosivas; por lo que son preferibles las tecnologías MOSFET.

Palabras clave: BJT, áreas peligrosas clasificadas, explosión, seguridad intrínseca, MOSFET, temperatura, transistor.

Abstract

This paper shows a numerical polynomial approximation to the issue of how junction transistors "BJT" and field effect transistors "FET" can work in safe or unsafe conditions in explosive atmospheres. We have analyzed the most widely used transistors with thermal imaging, working in a controlled environment, to characterize their thermal behavior. With this characterization, we can predict their possibility to ignite a classified location (explosive atmosphere) fundamentally by mean of thermal-conduction and reaching the minimum activation energy of the combustible vapor, dust or flying. We have bring these transistors to their nominal rated values specified by their currents and working voltages, and we found that the effect of heat dissipation on the base-emitter junction of a transistor BJT is really non linear and much greater than on the threshold voltage of polarization of the FET due to the inherent loses to obtain the nominal voltage of the diode that forms the base-emitter junction. We have found experimentally that it is very easy to obtain a thermal difference of more than 200 °C in overheating of a common BJT compared to a MOSFET with a similar load in fixed polarization. We found temperatures over 300ºC in BJTs in common operating ranges, when the accepted “safe” temperature is supposed to be no more than 200ºC in any case. This issue is addressed with performance-based analysis, focused on temperature, and it suggest that equipment with BJT technologies should not be implemented in some areas of hazardous or explosive locations; so MOSFET technologies are preferable.

Keywords: BJT, classified hazardous locations, explosion, intrinsic safety, MOSFET, temperature, transistor.

1. Introducción

En zonas clasificadas, o áreas de alto riesgo de explosión, se acostumbra a diseñar e instalar sistemas eléctricos que cumplan o excedan parámetros de seguridad que se fundamentan en alguno de los principios de protección contra fallos eléctricos siguientes, para los dispositivos de riesgo: 1. Que se pueda confinar la explosión, o sea que el dispositivo sea “a prueba de explosión”. 2. Que se pueda evitar la ignición, o sea que el dispositivo sea a prueba de ignición. 3. Que se pueda aislar la combinación de riesgo, o sea que el dispositivo tenga sellado hermético contra el agente capaz de causar la ignición o explosión (caso que ni siquiera permite el “riesgo de ignición”). 4. Que se puedan limitar los niveles energéticos a aquellos en los que sea imposible que se produzca ignición o explosión, o sea que el dispositivo sea “intrínsecamente seguro” en su operación [1] [2].

De todos los principios de protección, el que ha dado resultados concretos más balanceados en cuanto a niveles de protección y resultados conseguidos versus la inversión y recursos que se han requerido en investigación, desarrollo, diseño y aplicaciones, tiende a ser en nuestros días el de limitación de la energía, con lo cual se busca que los dispositivos eléctricos en las áreas de alto riesgo sean cada vez más “intrínsecamente seguros” [3]. Los recientes acontecimientos relacionados a grandes explosiones en áreas que mantuvieron un riesgo explosivo que pudo ser evitado; como el ocurrido el 4 de agosto de 2020 en el puerto de Beirut, en el cual 2750 toneladas de nitrato de amonio explotaron dejando costosas pérdidas en vidas y bienes, nos recuerdan la importancia del manejo adecuado de las sustancias explosivas, así como el cuidado que se debe tener en el diseño, instalación, operación y mantenimiento de los lugares donde estas pudiesen estar [4].

El que un dispositivo sea “intrínsecamente seguro” implica que el mismo no tenga la posibilidad por medio de generación energética de ningún tipo, de pilotar lo que se conoce como energía de activación de ningún gas o polvo de una zona de alto riesgo de explosión. Eso incluye tanto los efectos eléctricos puros, como los efectos térmicos, o combinaciones termoconductivas [5] de los dispositivos, por medio de las cuales pueda generarse el riesgo de ignición o explosión [6].

Para aquellos circuitos que tengan alta incidencia o potencial de generación de chispas, es usual utilizar dispositivos electrónicos tipo barrera de energía, en los cuales se inhibe el potencial del circuito en cuanto a esta generación de chispas cuando el mismo entra en la zona de alto riesgo de explosión. Los más comunes son aquellos que utilizan como limitadores, las características propias de un diodo Zener [7].

Para el caso de generación de potenciales térmicos, hasta ahora, se ha estudiado la caracterización de aparatos y máquinas eléctricas para el cumplimiento de los parámetros funcionales de seguridad, viendo que cumplan con temperaturas máximas de superficie en operación que no superen las temperaturas de autoignición de los gases, polvos o fibras combustibles que pudiesen estar presentes en el ambiente donde se encuentra el aparato, en el momento en que el mismo esté operando. Se tiene una clasificación de temperaturas en seis niveles de riesgo térmico generales (mostrados en la Tabla 1) que hoy en día es compartida tanto por la National Fire Protection Association (NFPA), como por la International Electrotechnical Commission (IEC) y la norma de “Appareils destinés à être utilisés en Atmosphères Explosives” (ATEX) [8] [9] [10].

Clasificación Temperatura máxima en la superficie del elemento eléctrico Temperatura “T” de ignición del producto en el área clasificada
T1 450°C T > 450ºC
T2 300°C 300ºC < T < 450ºC
T3 200°C 200ºC < T < 300ºC
T4 135°C 135ºC < T < 200ºC
T5 100°C 100ºC < T < 135ºC
T6 85°C 85ºC < T < 100ºC

Tabla 1: Clasificación de temperatura para elementos en atmósferas explosivas, según NFPA, IEC y ATEX. Se muestra la correlación existente entre la clasificación por temperatura, la temperatura máxima que puede tener en la superficie cualquier elemento eléctrico o electrónico en el área clasificada y la temperatura de ignición del agente combustible (usualmente la temperatura de autoignición de gas o vapor de mezcla) que tenga posibilidad de existir en el área clasificada.


Bajo ciertas condiciones y debido a la existencia hoy en día de variadores de frecuencia (VFD – ASD) y elementos que usan la electrónica de potencia como controladores de las máquinas eléctricas, el comportamiento térmico no lineal de las máquinas se distancia bastante de lo indicado usualmente en sus placas de fabricante [11], los cuales consideran un funcionamiento en estado estable óptimo y frecuencia constante para los datos de placa de cada máquina. El uso de modelos termoconductivos ha logrado que la caracterización térmica de estos equipos pueda ser muy precisa en muchos de los casos, pero a la vez altamente demandante en temas de modelado matemático, lo que lo vuelve impráctico cuando se desea caracterizar un conductor simple, ya sea alimentador primario o secundario (para el caso de impedancias de secundario), en una aplicación donde se tengan ondas eléctricas en estado estable y con poca distorsión [12]. A pesar de que las caracterizaciones matemáticas termoconductivas pueden lograr un adecuado acercamiento a la realidad del comportamiento de cada elemento, la estimación térmica en tiempo real de estos elementos eléctricos se vuelve en muchos casos tediosa cuando el conductor está sometido a carga limítrofe, sobrecarga, poca capacidad de disipación, temperaturas ambientales superiores a las nominales de diseño u otras variabilidades ambientales; que es cuando se alejan del comportamiento térmico esperado por los fabricantes, caso para los cuales se pueden utilizar modelos de cálculo simplificados [13] [14], para efectos de la estimación de las temperaturas de superficie.

En el caso de amplificadores con transistores, no se tiene hasta ahora estudios publicados de su caracterización térmica para ser usados como suministradores directos de potencia eléctrica a circuitos en áreas clasificadas con atmósferas explosivas. En lo sucesivo, presentamos los resultados de un estudio experimental comparativo y modelado del comportamiento térmico de los dos transistores más extensamente utilizados hasta nuestros días, el transistor de efecto de campo metal-óxido-semiconductor (MOSFET), y el transistor de unión bipolar (BJT); ambos operando en polarización fija, para caracterizar su comportamiento térmico cuando son usados como “alimentadores de potencia”, y verificar si su utilización en las áreas clasificadas con alto riesgo explosivo es viable o no. Esto implica analizar datos y parámetros específicos de los transistores MOSFET y BJT en corriente directa (DC), como corrientes, voltajes de activación, y principalmente el estudio termográfico en operación de los dispositivos, donde se mide el cambio de temperatura (para distintos valores de entrada) de los encapsulados seleccionados en la investigación, que son el tipo TO-92 (BJT) y TO-220(MOSFET), por ser ampliamente extendidos en su uso mundial. Este estudio termográfico, nos da las temperaturas reales de superficie que alcanzan estos dispositivos, con lo cual, al ser comparadas con la tabla 1, nos da una guía de qué tan peligroso podría ser la operación de los dispositivos en las áreas clasificadas.

Es importante destacar, que la mayoría de los casos de áreas clasificadas con atmosferas explosivas se deben a la posibilidad de tener gases o vapores explosivos en la zona [15], sin embargo, los polvos y fibras volátiles también representan riesgos ignitables [16]. La mayor parte de los combustibles líquidos y sólidos clasificados, emanan algún gas, vapor, polvo o fibra volátil que a una temperatura específica adquiere lo que se conoce como “energía de activación”, que no es más que la energía mínima para lograr la reacción de los primeros átomos o moléculas del combustible con el oxígeno, logrando la ignición. Esta energía de activación puede ser lograda también por medio de la interacción directa de las partículas de gas con un arco eléctrico. Esta investigación cubre la parte termoconductiva, no la de arco. Los conceptos de clasificación de áreas por riesgo de explosión, tanto en NFPA, como en IEC y ATEX [9] [10], pueden parecer un poco complejos, pues se fundamentan en la probabilidad de encontrarse en una zona con una capacidad ignitable suficiente (por porcentaje de combustible entre los límites de explosividad o inflamabilidad) [17] [18]; sin embargo, la protección de tipo intrínseco, podría resumirse en imposibilitar las condiciones para que se logre la energía de activación del combustible. Si esto se logra, cualquier nivel de concentración, cantidad de horas, o probabilidad de contacto con el combustible, se vuelven insuficientes en todo sentido para lograr una explosión. La manera más viable de controlar la potencial energía de activación de un combustible es controlando que no se llegue a su temperatura de ignición, que estaría clasificada en rangos de acuerdo con la tabla 1. Cada combustible tiene una temperatura propia de ignición.

La fase experimental se presentará en base a los resultados cuantitativos y cualitativos que se obtuvieron de circuitos independientes con cada modelo de transistor (MOSFET y BJT). A pesar de tener principios de operación distintos, debido a su diseño y estructura, comparten las características de funcionar como interruptor y amplificador, por lo que se tomaron estos aspectos para llevar los transistores a condiciones nominales de operación, con motores DC de 12 V y 24 V como cargas, basados en las zonas de trabajo de cada tipo de dispositivo para estas aplicaciones, y evaluando su desempeño térmico, comparando con lo estipulado en la tabla 1.

Se han elegido estados de carga en polarización fija y trabajo continuo para la operación de cada dispositivo, ya que será un punto relevante en la exigencia de su estabilidad térmica. Aquel dispositivo que se mantenga más estable térmicamente en trabajo a carga fija continua debe tener un comportamiento más fresco con periodos de ciclos de trabajo donde tenga descansos.

Es importante destacar que se utilizaron MOSFETs y BJTs con características de fabricación en rango térmico de operación lo más similares posibles y les fueron aplicados ajustes similares de voltaje y corriente, de acuerdo a los objetivos de carga y su principio de funcionamiento.

Los modelos de transistores BJT específicos en los que se estudió el comportamiento térmico fueron: BC548 (npn), P2N2222A (npn) y BC369 (pnp). En cuanto a los modelos MOSFET utilizados, fueron los siguientes: IRF530N (canal n) e IRF9530 (canal p).

Las formas principales de transferencia de calor utilizadas por todos los transistores mencionados son conducción entre la unión de juntura y el encapsulado y convección entre el encapsulado y el ambiente. La radiación es bastante pobre en estos casos por efectos de los niveles térmicos que se manejan y podría incluso despreciarse [19] [20]. La diferencia de temperatura entre la unión o juntura (Tj) del semiconductor (dato dado por el fabricante) y el encapsulado (Tc), genera un flujo de energía calorífica del punto más caliente al más frío, a través de parámetros concentrados que se oponen al paso de energía, conocidos como resistencias térmicas [5] [21].

2. Materiales y métodos

Se construyeron circuitos electrónicos de prueba utilizando transistores MOSFET y BJT, de distintos modelos, diseñados para operar en polarización fija. Los dispositivos comparten rangos térmicos de operación parecidos, de tal manera que se puede establecer una comparación directa entre ellos. Como cargas se utilizaron motores DC de 12 y 24 V, operando en los rangos de voltaje y corriente de trabajo de los transistores, que se obtienen de sus valores nominales, y que permite llevar los transistores a sus condiciones límites, sin sobrepasarlas. Esto propicia la medición de los valores máximos y mínimos para los cuales la carga se mantiene activa (estatus On).

Se utilizan imágenes térmicas para obtener el valor de la temperatura instantánea y diferencial distribuida en todas partes del encapsulado de los transistores, a medida que se varía el voltaje de la fuente. Con estas imágenes se puede analizar termográficamente la forma como el transistor está disipando potencia, y por comparativa directa con los valores de la tabla 1, se determina si su operación es riesgosa por causa de disipación térmica en lugares con riesgo de explosión, y en qué clasificación de riesgo entraría según el rango de operación mostrado. Con el voltaje de la fuente se controla la corriente de base (IB) en el caso de los transistores BJT, y el voltaje de compuerta a fuente (VGS) en el caso de los MOSFET, mediante el uso de un divisor de voltaje. Los equipos de termografía utilizados han sido cámaras termográficas Flir E40 y E60 de alta sensibilidad térmica (<0.07°C a 30°C), ambos con capacidad de medición certificada en el rango térmico de -20ºC a 650°C, con certificados de calibración vigentes del fabricante al momento de las pruebas [22].

Aplicando pruebas con ajustes que variamos de forma definida, los cuales llamamos niveles de carga experimentales, se obtuvieron resultados, que permiten inferir el tipo de dispositivo con mayor ventaja comparativa, partiendo de su comportamiento térmico. La temperatura ambiental fue controlada en todos los casos a 25±1 ºC. Los resultados también permiten inferir la posibilidad o no del uso de ambos tipos de transistor de acuerdo con los riesgos explosivos clasificados por NFPA, IEC y ATEX.

Se utilizaron los siguientes tipos de BJT: BC548 (npn), 2N2222A (npn) y BC369 (pnp). En cuanto a los MOSFET, se utilizaron los siguientes: IRF530N (canal n) e IRF9530 (canal p). Cada dispositivo fue sometido treinta veces exactamente a las mismas pruebas controladas y se obtuvo en todos los casos el promedio estadístico del resultado en cada una de las pruebas. En ningún caso los errores estadísticos fueron superiores al 2% con respecto a la media reportada.

3. Teoría

En nuestro estudio, nos enfocamos en medir experimentalmente el comportamiento térmico de los transistores MOSFET y BJT en polarización fija, sin disipador térmico unido al encapsulado. Es importante señalar, que se da por hecho, que la ignición pilotada por causa de llevar el transistor afuera de sus límites, o por la falla constructiva del dieléctrico en alguna parte, no es una opción para considerar en este caso. Es obvio que los parámetros de calidad constructiva y seguridad de operación de los transistores seleccionados para su uso en lugares con alto riesgo de explosión son temas que deben estar certificados por sistemas de gestión de calidad adecuadamente diseñados, por lo cual ahora nos enfocaremos en aquella parte que no puede controlarse fácilmente con metodologías de gestión de calidad; que es su comportamiento térmico ante la carga, dentro de sus límites de operación.

Nos interesa ver cuál de los dos tipos de dispositivos, al realizar el mismo trabajo (carga), en polarización fija, disipa menor potencia en sus uniones, la cual se transfiere en forma de calor por conducción al encapsulado. Esto permite inferir el modelo de estructura de transistor más confiable en un circuito electrónico al operar sin disipador térmico (el caso más crítico), utilizando el modo de polarización más simple, pero a la vez uno de los más demandantes por los efectos del ciclo continuo de carga.

Cuando se ha intentado establecer la comparación de un lote de MOSFET del mismo tipo [23], operando en polarización fija, los resultados han arrojado una importante variación en los valores de la corriente del drenaje (ID), sin embargo, no se ha hecho alusión a resultados cuantitativos del comportamiento térmico de la unión con respecto a dicho valor de corriente.

En el caso de los BJT, el comportamiento eléctrico pareciera ser en principio bastante más lineal; pues si aumenta la corriente del colector (IC), aumenta la potencia disipada en el transistor, por lo que también debe aumentar la temperatura; pero con esto obtenemos una variación adicional de IC. Si no hay un elemento que limite IC, el transistor puede llegar a quemarse [24].

Hasta ahora, se ha considerado que los estados de polarización y operación de los transistores son dependientes de las corrientes en sus terminales de forma casi única; pero existe investigación previa de tecnologías en fase de experimentación que plantea la existencia de una fuerte dependencia con la temperatura de los principales parámetros eléctricos de los transistores MOSFET de nanocables de silicio sin empalme (JL) [25].

En cuanto a los BJT, hay investigaciones que sustentan que incluso el punto de polarización cambia debido a las variaciones de temperatura, lo cual complica la aseguranza de un punto de operación adecuado como amplificador [26], el cual estará sujeto a los niveles térmicos que se alcancen, que serán dependientes tanto de la generación térmica del propio transistor, como de las condiciones de disipación que se tengan en el ambiente donde el mismo esté (conducción, convección y radiación), lo cual no es en absoluto lineal.

4. Resultados y discusión

Se presentan a continuación los resultados de experimentación, en la cual se sometieron a prueba dispositivos BJT y MOSFET.

4.1. Pruebas con BC548 (BJT-npn)

En la Fig. 1 se muestra el diseño de circuito de prueba para este modelo de transistor en polarización fija, usando como carga un motor de 12 voltios en corriente directa (12 VDC). En la Tabla 2, se pueden observar los valores de referencia que da el fabricante [27] y en la Tabla 3 se muestran los resultados que obtuvimos en las pruebas experimentales, para los diferentes niveles de carga a los que se llevó el transistor, donde Vs es el voltaje asignado a la fuente para cada nivel de carga. La temperatura ambiente fue controlada en todas las pruebas a 25ºC con un error experimental de control de 1ºC.

Draft Cardenas 688166416-image1.png
Fig. 1. Circuito de prueba para transistor BC548 (BJT-npn).


Parámetro Descripción Valor o rango
Tj, Tc Rango de temperaturas de la unión y carcasa -55ºC < Tj, Tc < 150ºC
IC Corriente del colector 500 mA
VCE (SAT) Voltaje colector-emisor de saturación 0.25V < VCE <0.60V
VBE (ON) Voltaje base-emisor máximo 0.70V < VBE <0.77V
PD Disipación total del dispositivo a temp. ambiente de 25ºC 625 mW
β Ganancia de corriente DC 110
TO-92 Tipo de encapsulado -

Tabla 2: Se muestran los valores de referencia del fabricante [27] para el BJT-npn BC548.

Vs (V) IC (mA) VBE (V) VCE (V) Tc (ºC) IE (mA) PD (mW) Estado
0 0 0 0 25 0 0 off
10 116.3 0.47 2.12 43 125.7 250.97 on
15 152.4 0.53 5.22 77 164.0 801.68 on
20 156.0 2.64 5.23 162 178.0 873.96 on
25 280.0 2.50 3.22 202 285.6 915.60 on
30 320.0 1.20 3.10 211 330.0 1004.0 on
35 330.0 2.00 4.00 221 338.7 1337.4 on

Tabla 3: Se muestran los resultados experimentales de las pruebas de carga con el BJT-npn BC548.

La Tabla 3 tiene mucha información de interés, pero llama la atención el incremento en el nivel de temperatura de este transistor en los niveles de carga que están por encima de los 150 mA de IC, cuando el mismo esta supuesto a llevar sin problemas cargas de hasta 500 mA. De hecho, la estabilización térmica que se esperaba que en alta carga fuese cercana a los 150ºC, llega a ser muy por encima de eso; incluso se encuentra que, en los niveles más altos de carga, tenemos temperaturas de carcasa superiores a los 200ºC, el cual es un valor que comúnmente se relaciona a la última frontera térmica que brinda un nivel de seguridad aceptable contra fallas para la operación de dispositivos de unión bipolar.

En Fig. 2 se puede apreciar el comportamiento térmico del BJT BC548 contra su nivel de carga en corriente de colector, y es notable e interesante la poca linealidad que existe entre el incremento de carga y el térmico.

Draft Cardenas 688166416-image2.png
Fig 2. Gráfica de Tc (°C) versus IC (mA) en el transistor BC548 npn


En la Fig. 3, se muestra una termografía del dispositivo BC548, donde se observa la temperatura máxima que alcanzó con los niveles de carga descritos en la Tabla 2.

Draft Cardenas 688166416-image3.png
Fig 3. Termografía de transistor BC548.

4.2. BC369 (BJT – pnp)

En esta ocasión, utilizamos un BJT – pnp, para verificar si el comportamiento térmico conforme aumentan los niveles de carga presenta variación por efectos de la configuración electrónica en las barreras de polarización del transistor. En la Fig. 4 se presenta el circuito para este transistor, con una carga de un motor de 12 VDC. En la Tabla 4, se pueden observar los valores de referencia que da el fabricante [28] y en la Tabla 5 se muestran los resultados que obtuvimos en las pruebas experimentales, para los diferentes niveles de carga a los que se llevó este transistor, donde Vs es el voltaje asignado a la fuente para cada nivel de carga. La temperatura ambiente fue controlada en todas las pruebas a 25ºC con un error experimental de control de 1ºC.

Draft Cardenas 688166416-image4.png
Fig. 4. Circuito de prueba para transistor BC369 (BJT – pnp).


Parámetro Descripción Valor o rango
Tj, Tc Rango de temperaturas de la unión y carcasa -55ºC < Tj, Tc < 150ºC
IC Corriente del colector 1000 mA
VCE (SAT) Voltaje colector-emisor de saturación 0.50V
VBE (ON) Voltaje base-emisor máximo 1V
PD Disipación total del dispositivo a temp. ambiente de 25ºC 625 mW
β Ganancia de corriente DC 50
TO-92 Tipo de encapsulado -

Tabla 4: Se muestran los valores de referencia del fabricante [28] para el BJT-pnp BC369.

Vs (V) IC (mA) VBE (V) VCE (V) Tc (ºC) IE (mA) PD (mW) Estado
0 0 0 0 25 0 0 off
10 0 0.42 8.36 25 0 0 off
15 76.0 0.54 9.86 126 81.6 752.4 on
20 146.0 0.63 10.27 209 155.0 1505.1 on
25 220.0 0.75 10.44 271 229.8 2304.2 on
30 420.0 0.81 10.43 287 418.7 4379.5 on

Tabla 5: Se muestran los resultados experimentales de las pruebas de carga con el BJT-pnp BC369. (Se muestran magnitudes absolutas de IC).

En la Tabla 5 llama la atención que el comportamiento térmico a baja carga es mucho más lineal que el comportamiento del BC548. Mientras que en el transistor npn BC548 parece existir un rango de incremento máximo en las pérdidas (y por tanto calentamiento) por unidad de carga portada por el transistor en su colector, para luego llegar a la estabilidad térmica de sus altos niveles de carga; el transistor pnp BC369 muestra una caracterización mucho más lineal conforme va aumentando la carga en su colector, hasta llegar a la estabilidad térmica de sus altos niveles de carga. También es notable que este transistor pnp se calentó un poco más que el npn; pero es de esperarse en vista de que manejó cargas superiores al npn.

En Fig. 5 se puede apreciar el comportamiento térmico del BJT BC369 pnp contra su nivel de carga en corriente de colector, donde es apreciable que la linealidad del incremento térmico, aunque no es absoluta, que es muy superior a la encontrada en la experimentación con el BC548 npn.

Draft Cardenas 688166416-image5.png
Fig 5. Gráfica de Tc (°C) versus IC (mA) en el transistor BC369 pnp.


En la Fig. 6, se muestra una termografía del dispositivo BC369, donde se aprecia la temperatura máxima que alcanzó con los niveles de carga descritos en la Tabla 5.

Draft Cardenas 688166416-image6.jpeg
Fig 6. Termografía de transistor BC369

4.3. P2N2222A (BJT – npn)

Con la intención de rectificar si las no-linealidades del comportamiento térmico con incremento de carga corresponden específicamente al modelo ya presentado de npn (BC548), o si pudiera tratarse de una generalidad cualitativa de los BJT – npn; se estudió adicionalmente el bien conocido modelo P2N2222A. En la Fig. 7 se presenta el circuito para el transistor P2N2222A, el cual es frecuentemente utilizado para fines académicos y de diseño de equipos electrónicos. En el colector se colocan como cargas dos motores de 12 VDC en paralelo, con la intención de aprovechar la capacidad extra que tiene este transistor en corriente de colector (carga), sobre el BC548, tratando de llevarlo a los más altos niveles de carga mientras aún se encuentra dentro de parámetros comunes de operación. Al ser motores idénticos cumplen el criterio de balance como circuito simétrico [29] (el transistor los ve como carga única). En la tabla 6, se muestran los valores de referencia del fabricante [30] y en la tabla 7 se muestra los resultados que se han obtenido en esta prueba.

Draft Cardenas 688166416-image7.png
Fig. 7. Circuito de prueba para transistor P2N2222A (BJT-npn).


Parámetro Descripción Valor o rango
Tj, Tc Rango de temperaturas de la unión y carcasa -55ºC < Tj, Tc < 150ºC
IC Corriente del colector 600 mA
VCE (SAT) Voltaje colector-emisor de saturación 0.3V < VCE <1.0V
VBE (ON) Voltaje base-emisor máximo 1.2V < VBE <2.0V
PD Disipación total del dispositivo a temp. ambiente de 25ºC 625 mW
β Ganancia de corriente DC 100
TO-92 Tipo de encapsulado -

Tabla 6: Se muestran los valores de referencia del fabricante [30] para el BJT-npn P2N2222A.

Vs (V) IC (mA) VBE (V) VCE (V) Tc (ºC) IE (mA) PD (mW) Estado
0 0 0 0 25 0 0 off
10 240.0 0.66 1.41 99 244.1 341.1 on
15 330.0 0.55 2.15 171 333.0 711.15 on
20 416.0 0.36 3.37 295 420.0 1403.4 on
25 470.0 0.36 3.38 308 473.0 1589.7 on

Tabla 7: Se muestran los resultados experimentales de las pruebas de carga con el BJT-npn P2N2222A.

Nuevamente llama la atención la poca linealidad existente entre el incremento de carga en IC y el incremento térmico visto por medición en Tc. La gráfica de estos parámetros puede verse en la Fig. 8, y aunque la forma de incremento térmico exponenciado es menos agresiva que la vista en la Fig. 2, la misma también se hizo notable en todas las pruebas realizadas con este BJT-npn P2N2222A, así como con el BC548. Como ya hemos explicado, aquí se reportan los promedios estadísticos para cada dispositivo (30 pruebas con cada modelo de dispositivo). Esto sugiere la existencia de una diferencia marcada en la forma como manejan su incremento térmico los npn, versus la forma como la manejan los pnp, que según se vé en Fig. 5, es mucho más lineal hasta llegar a su estabilidad térmica de alta carga. También es interesante ver que la mayor temperatura de alta carga encontrada fue más del doble de la indicada por el fabricante, con 308 ºC en el encapsulado, lo cual se muestra en la termografía de Fig. 9.

Draft Cardenas 688166416-image8.png
Fig 8. Gráfica de Tc (°C) versus IC (mA) en el transistor P2N2222A npn.


Draft Cardenas 688166416-image9.jpeg
Fig 9. Termografía de transistor P2N2222A npn en alta carga.

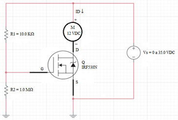
4.4. IRF530N (MOSFET – canal n)

En la Fig. 10 se presenta el circuito utilizado para pruebas con el MOSFET de canal n IRF530N. Se utiliza como carga un motor 12 VDC. Se utiliza una metodología de pruebas similar a la vista con los BJTs, donde en la tabla 8, se muestran los valores de referencia del fabricante [31] y en la tabla 9 se aprecian los resultados que se obtienen como promedio estadístico de las experimentaciones controladas.

Draft Cardenas 688166416-image10.png
Fig 10. Circuito de prueba para transistor IRF530N (MOSFET-canal n).


Parámetro Descripción Valor o rango
Tj, Tc Rango de temperaturas de la unión y carcasa -55ºC < Tj, Tc < 175ºC
ID (max) Corriente de drenaje ID máxima @ Tc=25ºC y VGS=10V 17 A
VDSS Voltaje max. drenaje-fuente con compuerta y fuente en corto. 100 V
VGS (max) Voltaje base-emisor VGS máximo ±20 V
PD Disipación total del dispositivo a temp. ambiente de 25ºC 70 W
VGSth Voltaje de umbral 2V < VGSth < 4V
TO-220 Tipo de encapsulado -

Tabla 8: Se muestran los valores de referencia del fabricante [31] para el MOSFET- canal n IRF530N.

Vs (V) ID (mA) VDS (V) VGS (V) Tc (ºC) PD (mW) Estado
0 0 0 0 25.0 0 off
10 120 0.63 8.72 26.6 75.6 on
15 200 0.63 14.27 29.0 126.0 on
20 250 0.67 19.02 31.1 167.5 on
25 290 0.80 23.60 32.7 232.0 on
30 330 0.80 28.70 33.8 264.0 on

Tabla 9: Se muestran los resultados experimentales de las pruebas de carga con el MOSFET - canal n IRF530N.

En Fig. 11 se muestra gráficamente el comportamiento térmico del MOSFET IRF530N, el cual guarda bastante linealidad. Es interesante destacar que la pendiente de crecimiento térmico es mucho menor que la vista en el caso del BJT pnp que se comportó linealmente en parte de su zona de carga (Fig. 5), lo cual es deseable en los casos de posible aplicación, de locaciones con alto riesgo de explosión, analizados bajo este artículo. Esto indica que la rata de incremento térmico en el proceso de adquisición de carga del transistor es mucho menor que en un BJT. En la Fig. 12 se puede ver una termografía del IRF530N en estado de carga.

Draft Cardenas 688166416-image11.png
Fig 11. Gráfica de Tc (°C) versus ID (mA) en el transistor IFR530N canal n.


Draft Cardenas 688166416-image12.jpeg
Fig 12. Termografía de transistor IRF530N.

4.5. IRF9530 (MOSFET – canal p)

En la Fig. 13 se presenta el circuito utilizado para pruebas con el MOSFET de canal p IRF9530, con una carga de dos motores en paralelo de 24 VDC, en forma análoga comparativamente a las pruebas realizadas con el BJT P2N2222A. En la tabla 10, se muestran los datos de referencia del fabricante [32] y en la tabla 11 se aprecian los resultados que se consiguen como promedio estadístico de las experimentaciones controladas.

Draft Cardenas 688166416-image13.png
Fig 13. Circuito de prueba para transistor IRF9530 (MOSFET-canal p).


Parámetro Descripción Valor o rango
Tj, Tc Rango de temperaturas de la unión y carcasa -55ºC < Tj, Tc < 175ºC
ID (max) Corriente de drenaje ID máxima @ Tc=25ºC y VGS=-10V -12 A
VDSS Voltaje max. drenaje-fuente con compuerta y fuente en corto. -100 V
VGS (max) Voltaje base-emisor VGS máximo ±20 V
PD Disipación total del dispositivo a temp. ambiente de 25ºC 88 W
VGSth Voltaje de umbral -4V < VGSth < -2V
TO-220AB Tipo de encapsulado -

Tabla 10: Se muestran los valores de referencia del fabricante [32] para el MOSFET- canal p IRF9530.

Vs (V) ID (mA) VDS (V) VGS (V) Tc (ºC) PD (mW) Estado
0 0 0 0 25.0 0 off
10 80 1.5 9.00 28.3 120.0 on
15 120 1.6 14.20 31.4 192.0 on
20 156 1.6 19.00 35.2 249.6 on
25 180 1.6 23.80 38.7 288.0 on
30 230 1.7 28.90 41.8 391.0 on
35 256 1.7 32.80 44.6 435.2 on

Tabla 11: Se muestran los resultados experimentales de las pruebas de carga con el MOSFET- canal p IRF9530.

La Fig. 14 muestra gráficamente el comportamiento térmico del MOSFET IRF9530, el cual al igual que el caso del MOSFET canal n, guarda bastante linealidad. Se puede ver que, a diferencia de los BJT, la forma de polarización en los MOSFET no parece influir en su caracterización térmica, obteniendo siempre un comportamiento muy lineal. En la Fig. 15 se puede ver una termografía del IRF9530 en estado de carga.

Draft Cardenas 688166416-image14.png
Fig 14. Gráfica de Tc (°C) versus |ID| (mA) en el transistor IRF9530.


Draft Cardenas 688166416-image15.png
Fig 15. Termografía de transistor IRF9530.

5. Modelos de caracterización térmica

Utilizando análisis de regresión polinomial a partir de los resultados experimentales encontrados, se pueden establecer los modelos básicos de la caracterización térmica de estos dispositivos. En el caso de los BJT npn, la aproximación más cercana se obtiene con un modelo cúbico de la forma:

(1)


En el caso de los BJT pnp, la aproximación sería con un modelo cuadrático de la forma:

(2)


En el caso de los MOSFET, ya sean estos canal p o canal n, la aproximación sería con un modelo lineal de la forma:

(3)


Los valores de IC e ID en todas las ecuaciones son valores de magnitud absoluta, y dependiendo de las unidades que se utilicen, se obtienen por regresión las constantes de ajuste k0, k1, k2 y k3. Cuando las corrientes IC e ID se expresan en miliamperios, los resultados de las constantes de ajuste para la caracterización aproximada de Tc en los dispositivos experimentados se muestran en la tabla 12. Es importante recalcar que cada modelo de transistor tendrá sus propias constantes de ajuste para su caracterización térmica, pero los modelos matemáticos tenderán a ser alguno de los presentados en (1), (2) o (3), de acuerdo con el tipo de transistor.

Tipo Modelo k3 k2 k1 k0 IC o ID max.(mA)
BJT npn BC548 -19.83x10-6 9.792x10-3 -0.5006 22.67 330
BJT pnp BC369 - -2.369x10-3 1.6257 23.05 420
BJT npn P2N2222A -6.821x10-6 6.330x10-3 -0.8505 25.42 470
MOSFET n IRF530N - - 27.895x10-3 24.17 330
MOSFET p IRF9530 - - 80.214x10-3 23.29 256

Tabla 12: Resultados de constantes k0 a k3 para su aplicación en las ecuaciones de (1) a (3). Los máximos de IC o ID, representan los límites de cálculo por efectos de la regresión realizada.

6. Conclusiones

Luego del análisis de datos obtenidos, se puede destacar que los transistores BJT, en polarización fija son dispositivos bastante inestables térmicamente. Si bien, es conocido que los BJT tienden a incrementar su temperatura cuando IC aumenta, como efecto del incremento de IB con el factor de ganancia de corriente DC (β), donde esta variable (IB) está sujeta a una resistividad en la base, se pudo observar que esta resistividad no es para nada óhmica, de hecho, tiene una no linealidad muy alta. Este efecto es más marcado y menos predecible en los BJT tipo npn, en los cuales la mejor aproximación de una caracterización térmica se obtiene con un modelo cúbico de regresión para la Tc con respecto de la IC, mientras que para los de tipo pnp, se logra modelar cuadráticamente, con una función más simple e incluso con resultados de mayor exactitud respecto de los valores obtenidos experimentalmente. Los BJT superaron las temperaturas límites proporcionadas por las hojas del fabricante cuando se usaron en polarización fija por largo tiempo. Esto corrobora claramente que el autocalentamiento y la termoconducción son fuertes limitantes en la operación de los transistores BJT [33], aun cuando los mismos se encuentren dentro de sus límites de carga en operación nominal. En los MOSFET, no fueron evidenciados tales problemas. Si bien hoy en día las tendencias constructivas en la tecnología MOSFET han comenzado a reemplazar el dióxido de silicio (SiO2) por materiales de alta permitividad eléctrica (high- ) como el dióxido de hafnio (HfO2) y otros compuestos como HfSiON [34], esta tendencia responde a la intención de conseguir transistores cada vez más pequeños, sin embargo, su caracterización y comportamiento, es similar a los transistores ya conocidos. La conclusión más viable es, por tanto, que si se requiere tecnología de transistores en zonas con atmosferas explosivas, se use hasta donde sea posible tecnología MOSFET, y de no ser posible, el diseño debe incluir la caracterización térmica de los dispositivos específicos a usar, para conocer su Tc real, la cual debe ser inferior a la clasificación de temperaturas de la zona. Esto debe considerarse en adición a la probabilidad que tenga el dispositivo de emitir por arco, la energía mínima de activación.

Agradecimientos

Se reconoce para este trabajo el apoyo económico de la Secretaría Nacional de Ciencia, Tecnología e Innovación (SENACYT), por medio del programa del Sistema Nacional de Investigación (SNI), así como las contribuciones del Centro de Estudios Multidisciplinarios en Ciencias Ingeniería y Tecnología (CEMCIT-AIP), y del Grupo de Investigación y Laboratorio de Energía Radiante y Disipaciones Irreversibles (ERDI) de la Universidad Tecnológica de Panamá.

Referencias

[1] Eckhoff R. K. Design of electrical equipment for areas containing combustible dust: Why dust standards cannot be extensively harmonised with gas standards. Journal of Loss Prevention in the Process Industrie, 13,3-5:201-208, 2000.
[2] Buschart R., Kuczka J. Electrical safety in hazardous (classified) class I locations. Record of Conference Papers Industry Applications Society 39th Annual Petroleum and Chemical Industry Conference, 1:293-299, 1992.
[3] Mlinac T., Malaric K., Milas T. Energy limitation as method of electrical apparatus explosion protection. 17th International Conference on Applied Electromagnetics and Communications, 1:45-48, 2003.
[4] BBC. Beirut explosion: How ship's deadly cargo ended up at port. BBC News [En línea]. Available: https://www.bbc.com/news/world-middle-east-53683082. [Último acceso: 8 ago 2020].
[5] Cárdenas D. Modelado de Fuentes Generadoras de Incendios Eléctricos por Termoconducción. Vol. 1, Universitat Politècnica de Catalunya - Barcelonatech, Barcelona, 2011.
[6] Cárdenas D. Propuesta de un Modelo Matemático para calcular el Calentamiento de Conductores Eléctricos. Tecnociencia, 12-2:71-88, 2010.
[7] Leba M., Pop E., Sochirca B., Vanvu P. Modeling, simulation and design of the intrinsic protection using safety barriers. Proceeding of the 8th WSEAS International Conference on Circuits, Systems, Electronics, Control and Signal Processing (CSECS’09), 1:162-167, 2009.
[8] Păsculescu V. M., Vlasin N. I., Șuvar M. C., Lupu C. Decision support system for managin electrical equipment used in hazardous locations. Environmental Engineering and Management Journal, 16-6:1323-1330, 2017.
[9] NFPA. National Electrical Code - NFPA 70, Ed. 2020, NFPA, Masashusets, 2020.
[10] IEC. IEC 60079:2018 SER - Explosive Atmosphere Standards, IEC, Ginebra, 2018.
[11] Cardenas D., Ezekoye O. Thermal Characterization of Electrical Wires and Insulation Operated in Variable Frequency Mode. Fire Technology, 51:1071-1092, 2015.
[12] Cárdenas D. True Calculus of the Warming in Electrical Wires in Low Voltage: A Design Correction. IEEE Latin America Transactions, 13-1:172-180, 2015.
[13] Cárdenas D. A “Thermal-conductive Simplified Model” for the Actual Temperature of Overloaded Cables. IEEE Latin America Transactions, 17-4:615-624, 2019.
[14] Cárdenas D. Algoritmo de modelo termoconductivo para el cálculo preciso de temperaturas en conductores eléctricos de potencia. Revista Internacional de Métodos Numéricos para Cálculo y Diseño en Ingeniería, 36:1-10, 2020.
[15] NFPA. Recommended Practice for the Classification of Flammable Liquids, Gases, or Vapors and of Hazardous (Classified) Locations for Electrical Installations in Chemical Process Areas - NFPA 497, Ed 2021, NFPA, Massashusetts, 2021.
[16] NFPA. Recommended Practice for the Classification of Combustible Dusts and of Hazardous (Classified) Locations for Electrical Installations in Chemical Process Areas - NFPA 499, NFPA, Massashusetts, 2021.
[17] Babrauskas V. Ignition Handbook. Vol 1, Fire Science Publishers/Society of Fire Protection Engineers, Issaquah WA, 2003.
[18] Hall Jr. J., Cote A. An Overview of the Fire Problem and Fire Protection. Fire Protection Handbook 20th Edition, Vol 1, National Fire Protection Association, Quincy Massachusets, 2008.
[19] Cárdenas D., Gracia S., Fernández F., Dzul L. El Recalentamiento Eléctrico por Termoconducción. Una perspectiva fisicoquímica del calentamiento eléctrico. Revista Facultad de Ingeniería Universidad de Antioquía, 64:57-67, 2012.
[20] Incropera F., Dewitt D., Bergman T., Lavine A. Fundamentals of Heat and Mass Transfer, John Wiley & Sons, United States of America, 2007.
[21] Balaji C., Venkateshan P. Combined conduction, convection and radiation in a slot. International Journal of Heat and Fluid Flow, 16-2:139-144, 1995.
[22] Instrumart. Instrumart, Shop Industrial and Laboratory Instruments [En línea]. Available: https://www.instrumart.com/assets/FLIR-Exx-datasheet.pdf. [Último acceso: 12 dic 2020].
[23] Sedra A., Smith K. C. Transistores de efecto de campo MOS (MOSFET). Circuitos Microelectrónicos, Ed. 5, McGraw-Hill, México, 2006.
[24] López J. E., Valls G. C., Marí J. M. Amplificadores de señal con transistores bipolares. Fundamentos de electrónica analógica, Ed. 1, Universidad de Valencia, Valencia, 2006.
[25] Lee C. W., Afzalian A., Borne A., Dehdashti Akthavan N., Yan R., Ferain I., Colinge J. P. High-Temperature Performance of Silicon Junctionless MOSFETs. IEEE Trans. Electron Devices, 57-3:620-264, 2010.
[26] Singh K., Nirmal A. Temperature Variations Effects in BJT Amplifier Circuits at Radio Frequencies. Journal of Engineering And Technology Research, 5-3:1-7, 2017.
[27] Fairchild Semiconductor International, Inc. Datasheet Catalog [En línea]. Available: http://pdf.datasheetcatalog.com/datasheet/fairchild/BC548.pdf. [Último acceso: 08 ago 2020].
[28] ON Semiconductor Corporation. «ON Semiconductor» [En línea]. Available: https://www.onsemi.com/pub/Collateral/BC368-D.PDF. [Último acceso: 8 ago 2020].
[29] Cárdenas D. “Phantom Impedances” as an Option to Solve 3D Symmetrical Circuit Arrangements. IEEE Latin America Transactions, 16-1:155-162, 2018.
[30] ON Semiconductor Corporation. «ON Semiconductor» [En línea]. Available: https://www.onsemi.com/pub/Collateral/P2N2222A-D.PDF. [Último acceso: 10 ago 2020].
[31] International Rectifier Corporation an Infineon Technologies Co. «Infineon» [En línea]. Available: https://www.infineon.com/dgdl/irf530n.pdf?fileId=5546d462533600a4015355e380521998. [Último acceso: 11 ago 2020].
[32] Vishay Intertechnology. «Vishay» [En línea]. Available: http://www.vishay.com/docs/91076/sihf9530.pdf. [Último acceso: 12 ago 2020].
[33] Rinaldi N., D´Alessandro V. Theory of Electrothermal Behavior of BipolarTransistors: Part III—Impact Ionization. IEEE Transactions on Electron Devices, 53-7:1683-1697, 2006.
[34] Trojman L. Study of Mobility for HfO2 dielectric FDSOI-UTTB pMOS under substrate biases. IEEE Latin America Transactions, 14-10:4235-4240, 2016.
Back to Top

Document information

Published on 06/04/21
Accepted on 18/03/21
Submitted on 21/12/20

Volume 37, Issue 2, 2021
DOI: 10.23967/j.rimni.2021.03.002
Licence: CC BY-NC-SA license

Document Score

0

Views 687
Recommendations 0

Share this document